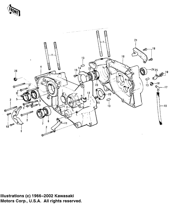
Crankcase ('73-'75 f11/f11-a/f11-b) Diagram Kawasaki Model "F" F11
- Year
- 1975
- Model code
- F11-B
- Sales region
- USA
- Engine Capacity
- 250
- Model
- F11
Difficulties in parts search?
Difficulties in parts search?
| Description | OEM Part # | Price | |||
|---|---|---|---|---|---|
|
1
|
1
172G1095 STUD,10X95Stud,10x95; |
172G1095 |
US $3.60 |
||
|
2
|
2
220B0665 SCREW-PAN HEAD,6X65Screw pan head 6x65; |
220B0665 |
US $3.20 |
||
| replacement | |||||
|
2
|
2
220AA0665 SCREW-PAN HEAD,6X65Screw pan head 6x65; |
220AA0665 |
from US $1.40 |
||
|
3
|
3
220B0645 SCREW-PAN HEAD,6X45Screw pan head 6x45; |
220B0645 |
from US $1.27 |
||
| replacement | |||||
|
3
|
3
220AA0645 SCREW-PAN HEAD,6X45Screw pan head 6x45; |
220AA0645 |
from US $1.30 |
||
|
4
|
4
14002-085-21 CRANKCASE-L.H,F.BLACKCrankcase-l.h,f.blac; Flat black |
14002-085-21 |
US $200.41 |
||
|
5
|
5
92049-1250
SEAL-OIL
|
92049-1250 |
— | ||
| replacement | |||||
|
5
|
5
92049-1482 SEAL-OIL |
92049-1482 |
from US $10.80 |
||
|
6
|
6
601B6305 BEARING BALL #6305Bearing ball #6305; |
601B6305 |
from US $23.19 |
||
|
7
|
7
92050-033 OIL SEAL TB3040Oil seal tb3040; |
92050-033 |
from US $18.06 |
||
|
8
|
8
601B6205 BEARING BALL #6205Bearing ball #6205; |
601B6205 |
from US $13.81 |
||
|
9
|
9
14014-024 HOLDER-MISSION BERNG |
14014-024 |
US $6.16 |
||
|
10
|
10
220B0612 Screw-pan head,6x12Screw pan head 6x12; |
220B0612 |
US $1.11 |
||
| replacements | |||||
|
10
|
10
220AA0612 SCREW-PAN-CROSS,6X12Screw pan head 6x12; |
220AA0612 |
from US $0.91 |
||
|
10
|
10
214B0612
Screw-pan+-
Screw pan head 6x12; |
214B0612 |
— | ||
|
11
|
11
14076-003 COVER A-WIRE HARNESS |
14076-003 |
US $2.70 |
||
|
12
|
12
14076-004 COVER B-WIRE HARNESS |
14076-004 |
US $1.28 |
||
|
13
|
13
92043-1037 PIN,DOWEL,10X8.2X14Pin,dowel,10x8.2x14; |
92043-1037 |
from US $0.97 |
||
|
14
|
14
14014-019 HOLDER-CRANK BEARING |
14014-019 |
US $7.92 |
||
|
15
|
15
221B0616 SCREW-CSK-CROSScrew cntsnk hd 6x16; |
221B0616 |
from US $0.34 |
||
| replacement | |||||
|
15
|
15
221AA0616 SCREW-CSK-CROSScrew cntsnk hd 6x16; |
221AA0616 |
from US $0.92 |
||
|
16
|
16
14003-059-21 CRANKCASE-R.H,F.BLACKCrankcase-r.h,f.blac; Flat black |
14003-059-21 |
US $200.41 |
||
|
17
|
17
14069-1001 BREATHER |
14069-1001 |
US $21.40 |
||
| replacement | |||||
|
17
|
17
14069-1062 BREATHER |
14069-1062 |
from US $16.32 |
||
|
18
|
18
92071-042 GROMMET |
92071-042 |
from US $2.85 |
||
|
19
|
19
92059-061
PIPE-BREATHER
|
92059-061 |
— | ||
|
20
|
20
14014-023 HOLDER-MISSION BERNG |
14014-023 |
US $3.40 |
||
|
21
|
21
14015-004 RECEIVER-OIL |
14015-004 |
US $2.70 |
||
|
22
|
22
92045-016
BEARING-BALL
|
92045-016 |
— | ||
|
23
|
23
653B385008
OIL SEAL,TB38508
Oil seal,tb38508; |
653B385008 |
— | ||
|
24
|
24
601B6304 BEARING BALL #6304 |
601B6304 |
from US $20.79 |
||
|
25
|
25
14014-020 HOLDER-MISSION BERNG |
14014-020 |
US $1.31 |
||
|
26
|
26
92071-061 GROMMET |
92071-061 |
US $0.83 |
||