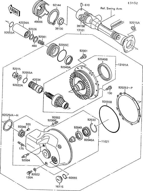
Drive shaft/final gear(1/2) Diagram Kawasaki VN1500 Vulcan 88
- Year
- 1995
- Model code
- VN1500-A9
- Sales region
- Canada
- Engine Capacity
- 1500
- Frame
- JKAVNAA1 SA026001 - 999999
- Model
- Vulcan 1500/ VN-15
Difficulties in parts search?
Difficulties in parts search?
| Description | OEM Part # | Price | |||
|---|---|---|---|---|---|
|
130
|
130
130BA0825 BOLT-FLANGED,8X25 |
130BA0825 |
from US $1.27 |
||
|
130A
|
130A
130N0812 BOLT-FLANGED |
130N0812 |
US $1.74 |
||
|
175
|
175
175BA1025 BOLT-STUD-FINE |
175BA1025 |
from US $1.40 |
||
|
480
|
480
480J2600 CIRCLIP 26MM |
480J2600 |
from US $1.58 |
||
|
555
|
555
555A0428 PIN-SPRING |
555A0428 |
from US $2.53 |
||
|
610
|
610
610A0406 PIN-DOWEL,4X6 |
610A0406 |
from US $0.79 |
||
|
11021
|
11021
11021-1065 CASE-ASSY,FINAL GEAR |
11021-1065 |
US $1,444.72 |
||
| replacement | |||||
|
11021
|
11021
11021-1116 CASE-ASSY,FINAL GEAR |
11021-1116 |
from US $1,440.38 |
||
|
13101
|
13101
13101-1242 GEAR-ASSY,FINAL |
13101-1242 |
from US $3,604.27 |
||
|
13101A
|
13101A
13101-5072 GEAR-ASSY,BEVEL,RR |
13101-5072 |
from US $1,539.12 |
||
|
16115
|
16115
16115-1056 CAP-OIL FILLER |
16115-1056 |
from US $20.91 |
||
|
39130
|
39130
39130-1002 SPRING,LEAF |
39130-1002 |
from US $3.33 |
||
|
39158
|
39158
39158-1062 SHAFT-ASSY-DRIVE |
39158-1062 |
from US $445.76 |
||
|
42034
|
42034
42034-1085 COUPLING |
42034-1085 |
from US $51.01 |
||
|
42034A
|
42034A
42034-1178 COUPLING,PROPELLER SH |
42034-1178 |
from US $70.91 |
||
|
49006
|
49006
49006-1226 BOOT,PROPELLER SHAFT |
49006-1226 |
from US $23.91 |
||
|
92001
|
92001
92001-1778 BOLT,FLANGED,10X23 |
92001-1778 |
from US $3.48 |
||
|
92002
|
92002
92002-1836 BOLT |
92002-1836 |
from US $2.85 |
||
|
92004
|
92004
92004-1047 STUD,RR SHOCK ABSORBER |
92004-1047 |
from US $10.30 |
||
|
92015
|
92015
92015-1059 NUT,16M/M |
92015-1059 |
US $7.60 |
||
|
92015A
|
92015A
92015-1649 NUT,10MM |
92015-1649 |
from US $3.17 |
||
|
92022
|
92022
92022-1086 WASHER |
92022-1086 |
from US $3.20 |
||
|
92022A
|
92022A
92022-1105 WASHER |
92022-1105 |
US $7.60 |
||
|
92025
|
92025
92025-1733 SHIM,T=0.10 |
92025-1733 |
from US $13.46 |
||
|
92025A
|
92025A
92025-1734 SHIM,T=0.15 |
92025-1734 |
from US $9.82 |
||
|
92025B
|
92025B
92025-1735 SHIM,T=0.50 |
92025-1735 |
from US $7.92 |
||
|
92025C
|
92025C
92025-1736 SHIM,T=0.60 |
92025-1736 |
from US $5.86 |
||
|
92025D
|
92025D
92025-1737 SHIM,T=0.70 |
92025-1737 |
from US $7.44 |
||
|
92025E
|
92025E
92025-1738 SHIM,T=0.80 |
92025-1738 |
from US $5.86 |
||
|
92025F
|
92025F
92025-1739 SHIM,T=0.90 |
92025-1739 |
from US $5.86 |
||
|
92025G
|
92025G
92025-1740 SHIM,T=1.00 |
92025-1740 |
from US $5.86 |
||
|
92025H
|
92025H
92025-1741 SHIM,T=1.20 |
92025-1741 |
from US $5.86 |
||
|
92025I
|
92025I
92025-1783 SHIM,T=0.15 |
92025-1783 |
from US $8.24 |
||
|
92025J
|
92025J
92025-1784 SHIM,T=0.50 |
92025-1784 |
from US $8.03 |
||
|
92025K
|
92025K
92025-1785 SHIM,T=0.60 |
92025-1785 |
from US $8.03 |
||
|
92025L
|
92025L
92025-1786 SHIM,T=0.70 |
92025-1786 |
from US $8.03 |
||
|
92025M
|
92025M
92025-1787 SHIM,T=0.80 |
92025-1787 |
from US $10.61 |
||
|
92025N
|
92025N
92025-1788 SHIM,T=0.90 |
92025-1788 |
from US $10.61 |
||
|
92025O
|
92025O
92025-1789 SHIM,T=1.00 |
92025-1789 |
from US $10.61 |
||
|
92025P
|
92025P
92025-1790 SHIM,T=1.20 |
92025-1790 |
from US $11.09 |
||
|
92026
|
92026
92026-1085 SPACER,PROPELLER SHAF |
92026-1085 |
from US $5.07 |
||
|
92033
|
92033
92033-1074 RING-SNAP,52MM |
92033-1074 |
from US $2.85 |
||
|
92046
|
92046
92046-1168 BEARING-NEEDLE,RNA490 |
92046-1168 |
from US $39.20 |
||
|
92046A
|
92046A
92046-1169 BEARING-NEEDLE,38NQ50 |
92046-1169 |
from US $47.42 |
||
|
92049
|
92049
92049-1025 OIL SEAL |
92049-1025 |
from US $9.19 |
||
|
92049A
|
92049A
92049-1248 SEAL-OIL |
92049-1248 |
from US $14.57 |
||
|
92049B
|
92049B
92049-1280 SEAL-OIL |
92049-1280 |
from US $20.59 |
||
|
92055
|
92055
92055-049 O-RING,31MM |
92055-049 |
from US $3.37 |
||
|
92055A
|
92055A
92055-1037
0 RING,I.D=32.7MM
|
92055-1037 |
— | ||
|
92055B
|
92055B
92055-1165 RING-O,154MM |
92055-1165 |
from US $7.44 |
||
|
92055C
|
92055C
92055-1327 RING-O,67.6X3.5 |
92055-1327 |
from US $3.96 |
||
|
92066
|
92066
92066-1272 PLUG |
92066-1272 |
from US $3.01 |
||
|
92081
|
92081
92081-1183 SPRING,PROPELLER SHAF |
92081-1183 |
from US $4.91 |
||
|
92144
|
92144
92145-1162 SPRING,BOOT |
92145-1162 |
from US $7.92 |
||