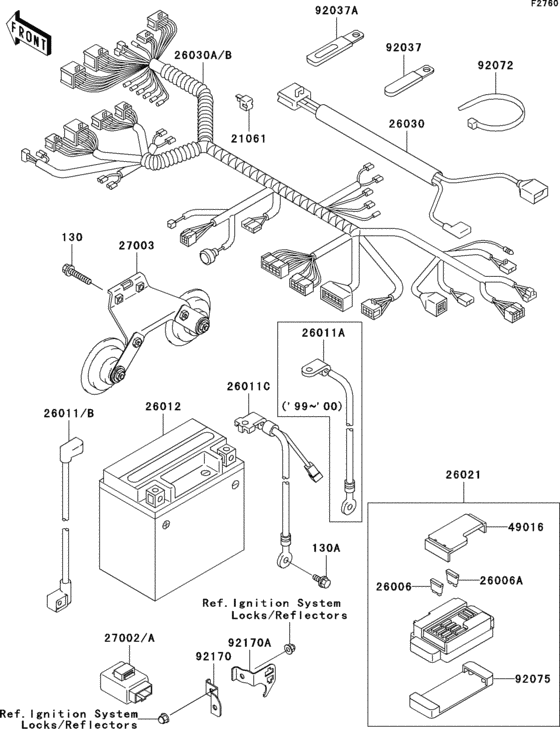
Chassis electrical equipment Diagram Kawasaki VN1500 Vulcan 1500 Classic
- Year
- 1999
- Model code
- VN1500-E2
- Sales region
- Canada
- Engine Capacity
- 1500
- Frame
- JKBVNAE1 XA085001 - XA095000
- Model
- Vulcan 1500 Classic/ VN1500 Classic
Difficulties in parts search?
Difficulties in parts search?
| Description | OEM Part # | Price | |||
|---|---|---|---|---|---|
|
130
|
130
130BB0630 BOLT-FLANGED,6X30,BLA |
130BB0630 |
from US $1.27 |
||
|
130A
|
130A
130BA0610 BOLT-FLANGED,6X10 |
130BA0610 |
from US $0.79 |
||
|
21061
|
21061
21061-1003 RECTIFIER |
21061-1003 |
from US $23.94 |
||
|
26006
|
26006
26006-1006 FUSE,BLADE,30A,GREEN |
26006-1006 |
from US $2.82 |
||
|
26006A
|
26006A
26006-1007 FUSE,BLADE,10A,RED |
26006-1007 |
from US $3.33 |
||
|
26011
|
26011
26011-1663 WIRE-LEAD,BATTERY(+) |
26011-1663 |
from US $33.66 |
||
|
26011A
|
26011A
26011-1712
WIRE-LEAD,BATTERY(-)
|
26011-1712 |
— | ||
|
26012
|
26012
26012-0587
Battery,fth16 bs,12v 14ah
|
26012-0587 |
— | ||
| replacement | |||||
|
26012
|
26012
XFFTH16BS
バツテリ-
|
XFFTH16BS |
— | ||
|
26021
|
26021
26021-1089
JUNCTION BOX
|
26021-1089 |
— | ||
| replacements | |||||
|
26021
|
26021
26021-0058
JUNCTION BOX
|
26021-0058 |
— | ||
|
26021
|
26021
26021-0073 Junction Box |
26021-0073 |
from US $138.92 |
||
|
26030
|
26030
26030-1450 HARNESS,SUB |
26030-1450 |
from US $15.52 |
||
|
27002
|
27002
27002-1111 RELAY-ASSY,SIGNAL LAM |
27002-1111 |
US $88.56 |
||
|
27003
|
27003
27003-1406 HORN |
27003-1406 |
from US $137.18 |
||
|
49016
|
49016
49016-1177
COVER-SEAL,FUSE
|
49016-1177 |
— | ||
|
92037
|
92037
92037-1539 CLAMP,WIRING HARNESS |
92037-1539 |
from US $3.17 |
||
|
92037A
|
92037A
92037-1780 CLAMP |
92037-1780 |
from US $3.96 |
||
|
92072
|
92072
92072-1195 BAND,L=185 |
92072-1195 |
from US $2.07 |
||
|
92075
|
92075
92075-1688 DAMPER,JUNCTION BOX |
92075-1688 |
from US $9.03 |
||
|
92170
|
92170
92170-1699
CLAMP,IGNITION SWITCH
|
92170-1699 |
— | ||
|
92170A
|
92170A
92170-1700 CLAMP,RR BRAKE SWITCH |
92170-1700 |
from US $5.17 |
||