Fuel injection Diagram Kawasaki VN1500 Vulcan 1500 Nomad Fi
- Year
- 2004
- Model code
- VN1500-L5
- Sales region
- Canada
- Engine Capacity
- 1500
- Frame
- JKBVNAL1 4A027001 - 999999
- Model
- Vulcan 1500 Classic Tourer Fi/ Vulcan 1500 Nomad Fi
Difficulties in parts search?
Parts list
Difficulties in parts search?
| Description | OEM Part # | Price | |||
|---|---|---|---|---|---|
|
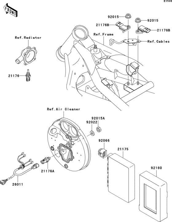
21175
|
21175
21175-1066
CONTROL UNIT-ELECTRON
|
21175-1066 |
— | ||
|
21176
|
21176
21176-1085 SENSOR,WATER TEMPERAT |
21176-1085 |
US $53.86 |
||
|
21176A
|
21176A
21176-1086 SENSOR,AIR TEMPERATUR |
21176-1086 |
from US $45.33 |
||
|
21176B
|
21176B
21176-0058 SENSOR |
21176-0058 |
from US $101.43 |
||
|
26011
|
26011
26011-1776 WIRE-LEAD |
26011-1776 |
from US $60.74 |
||
|
92015
|
92015
92015-1233 NUT,FLANGED,6MM |
92015-1233 |
from US $3.90 |
||
|
92015A
|
92015A
92015-1395 NUT,12MM |
92015-1395 |
from US $3.80 |
||
|
92022
|
92022
92022-269 WASHER,PLAIN |
92022-269 |
from US $1.72 |
||
|
92066
|
92066
92066-1521 PLUG |
92066-1521 |
from US $9.66 |
||
|
92160
|
92160
92160-1965 DAMPER |
92160-1965 |
from US $21.07 |