Electrical, ignition asm (V04TB16/ALL OPTIONS) Diagram Polaris CA TOURING CRUISER ALL OPTIONS

Year
2004
Sales region
General

Difficulties in parts search?

Parts list
Electrical, ignition asm

Difficulties in parts search?

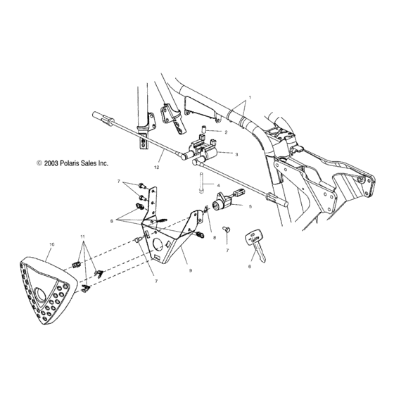
Electrical, ignition asm
Description OEM Part # Price
1
1

7081033

Strap-panduit,double loop

7081033

US $3.26

2
2
5132791
Spacer

5132791

3
3
4010530
Coil, ignition

4010530

4
4
7517973
Scr-hexhd,m6x45,0600088

7517973

5
5

4010551

Asm-lock/switch/key

Incl. Front Fork Lock Pg. A3, Ref. 16;

4010551

US $206.82

6
6

4110239

Key,ignition(10)blank

4110239

US $23.43

7
7

7517438

Screw (10)

7517438

US $1.61

8
8

7080756

Clip,snap-in

7080756

US $3.26

9
9

5245658-067

Brkt-ignition/coil mnt,blk

5245658-067

US $40.58

9
9

5245658-385

Brkt-ignition/coil mnt,slv

5245658-385

US $34.67

10
10

5245659

Cover-ignition/coil

5245659

US $65.99

11
11
7670136
Clip-tinnerman,d98640-051m

7670136

12
12

4010531

Lead-spark plug wire

4010531

US $76.81

Electrical, ignition asm (V04TB16/ALL OPTIONS) Diagram Polaris CA TOURING CRUISER ALL OPTIONS General 1514331-150435