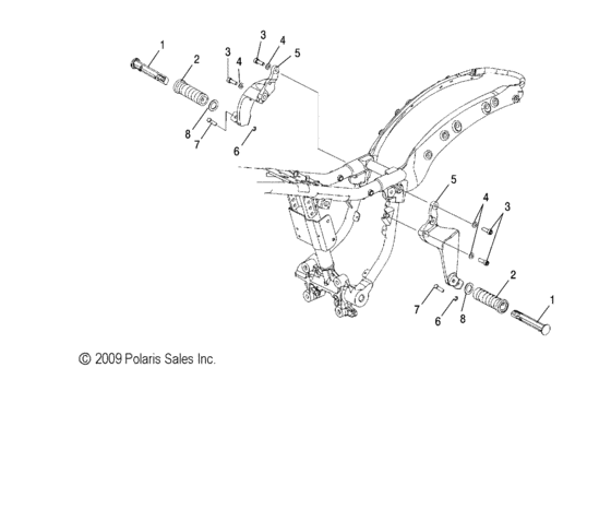
Chassis, passenger footpegs and floorboards (V11CA36/CB36 ALL OPTIONS) Diagram Polaris KINGPIN ALL OPTIONS

Year
2011
Sales region
General

Difficulties in parts search?

Parts list
Chassis, passenger footpegs and floorboards

Difficulties in parts search?

Chassis, passenger footpegs and floorboards
Description OEM Part # Price
1
1

5136036-411

Footpeg-mach,rh,bru

5136036-411

US $127.16

1
1

5136035-411

Footpeg-mach,lh,bru

5136035-411

US $92.35

2
2

5412261

Pad-footpeg,rear

5412261

US $15.26

3
3

7518142

Scr-hxsoc,m8x25,zpc

7518142

US $7.68

4
4

7556245

Wshr-fl,8x1,6,zinc

7556245

US $3.75

5
5

5134625-266

Supt-ftpeg,pass,rh,mach,blk

5134625-266

US $254.08

5
5

5134624-266

Supt-ftpeg,pass,lh,mach,blk

5134624-266

US $254.08

6
6

7710644

Ring-rtng,spiral,ext,ss

7710644

US $2.28

7
7

7661980

Pin, pivot, footpeg

7661980

US $7.09

8
8

7556274

Washer-footpeg,pivot

7556274

US $3.94

Chassis, passenger footpegs and floorboards (V11CA36/CB36 ALL OPTIONS) Diagram Polaris KINGPIN ALL OPTIONS General 1526355-150741