Engine, mounting (V05HB26/ALL OPTIONS) Diagram Polaris VICTORY HAMMER ALL OPTIONS
- Year
- 2005
- Sales region
- General
Difficulties in parts search?
Parts list
Difficulties in parts search?
| Description | OEM Part # | Price | |||
|---|---|---|---|---|---|
|
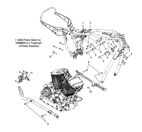
1
|
1
1013889 Weld-nut plate |
1013889 |
US $17.24 |
||
|
2
|
2
7518053 Scr-sochd,m8x25 |
7518053 |
US $3.94 |
||
|
3
|
3
7556305 Wshr-fl,8,4x1,6x16 |
7556305 |
US $1.49 |
||
|
4
|
4
7518125 Scr-hexhd,m10x100 |
7518125 |
US $9.85 |
||
|
5
|
5
7556287 Washer-fl,13x2,5 |
7556287 |
US $4.73 |
||
|
6
|
6
7547232
Nut-hexhd,m12,din980v
|
7547232 |
— | ||
|
7
|
7
5134571-236
Mount, engine, front, silver
Silver; |
5134571-236 |
— | ||
|
7
|
7
5134571-408
Mount, engine, front, black
Black; |
5134571-408 |
— | ||
|
8
|
8
5246366-408 Brkt-engine mnt,rear,znbBlack; |
5246366-408 |
US $7.09 |
||
|
8
|
8
5246366-236 Brkt-engine mnt,rear,zncSilver; |
5246366-236 |
US $3.55 |
||
|
9
|
9
7518099 Scr-sochd,m10x70 |
7518099 |
US $4.73 |
||
|
10
|
10
5133693 Dowel-engine mount |
5133693 |
US $15.26 |
||
|
12
|
12
7517365 Screw,hexhd |
7517365 |
US $2.98 |