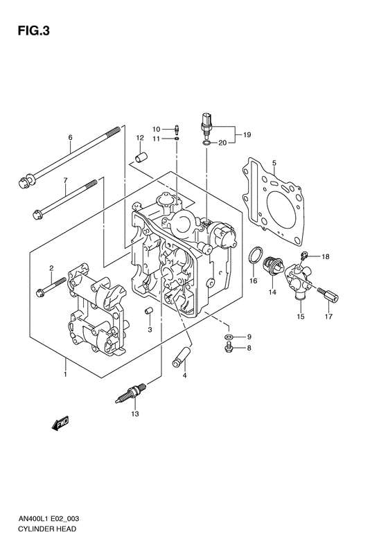
Cylinder head Diagram Suzuki AN400 Burgman (European analogue of "SkyWave")
- Year
- 2011
- Model code
- AN400ZAL1(E2) L1
- Engine Capacity
- 400
- Model
- AN400Z
Difficulties in parts search?
Difficulties in parts search?
| Description | OEM Part # | Price | |||
|---|---|---|---|---|---|
|
1
|
1
11100-05H00-000
HEAD ASSY,CYLINDER
|
11100-05H00-000 |
— | ||
| replacement | |||||
|
1
|
1
11100-05H01-000 Head Assy,cylinder |
11100-05H01-000 |
from US $658.24 |
||
|
2
|
2
09103-06165-000 BOLT(6X45)Bolt (6x45) Bolt (6x45); |
09103-06165-000 |
from US $1.22 |
||
|
3
|
3
09206-08001-000 PIN(8X11)Pin; |
09206-08001-000 |
from US $1.06 |
||
|
4
|
4
11115-32C71-000 GUIDE,VALVEGuide, valve (os:0.3); Opt |
11115-32C71-000 |
from US $19.32 |
||
|
5
|
5
11141-05H00-000 GASKET,CYLINDER HEAD |
11141-05H00-000 |
US $39.92 |
||
| replacement | |||||
|
5
|
5
11141-19K00-000 Gasket,cylinder Head |
11141-19K00-000 |
from US $27.20 |
||
|
6
|
6
09103-08086-000 BOLT(8X130)Bolt (8x130); |
09103-08086-000 |
US $29.10 |
||
|
7
|
7
11117-05H00-000 BOLT,CYLINDER HEAD(L:190)Bolt (10x190); |
11117-05H00-000 |
from US $11.92 |
||
|
8
|
8
09103-06222-000 BOLT(6X12)Bolt, oil gallery (6x12) Bolt (6x12); |
09103-06222-000 |
from US $1.12 |
||
|
9
|
9
09168-06023-000 GASKET(5.8X13X1.2)Gasket (5.8x13x1.2) Gasket (5.8x13x1.2); |
09168-06023-000 |
from US $1.51 |
||
|
10
|
10
09493-80005-000 JET(8)Jet; |
09493-80005-000 |
from US $11.20 |
||
|
11
|
11
09280-04004-000 O RING(D:1.2,ID:4)O ring, oil gallery jet O ring (d:1.2,id:4); |
09280-04004-000 |
from US $1.82 |
||
|
12
|
12
04211-13189-000 PINPin; |
04211-13189-000 |
from US $1.19 |
||
|
13
|
13
09482-00516-000 PLUG,SPARK(CR7E)Spark plug (ngk,cr7e); |
09482-00516-000 |
from US $9.69 |
||
|
13
|
13
09482-00515-000 PLUG,SPARK(U22ESR-N)Spark plug (denso,u22esr-n); |
09482-00515-000 |
US $9.30 |
||
|
13
|
13
09482-00456-000 PLUG,SPARK NGK(CR8E)Spark plug (ngk,cr8e); Opt |
09482-00456-000 |
from US $10.10 |
||
|
13
|
13
09482-00457-000 PLUG,SPARK(U24ESR-N)Spark plug (denso,u24esr-n); Opt |
09482-00457-000 |
from US $4.68 |
||
|
13
|
13
09482-00458-000 PLUG,SPARK(CR9E)Plug, spark (cr9e) Spark plug (ngk,cr9e); Opt |
09482-00458-000 |
from US $9.69 |
||
|
13
|
13
09482-00459-000 PLUG,SPARK(U27ESR-N)Spark plug (denso,u27esr-n); Opt |
09482-00459-000 |
from US $9.49 |
||
|
14
|
14
17670-08D20-000
THERMOSTAT,WATER
|
17670-08D20-000 |
— | ||
| replacement | |||||
|
14
|
14
17670-08D21-000 Thermostat,water |
17670-08D21-000 |
from US $48.01 |
||
|
15
|
15
17661-05H00-000
COVER,THERMOSTAT
|
17661-05H00-000 |
— | ||
| replacement | |||||
|
15
|
15
17661-05H01-000 Cover,thermostat |
17661-05H01-000 |
from US $25.21 |
||
|
16
|
16
09168-06026-000 GASKET(6.4X11.5X0.8)Gasket (6.4x11.5x0.8); |
09168-06026-000 |
from US $0.91 |
||
|
17
|
17
17667-21F00-000 BOLT,THERMOSTAT COVERBolt |
17667-21F00-000 |
US $6.51 |
||
|
18
|
18
17568-50F00-000 UNION BOLT,AIR VENTBolt, thermostat cover Bolt, air release; |
17568-50F00-000 |
from US $2.08 |
||
|
19
|
19
13650-14G00-000 Sensor,water Temp |
13650-14G00-000 |
from US $25.84 |
||
|
20
|
20
13655-14G00-000 O RING |
13655-14G00-000 |
from US $3.19 |
||