Rear Cushion Lever (An400Za L2 E28) Diagram Suzuki AN400 Burgman (European analogue of "SkyWave")

Year
2012
Model code
AN400ZAL2
Sales region
USA/ Canada
Engine Capacity
400
Model
AN400Z

Difficulties in parts search?

Parts list
Rear Cushion Lever (An400Za L2 E28)

Difficulties in parts search?

Rear Cushion Lever (An400Za L2 E28)
Description OEM Part # Price
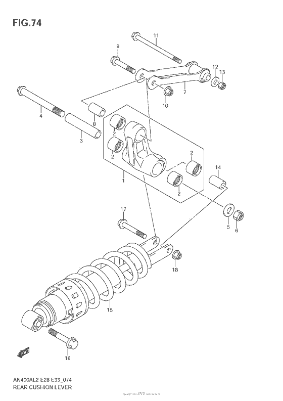
1
1

62601-05820-000

LEVER SET,RR CUSHION

62601-05820-000

US $268.64

2
2
09263-17034-000
BEARING(17X24X26)

09263-17034-000

replacement
2
2

09263-17057-000

Bearing

09263-17057-000

from US $12.46

3
3

62646-08G00-000

SPACER,RR CUSHION ROD

Spacer, rear cushion lever

62646-08G00-000

from US $17.63

4
4

62621-19D00-000

BOLT,RR CUSHION ROD

Bolt, rear cushion lever

62621-19D00-000

from US $9.38

5
5

09160-12080-000

WASHER(12X25X4)

Washer, flywheel

09160-12080-000

from US $6.53

6
6

08319-2112A-000

NUT

08319-2112A-000

from US $1.98

7
7

62640-14F30-000

ROD,RR CUSHION LEVER

62640-14F30-000

US $44.53

8
8

62684-40A10-000

SPACER,RR CUSHION LEVER

Spacer, front (10x17x30)

62684-40A10-000

from US $6.84

9
9

09103-10101-000

BOLT(10X54)

Bolt, front (10x54)

09103-10101-000

from US $5.46

10
10

08319-3110A-000

NUT

Nut, fr differential

08319-3110A-000

from US $1.98

11
11

09103-10198-000

BOLT(10X132)

Bolt, rod (10x132)

09103-10198-000

from US $7.02

12
12

09160-10039-000

WASHER(10.5X22X2.3)

09160-10039-000

from US $1.06

13
13

09159-10027-000

NUT

09159-10027-000

from US $1.98

14
14

62684-40A10-000

SPACER,RR CUSHION LEVER

Spacer, front (10x17x30)

62684-40A10-000

from US $6.84

15
15

62100-05H10-000

ABSORBER ASSY,RR SHOCK

62100-05H10-000

US $823.68

16
16

09103-10126-000

BOLT(10X48)

Bolt (10x48)

09103-10126-000

from US $2.13

17
17

09103-10143-000

BOLT(10X55)

Bolt, rear shock abs rr

09103-10143-000

from US $2.13

18
18

08319-3110A-000

NUT

Nut, fr differential

08319-3110A-000

from US $1.98

Rear Cushion Lever (An400Za L2 E28) Diagram Suzuki AN400 Burgman (European analogue of "SkyWave") USA/ Canada 16387539-852597