Cylinder Head Cover Diagram Suzuki AN650 Burgman (European analogue of "SkyWave")

Year
2012
Model code
AN650AL2 (2012)
Sales region
USA/ Canada
Engine Capacity
650
Model
AN650

Difficulties in parts search?

Parts list
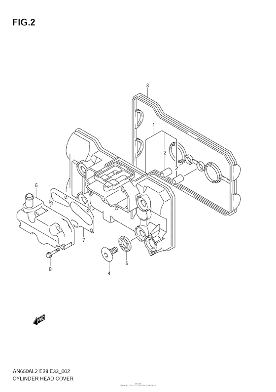
Cylinder Head Cover

Difficulties in parts search?

Cylinder Head Cover
Description OEM Part # Price
1
1

11170-10G00-000

Cover,cylinder head

11170-10G00-000

from US $98.99

2
2

04211-09149-000

PIN

Dowel pin

04211-09149-000

from US $0.91

3
3

11173-10G00-000

GASKET,CYL HEAD COVER

Gasket, cyl head cover

11173-10G00-000

from US $23.74

4
4

09106-07021-000

BOLT(7X17.5)

09106-07021-000

from US $2.72

5
5

11191-27E00-000

WASHER,CYL HEAD COVER

11191-27E00-000

from US $3.50

6
6

11176-10G10-000

COVER,BREATHER

11176-10G10-000

from US $33.86

7
7

11177-10G00-000

GASKET,BREATHER COVER

11177-10G00-000

from US $1.91

8
8

01547-0630A-000

BOLT

01547-0630A-000

from US $0.96

Cylinder Head Cover Diagram Suzuki AN650 Burgman (European analogue of "SkyWave") USA/ Canada 16387815-852601