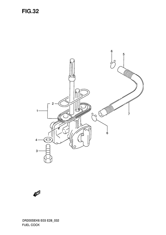
Fuel cock Diagram Suzuki DR200 DR200SE
- Year
- 2010
- Model code
- DR200SEL0(E3/E28) L0
- Sales region
- USA/ Canada
- Engine Capacity
- 200
- Model
- DR200SE
Difficulties in parts search?
Difficulties in parts search?
| Description | OEM Part # | Price | |||
|---|---|---|---|---|---|
|
1
|
1
44300-44AB0-000 COCK ASSY,FUELCock assy, fuel |
44300-44AB0-000 |
US $140.26 |
||
|
2
|
2
44348-87420-000
GASKET,JOINT
O ring; |
44348-87420-000 |
— | ||
| replacement | |||||
|
2
|
2
44348-87421-000 Gasket,jointO ring; |
44348-87421-000 |
from US $2.13 |
||
|
3
|
3
09128-06006-000 BOLT(6X20)Screw (6x20); |
09128-06006-000 |
from US $1.06 |
||
| replacement | |||||
|
3
|
3
09128-06057-000 BOLT(6X20)Bolt (6x20) Screw (6x20); |
09128-06057-000 |
from US $1.12 |
||
|
4
|
4
09168-06026-000 GASKET(6.4X11.5X0.8)Gasket (6.4x11.5x0.8); |
09168-06026-000 |
from US $0.91 |
||
|
5
|
5
09352-50823-600
HOSE(5X8.2X600)
Hose (l:600->160); Model k6/k7 |
09352-50823-600 |
— | ||
| replacements | |||||
|
5
|
5
44420-44AR0-000 HOSE SET,FUELHose (l:600->160); Model k6/k7 |
44420-44AR0-000 |
US $11.95 |
||
|
5
|
5
09352-50005-600 Hose(5X8.2X600)Hose (l:600->160); Model k6/k7 |
09352-50005-600 |
US $4.10 |
||
|
5
|
5
09355-50109-160 HOSE(5X10X160)Hose, fuel; Model k8/k9/l0 |
09355-50109-160 |
from US $7.18 |
||
|
5
|
5
44421-44A00-000 HOSE,FUELModel k8/k9/l0 e33 |
44421-44A00-000 |
from US $12.48 |
||
|
6
|
6
09401-08401-000 CLIPClip, fuel hose Clip; Model k6/k7 |
09401-08401-000 |
from US $0.96 |
||
|
6
|
6
09401-09403-000 CLIPModel k8/k9/l0 |
09401-09403-000 |
from US $1.12 |
||
|
7
|
7
09440-10009-000 SPRINGSpring fuel hose E33 |
09440-10009-000 |
from US $1.92 |
||