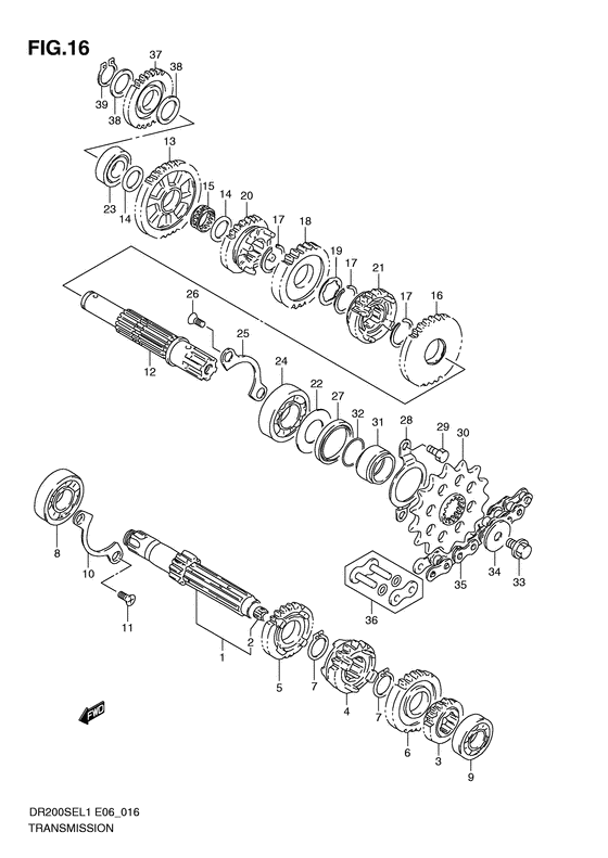
Transmission Diagram Suzuki DR200 DR200SE
- Year
- 2011
- Model code
- DR200SEL1(E6) L1
- Engine Capacity
- 200
- Model
- DR200SE
Difficulties in parts search?
Difficulties in parts search?
| Description | OEM Part # | Price | |||
|---|---|---|---|---|---|
|
1
|
1
24120-42A10-000 SHAFT,COUNTERNt:11 |
24120-42A10-000 |
US $85.74 |
||
|
2
|
2
24125-38201-000 BUSH |
24125-38201-000 |
from US $2.56 |
||
|
3
|
3
24221-42A02-000 GEAR,2ND DRIVEGear, 2nd drive (nt:15) Nt:15 |
24221-42A02-000 |
from US $51.89 |
||
|
4
|
4
24231-42A03-000 GEAR,3RD DRIVE(NT:16)Gear, 3rd drive (nt:16) Nt:16 |
24231-42A03-000 |
from US $60.35 |
||
|
5
|
5
24241-42A00-000 GEAR,4TH DRIVEGear, 4th drive (nt:21) Nt:21 |
24241-42A00-000 |
from US $45.63 |
||
|
6
|
6
24251-42A10-000 GEAR,5TH DRIVE(NT:23)Nt:23 |
24251-42A10-000 |
from US $55.48 |
||
|
7
|
7
09380-20009-000 CIRCLIP |
09380-20009-000 |
from US $0.68 |
||
|
8
|
8
09262-20069-000 BEARING(20X47X14)Bearing (20x47x14); Rh |
09262-20069-000 |
from US $11.52 |
||
|
9
|
9
08123-60027-000 BEARINGBearing Lh |
08123-60027-000 |
from US $10.72 |
||
|
10
|
10
24741-05200-000 RETAINER,DRIVE SHAFT BEARINGRetainer, drive shaft bearing Retainer, cntr shaft brg; |
24741-05200-000 |
US $2.98 |
||
|
11
|
11
09126-06011-000 SCREW(6X12)Screw, retainer mdl Screw (6x12); |
09126-06011-000 |
from US $0.76 |
||
|
12
|
12
24130-42A01-000 SHAFT,DRIVEShaft, drive |
24130-42A01-000 |
from US $132 |
||
|
13
|
13
24311-42A00-000 GEAR,1ST DRIVENGear, 1st driven (nt:33) Nt:33 |
24311-42A00-000 |
from US $55.20 |
||
|
14
|
14
09181-17167-000 SHIM(17X26X1)Thrust washer (17x26x1.0) Shim (17x26x1); |
09181-17167-000 |
from US $1.82 |
||
|
15
|
15
09263-17004-000 BEARING(17X21X9.8)Bearing (17x21x9.8) Bearing (17x21x9.8); |
09263-17004-000 |
from US $7.29 |
||
|
16
|
16
24320-42A03-000 GEAR,2ND DRIVEN(NT:29)Gear, 2nd driven (nt:29) Nt:29 |
24320-42A03-000 |
from US $45.63 |
||
|
17
|
17
09380-22006-000 CIRCLIPCirclip Circlip; |
09380-22006-000 |
from US $1.82 |
||
|
18
|
18
24331-42A02-000 GEAR,3RD DRIVEN(NT:23)Gear, 3rd driven (nt:23) Nt:23 |
24331-42A02-000 |
from US $44.16 |
||
|
19
|
19
09167-22011-000 WASHER,LOCKWasher (22.1x27x0.5) Lock washer; |
09167-22011-000 |
from US $5.17 |
||
|
20
|
20
24341-42A02-000 GEAR,4TH DRIVEN(NT:23)Gear, 4th driven (nt:23) Nt:23 |
24341-42A02-000 |
from US $58.51 |
||
|
21
|
21
24351-42A02-000 GEAR,5TH DRIVENGear, 5th driven (nt:21) Nt:21 |
24351-42A02-000 |
US $45.63 |
||
|
22
|
22
24359-42A00-000 WASHER,OIL SEALINGWasher, oil sealing Washer, oil sealing; |
24359-42A00-000 |
from US $2.13 |
||
|
23
|
23
09264-17001-000 BEARING(17X36X12)Bearing (17x36x12) Bearing (17x36x12); Rh |
09264-17001-000 |
from US $24.29 |
||
|
24
|
24
09262-22018-000 BEARING(22X50X14)Bearing, rh Bearing (22x50x14); |
09262-22018-000 |
from US $11.84 |
||
|
25
|
25
24741-05200-000 RETAINER,DRIVE SHAFT BEARINGRetainer, drive shaft bearing Retainer, drive shaft bearing; |
24741-05200-000 |
US $2.98 |
||
|
26
|
26
09126-06011-000 SCREW(6X12)Screw, retainer mdl Screw (6x12); |
09126-06011-000 |
from US $0.76 |
||
|
27
|
27
09283-30053-000 SEAL,OIL(30X40X6)Oil seal (30x40x6) Oil seal (30x40x6); |
09283-30053-000 |
from US $7.14 |
||
|
28
|
28
24751-42A10-000 RETAINER,DRIVE SHAFT OIL SEALRetainer, drive shaft oil seal Retainer, drive shaft oil seal; |
24751-42A10-000 |
from US $2.13 |
||
|
29
|
29
01500-0610A-000 BOLT |
01500-0610A-000 |
from US $3.04 |
||
|
30
|
30
27511-19A01-000 SPROCKET,ENGINE(12T)Sprocket, engine (nt:12) Nt:12 |
27511-19A01-000 |
from US $38.05 |
||
|
31
|
31
27531-42A00-000 SPACER,ENGINE SPROCKETSpacer, engine sprocket Spacer, engine sprocket; |
27531-42A00-000 |
from US $10.82 |
||
|
32
|
32
09280-21008-000 O RING(D:2.5,ID:21)O ring (d:2.5,id:21) O ring (d:2.5,id:21); |
09280-21008-000 |
from US $0.95 |
||
|
33
|
33
01550-0812A-000 BOLT |
01550-0812A-000 |
from US $0.91 |
||
|
34
|
34
08211-08283-000 WASHERWasher |
08211-08283-000 |
from US $1.62 |
||
|
35
|
35
27600-14A10-112
Chain, drive (did 520vc5)
Chain, drive (did 520vc5); |
27600-14A10-112 |
— | ||
| replacement | |||||
|
35
|
35
27600-14A20-112 CHAIN(DID520V0)Chain, drive (did 520vc5); |
27600-14A20-112 |
from US $103.36 |
||
|
36
|
36
27620-14A10-000
Joint set, chain
Opt |
27620-14A10-000 |
— | ||
| replacement | |||||
|
36
|
36
27620-14A20-000 JOINT SET(DID520V0 ZJ)Opt |
27620-14A20-000 |
from US $9.20 |
||
|
37
|
37
26260-42A02-000 GEAR,KICK STARTER IDLE(NT:24)Gear, kick idle (nt:24) Gear, kick starter idle; |
26260-42A02-000 |
from US $46.37 |
||
|
38
|
38
08211-17221-000 WASHER |
08211-17221-000 |
US $13.20 |
||
|
39
|
39
08331-3117A-000
Circlip, kick idle gr
|
08331-3117A-000 |
— | ||
| replacement | |||||
|
39
|
39
08331-31179-000 CIRCLIP |
08331-31179-000 |
from US $0.96 |
||