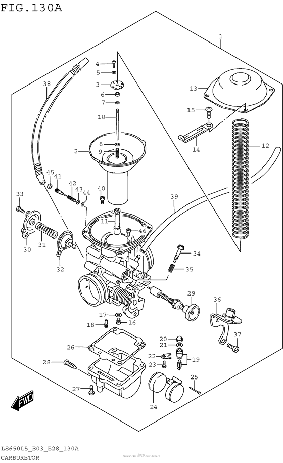
Carburetor (Ls650L5 E03) Diagram Suzuki LS650 Boulevard S40
- Year
- 2015
- Model code
- LS650L5
- Sales region
- USA/ Canada
- Engine Capacity
- 650
- Model
- Boulevard S40
Difficulties in parts search?
Difficulties in parts search?
| Description | OEM Part # | Price | |||
|---|---|---|---|---|---|
|
1
|
1
13200-24C41-000
CARBURETOR ASSY
|
13200-24C41-000 |
— | ||
| replacement | |||||
|
1
|
1
13200-24C42-000 Carburetor Assy |
13200-24C42-000 |
US $844.83 |
||
|
2
|
2
13500-24B40-000
DIAPHRAGM ASSY
|
13500-24B40-000 |
— | ||
| replacement | |||||
|
2
|
2
13500-24B41-000 Diaphragm Assy |
13500-24B41-000 |
from US $149.60 |
||
|
3
|
3
13389-37400-000 PLATE |
13389-37400-000 |
from US $3.46 |
||
|
4
|
4
02112-0306B-000 SCREW |
02112-0306B-000 |
from US $2.52 |
||
|
5
|
5
08321-2103B-000 WASHER,LOCK |
08321-2103B-000 |
from US $7.70 |
||
|
6
|
6
13387-44030-000 RING |
13387-44030-000 |
from US $3.34 |
||
|
7
|
7
13394-31210-000 CLIP,NEEDLE |
13394-31210-000 |
from US $2.24 |
||
|
8
|
8
13382-44030-000 WASHER |
13382-44030-000 |
from US $1.67 |
||
|
9
|
9
13388-44030-000 SPRING |
13388-44030-000 |
US $10.35 |
||
|
10
|
10
13383-24C40-000 NEEDLE,JET(5C17) |
13383-24C40-000 |
from US $8.98 |
||
|
11
|
11
09494-00861-000 JET,NEEDLE(X-7M) |
09494-00861-000 |
from US $25.58 |
||
|
12
|
12
13503-24B00-000 SPRING |
13503-24B00-000 |
from US $10.82 |
||
|
13
|
13
13502-37400-000 COVER |
13502-37400-000 |
from US $17.66 |
||
|
14
|
14
09404-06434-000
CLAMP(L:80 T:1.0)
|
09404-06434-000 |
— | ||
| replacement | |||||
|
14
|
14
09404-06036-000 Clamp(L:80) |
09404-06036-000 |
from US $1.82 |
||
|
15
|
15
02112-0510A-000 SCREW |
02112-0510A-000 |
from US $0.76 |
||
|
16
|
16
09491-29013-000 JET,MAIN(145)Jet, main (145) |
09491-29013-000 |
from US $11.71 |
||
|
17
|
17
13382-03110-000 WASHER |
13382-03110-000 |
from US $1.67 |
||
|
18
|
18
09492-52010-000 JET,PILOT(52.5)Jet, pilot (52.5) |
09492-52010-000 |
US $19.79 |
||
|
19
|
19
13370-24C80-000 VALVE ASSY,NEEDLE |
13370-24C80-000 |
from US $40.28 |
||
|
20
|
20
13376-19F00-000 FILTER |
13376-19F00-000 |
from US $5.47 |
||
|
21
|
21
13374-35C00-000 O RING,NEEDLE VALVE SEATO ring |
13374-35C00-000 |
from US $2.58 |
||
|
22
|
22
13373-39110-000 PLATE |
13373-39110-000 |
from US $3.97 |
||
|
23
|
23
02112-0406B-000 SCREW |
02112-0406B-000 |
from US $0.76 |
||
|
24
|
24
13250-37400-000 FLOAT |
13250-37400-000 |
from US $22.80 |
||
|
25
|
25
13254-92311-000 PIN,FLOATPin |
13254-92311-000 |
from US $1.52 |
||
|
26
|
26
13251-37101-000 GASKET,FLOAT CHAMBER |
13251-37101-000 |
from US $7.30 |
||
|
27
|
27
02112-0516A-000 SCREW |
02112-0516A-000 |
from US $0.80 |
||
|
28
|
28
13247-02340-000 PLUG,DRAIN |
13247-02340-000 |
from US $2.43 |
||
|
29
|
29
13411-24C00-000 PLUNGER ASSY |
13411-24C00-000 |
from US $28.89 |
||
|
30
|
30
13484-38A10-000 COVER |
13484-38A10-000 |
from US $10.82 |
||
|
31
|
31
13481-24B00-000 SPRING |
13481-24B00-000 |
from US $2.24 |
||
|
32
|
32
13480-05A10-000
DIAPHRAGM ASSY
|
13480-05A10-000 |
— | ||
| replacement | |||||
|
32
|
32
13480-05A11-000 Diaphragm Assy |
13480-05A11-000 |
from US $44.08 |
||
|
33
|
33
02112-0410A-000 SCREW |
02112-0410A-000 |
from US $2.04 |
||
|
34
|
34
13267-25D00-000 ADJUSTER |
13267-25D00-000 |
from US $6.66 |
||
|
35
|
35
13271-93011-000 SPRINGSpring |
13271-93011-000 |
from US $1.92 |
||
|
36
|
36
13621-24B01-000 BRACKET ASSYBracket |
13621-24B01-000 |
from US $23.74 |
||
|
37
|
37
02112-0510A-000 SCREW |
02112-0510A-000 |
from US $0.76 |
||
|
38
|
38
13318-24C00-000 HOSE ASSY |
13318-24C00-000 |
from US $20.30 |
||
|
39
|
39
44420-44AR0-000 HOSE SET,FUEL |
44420-44AR0-000 |
US $11.95 |
||
|
40
|
40
09491-46005-000 JET,PILOT(230) |
09491-46005-000 |
from US $8.46 |
||
|
41
|
41
13269-37400-000 SCREW,AIRScrew, pilot (2 5/8) |
13269-37400-000 |
from US $6.51 |
||
|
42
|
42
13268-47070-000 SPRING |
13268-47070-000 |
from US $2.82 |
||
|
43
|
43
13291-29900-000 WASHERGasket |
13291-29900-000 |
from US $1.51 |
||
|
44
|
44
13295-29900-000
O RING,PILOT AIR SCREW
|
13295-29900-000 |
— | ||
| replacement | |||||
|
44
|
44
13295-29901-000 O-Ring, Pilot Air Screw |
13295-29901-000 |
from US $1.98 |
||
|
45
|
45
13281-05A00-000 PLUG |
13281-05A00-000 |
from US $1.60 |
||
|
46
|
46
09491-45002-000 JET(45)Jet, power (45) |
09491-45002-000 |
from US $8.46 |
||