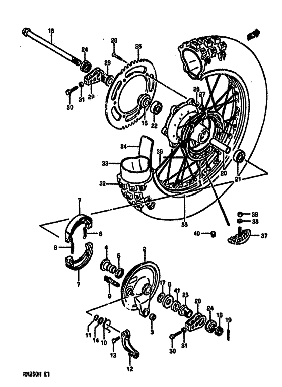
Rear wheel (Model g) Diagram Suzuki RM250
- Year
- 1986
- Model code
- RM250G(G/H) G
- Engine Capacity
- 250
- Model
- RM250
Difficulties in parts search?
Difficulties in parts search?
| Description | OEM Part # | Price | |||
|---|---|---|---|---|---|
|
1
|
1
64110-14600-000
Hub, rear wheel
|
64110-14600-000 |
— | ||
|
2
|
2
64200-14860-000
Panel set
Panel,rear hub; |
64200-14860-000 |
— | ||
|
3
|
3
64352-40401-000
SPHERICAL BRNG,TORQUE LINK
|
64352-40401-000 |
— | ||
|
4
|
4
64213-14600-000
Spacer brake pa
Spacer,panel; |
64213-14600-000 |
— | ||
|
5
|
5
09285-24001-000 SEAL,OIL(24X31X5)Oil seal Dust seal,inner; |
09285-24001-000 |
from US $2.59 |
||
|
6
|
6
64845-37200-000
CVR,RR BRAKE AHR PNL DUST SEAL
Cover,panel dust seal; |
64845-37200-000 |
— | ||
|
7
|
7
54410-14100-000
Shoe, brake
|
54410-14100-000 |
— | ||
| replacement | |||||
|
7
|
7
64400-40810-000 SHOE SET,BRAKEShoe set, brake |
64400-40810-000 |
from US $30.91 |
||
|
8
|
8
64430-14600-000 SPRING,BRAKE SHOE |
64430-14600-000 |
from US $3.35 |
||
|
9
|
9
54441-14101-000
CAM,FR BRAKE
Cam,brake; |
54441-14101-000 |
— | ||
|
10
|
10
09448-30007-000
Spring rr bk le
|
09448-30007-000 |
— | ||
| replacement | |||||
|
10
|
10
09448-30007-XC0 SPRING |
09448-30007-XC0 |
US $8.77 |
||
|
11
|
11
09280-12001-000 O RING(D:2.5,ID:11.4)O ring, reverse lever pivot Dust seal; |
09280-12001-000 |
from US $4.52 |
||
|
12
|
12
64451-00B00-000
LEVER,RR BRAKE CAM
|
64451-00B00-000 |
— | ||
|
13
|
13
01107-06258-000
Bolt
|
01107-06258-000 |
— | ||
| replacement | |||||
|
13
|
13
01500-06257-000 Bolt |
01500-06257-000 |
from US $3.11 |
||
|
14
|
14
09160-12011-000 WASHER(12.5X20X1)Washer (12.5x20x1) Washer (12.5x20x1); |
09160-12011-000 |
from US $0.91 |
||
|
15
|
15
64711-00B00-000
Axle,rear
|
64711-00B00-000 |
— | ||
|
16
|
16
64750-00B00-000
Spacer comp,rea
|
64750-00B00-000 |
— | ||
|
17
|
17
08211-17361-000 WASHERThrust washer Thrust washer (t:1.0); |
08211-17361-000 |
from US $3.86 |
||
|
18
|
18
08314-41168-000 16 mm castle nut |
08314-41168-000 |
US $2.22 |
||
| replacement | |||||
|
18
|
18
08314-4016A-000 NUT |
08314-4016A-000 |
from US $1.44 |
||
|
19
|
19
04111-40308-000
Pin, rear axle
Cotter pin; |
04111-40308-000 |
— | ||
| replacement | |||||
|
19
|
19
04111-4030A-000 PINCotter pin Cotter pin; |
04111-4030A-000 |
from US $0.80 |
||
|
20
|
20
64730-14600-000
Spacer, hub bearing
|
64730-14600-000 |
— | ||
|
21
|
21
08123-62037-000
Bearing
|
08123-62037-000 |
— | ||
| replacements | |||||
|
21
|
21
08133-62037-000
BEARING
|
08133-62037-000 |
— | ||
|
21
|
21
08133-6203B-000 Bearing |
08133-6203B-000 |
from US $12.46 |
||
|
22
|
22
08123-63037-000
BEARING
Bearing,lh; |
08123-63037-000 |
— | ||
| replacement | |||||
|
22
|
22
08123-6303B-000 Bearing,rear HubBearing,lh; |
08123-6303B-000 |
from US $13.22 |
||
|
23
|
23
64781-40600-000
Spacer chain ad
Spacer,chain adjuster; |
64781-40600-000 |
— | ||
|
24
|
24
09140-24007-000 NUTNut, pivot lock |
09140-24007-000 |
from US $6.24 |
||
|
25
|
25
64511-14600-000
Sprocket rr 50t
Sprocket,rear (nt:50); |
64511-14600-000 |
— | ||
|
25
|
25
64511-14200-000
Sprocket rear
Sprocket,rear (nt:49); Opt |
64511-14200-000 |
— | ||
|
25
|
25
64511-14610-000
Sprocket rr 51t
Sprocket,rear (nt:51); Opt |
64511-14610-000 |
— | ||
|
26
|
26
09120-08009-000 SCREW(8X40) |
09120-08009-000 |
from US $6.29 |
||
|
27
|
27
08319-31088-000
Nut
|
08319-31088-000 |
— | ||
| replacement | |||||
|
27
|
27
08319-3108A-000 NUT |
08319-3108A-000 |
from US $1.67 |
||
|
28
|
28
09164-08011-000 WASHERWasher |
09164-08011-000 |
from US $4.13 |
||
|
29
|
29
61410-40600-000
ADJUSTER,CHAIN
Adjuster,chain; |
61410-40600-000 |
— | ||
|
30
|
30
09104-08027-000 BOLT(8X43)Bolt (8x43) |
09104-08027-000 |
from US $7.24 |
||
|
31
|
31
08310-12088-000
Nut
|
08310-12088-000 |
— | ||
| replacement | |||||
|
31
|
31
08310-00087-000 NUT |
08310-00087-000 |
from US $0.76 |
||
|
32
|
32
65100-00B00-000
Tire,rear (110/100-18)
Bs |
65100-00B00-000 |
— | ||
| replacement | |||||
|
32
|
32
65100-00B10-000
Tire rr 110/100
Bs |
65100-00B10-000 |
— | ||
|
33
|
33
65200-40430-000
Tube assy, wheel inner
Tube,wheel inner; |
65200-40430-000 |
— | ||
|
34
|
34
65261-15010-000
Protector, tube
|
65261-15010-000 |
— | ||
| replacement | |||||
|
34
|
34
55261-26F10-000 PROTECTOR,INNER TUBE |
55261-26F10-000 |
from US $4.58 |
||
|
35
|
35
65311-00B00-000
Rim,rr wheel,2.
Rim,wheel (215x18); |
65311-00B00-000 |
— | ||
|
36
|
36
65320-00B00-000
Spoke set,rear wheel
|
65320-00B00-000 |
— | ||
|
37
|
37
65270-14200-000
Stopper, bead
|
65270-14200-000 |
— | ||
| replacement | |||||
|
37
|
37
65270-28E00-000 STOPPER,BEAD(2.15)Stopper, bead |
65270-28E00-000 |
from US $31.28 |
||
|
38
|
38
08322-11088-000
Washer
|
08322-11088-000 |
— | ||
| replacement | |||||
|
38
|
38
08322-01087-000 WASHERLock washer |
08322-01087-000 |
from US $0.76 |
||
|
39
|
39
08310-22088-000
Nut
|
08310-22088-000 |
— | ||
| replacement | |||||
|
39
|
39
08310-00087-000 NUT |
08310-00087-000 |
from US $0.76 |
||
|
40
|
40
09250-08013-000 CAP(OD:12) |
09250-08013-000 |
from US $3.67 |
||
|
41
|
41
64741-00B00-000
Spacer,rear axl
|
64741-00B00-000 |
— | ||