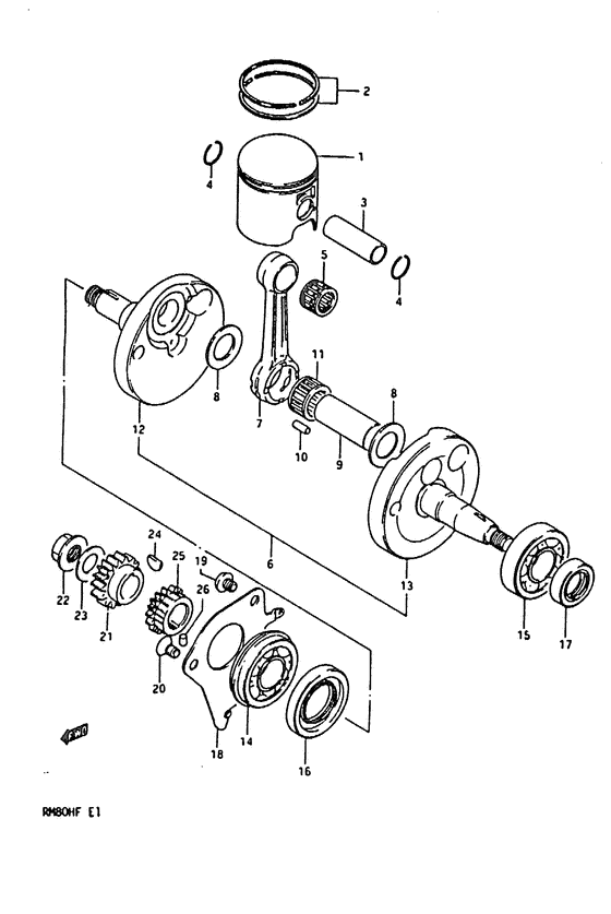
Crankshaft Diagram Suzuki RM80
- Year
- 1985
- Model code
- RM80HF F
- Engine Capacity
- 80
- Model
- RM80
Difficulties in parts search?
Difficulties in parts search?
| Description | OEM Part # | Price | |||
|---|---|---|---|---|---|
|
1
|
1
12110-20910-000
PISTON
Piston (std); |
12110-20910-000 |
— | ||
|
1
|
1
12110-20910-050
Piston (os:0.5)
Piston (os:0.5); Opt |
12110-20910-050 |
— | ||
|
1
|
1
12110-20900-000
PISTON
Piston (os:1.0); Opt |
12110-20900-000 |
— | ||
|
2
|
2
12140-20910-000
Ring set, piston (std)
Ring set, piston (std); Opt |
12140-20910-000 |
— | ||
|
2
|
2
12140-20910-050
Ring set, piston (os:0.5)
Ring set, piston (os:0.5); Opt |
12140-20910-050 |
— | ||
|
2
|
2
12140-20900-000
RING SET,PISTON
Ring set, piston (os:1.0); Opt |
12140-20900-000 |
— | ||
|
3
|
3
12151-20910-000 PIN,PISTON |
12151-20910-000 |
from US $7.84 |
||
|
3
|
3
12151-20900-000
Pin,piston
Opt, for os:1.0 |
12151-20900-000 |
— | ||
| replacement | |||||
|
3
|
3
12151-20910-000 PIN,PISTONOpt, for os:1.0 |
12151-20910-000 |
from US $7.84 |
||
|
4
|
4
09381-14001-000 PISTON PIN CIRC |
09381-14001-000 |
from US $1.06 |
||
|
5
|
5
09263-14016-000 BEARING(14X18X16)Bearing, piston pin |
09263-14016-000 |
from US $9.64 |
||
|
6
|
6
12200-20911-000
Crankshaft assy
|
12200-20911-000 |
— | ||
|
7
|
7
12161-20901-000
ROD,CONNECTING
|
12161-20901-000 |
— | ||
|
8
|
8
09160-18016-000 WASHER(18X32X1) |
09160-18016-000 |
from US $9.96 |
||
|
9
|
9
12211-20900-000
Pin, crank
|
12211-20900-000 |
— | ||
| replacement | |||||
|
9
|
9
12211-02B42-000
PIN,CRANK
|
12211-02B42-000 |
— | ||
|
10
|
10
09261-03013-000
Roller,pin 10.8
|
09261-03013-000 |
— | ||
|
11
|
11
12215-20911-000
Cage
|
12215-20911-000 |
— | ||
| replacement | |||||
|
11
|
11
12214-20911-000
Bearing,crank Pin
|
12214-20911-000 |
— | ||
|
12
|
12
12221-20902-000
Crankshaft, rh
|
12221-20902-000 |
— | ||
|
13
|
13
12261-20902-000
Crankshaft, lh
|
12261-20902-000 |
— | ||
|
14
|
14
09262-20064-000
BEARING(20X47X14)
Bearing, rh; |
09262-20064-000 |
— | ||
|
15
|
15
09262-20054-000
Bearing, lh
|
09262-20054-000 |
— | ||
| replacement | |||||
|
15
|
15
09262-20121-000 BEARING(20X47X14)Bearing (20x47x14) |
09262-20121-000 |
from US $24.29 |
||
|
16
|
16
09283-26015-000 SEAL,OIL(26X47X7.3)Oil seal, lh Oil seal, rh; |
09283-26015-000 |
from US $4.80 |
||
|
17
|
17
09283-18004-000 SEAL,OIL(18X30X8)Oil seal, lh (18x30x8) Oil seal, lh; |
09283-18004-000 |
from US $6.38 |
||
|
18
|
18
12541-20900-000
Plate,crank bea
|
12541-20900-000 |
— | ||
|
19
|
19
02112-06128-000
Screw
|
02112-06128-000 |
— | ||
| replacement | |||||
|
19
|
19
02112-06127-000 SCREW |
02112-06127-000 |
from US $0.76 |
||
|
20
|
20
02122-06128-000
Screw
|
02122-06128-000 |
— | ||
| replacement | |||||
|
20
|
20
02122-06127-000 SCREW |
02122-06127-000 |
from US $0.80 |
||
|
21
|
21
21111-20400-000
Gear,primary dr
Gear, primary drive (nt:18); |
21111-20400-000 |
— | ||
|
22
|
22
09159-12005-000 NUTNut |
09159-12005-000 |
from US $1.76 |
||
|
23
|
23
09164-12016-000 WASHERWasher |
09164-12016-000 |
from US $2.01 |
||
|
24
|
24
08341-31039-000 KEYKey; |
08341-31039-000 |
from US $1.60 |
||
|
25
|
25
17451-20901-000
Gear water pmp
Gear, water pump drive (nt:19); |
17451-20901-000 |
— | ||
|
26
|
26
06211-03052-000 Pin |
06211-03052-000 |
US $1.37 |
||
| replacement | |||||
|
26
|
26
04221-03059-000 PIN |
04221-03059-000 |
from US $2.35 |
||