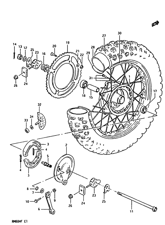
Rear wheel Diagram Suzuki RM80
- Year
- 1985
- Model code
- RM80HF F
- Engine Capacity
- 80
- Model
- RM80
Difficulties in parts search?
Difficulties in parts search?
| Description | OEM Part # | Price | |||
|---|---|---|---|---|---|
|
1
|
1
64110-20522-000
Drum, rear hub
|
64110-20522-000 |
— | ||
|
2
|
2
64210-20521-000
Panel, rear hub
|
64210-20521-000 |
— | ||
|
3
|
3
54410-43010-000
Shoe, brake
|
54410-43010-000 |
— | ||
| replacement | |||||
|
3
|
3
54400-43880-000 SHOE & SPRING SET,BRAKEShoe set, front brake |
54400-43880-000 |
from US $39.74 |
||
|
4
|
4
64430-20500-000
Spring, brake shoe
|
64430-20500-000 |
— | ||
| replacement | |||||
|
4
|
4
64430-40300-000
SPRING
|
64430-40300-000 |
— | ||
|
5
|
5
54441-02400-000
Cam,brake
Cam, rear brake; |
54441-02400-000 |
— | ||
|
6
|
6
64451-20400-000
LEVER,RR BRAKE CAM
|
64451-20400-000 |
— | ||
|
7
|
7
09160-12011-000 WASHER(12.5X20X1)Washer (12.5x20x1) Washer; |
09160-12011-000 |
from US $0.91 |
||
|
8
|
8
09280-12001-000 O RING(D:2.5,ID:11.4)O ring, reverse lever pivot Dust seal; |
09280-12001-000 |
from US $4.52 |
||
|
9
|
9
09159-06017-000
Adjust nut
Nut; |
09159-06017-000 |
— | ||
| replacement | |||||
|
9
|
9
08319-31067-000 NUTNut, center Nut; |
08319-31067-000 |
from US $1.44 |
||
|
10
|
10
01517-06308-000
Bolt
|
01517-06308-000 |
— | ||
| replacement | |||||
|
10
|
10
01550-06307-000 Bolt |
01550-06307-000 |
from US $0.91 |
||
|
11
|
11
64711-20521-000
Axle rr
|
64711-20521-000 |
— | ||
|
12
|
12
09160-14033-000
Washer (14x30x3.2)
Washer, axle nut; |
09160-14033-000 |
— | ||
| replacement | |||||
|
12
|
12
09160-14062-000 WASHER(14.5X30X3.2)Washer, axle nut; |
09160-14062-000 |
from US $4.44 |
||
|
13
|
13
08314-31148-000
Nut
|
08314-31148-000 |
— | ||
| replacement | |||||
|
13
|
13
08314-3114A-000 NUT |
08314-3114A-000 |
from US $1.44 |
||
|
14
|
14
04111-30308-000
30 x 30 cotter
Cotter pin; |
04111-30308-000 |
— | ||
| replacement | |||||
|
14
|
14
04111-3030A-000 PINCotter pin; |
04111-3030A-000 |
from US $0.76 |
||
|
15
|
15
09180-15069-000 SPACER(15.3X21.7X77)Spacer, hub bearing; |
09180-15069-000 |
from US $18.17 |
||
|
16
|
16
64740-20521-000
Spacer rr axle
|
64740-20521-000 |
— | ||
|
17
|
17
08123-60027-000 BEARINGBearing Bearing, rh; |
08123-60027-000 |
from US $10.72 |
||
|
18
|
18
08123-62027-000 BEARINGB1 15x35x11 bearing rh Bearing, lh; |
08123-62027-000 |
from US $10.08 |
||
|
19
|
19
64511-20910-000
Sprocket, rear
Sprocket, rear (nt:56); |
64511-20910-000 |
— | ||
|
19
|
19
64511-20560-000
Sprocket, rear
Sprocket, rear (nt:55); Opt |
64511-20560-000 |
— | ||
|
19
|
19
64511-20570-000
Sprocket, rear
Sprocket, rear (nt:57); Opt |
64511-20570-000 |
— | ||
|
19
|
19
64511-20950-000
Sprocket, rear
Sprocket, rear (nt:58); Opt |
64511-20950-000 |
— | ||
|
20
|
20
09120-08004-000 SCREW(8X33.5)Bolt (8x20) |
09120-08004-000 |
from US $1.52 |
||
|
21
|
21
08322-21088-000
Washer
|
08322-21088-000 |
— | ||
| replacement | |||||
|
21
|
21
08322-01087-000 WASHERLock washer |
08322-01087-000 |
from US $0.76 |
||
|
22
|
22
08319-31088-000
Nut
|
08319-31088-000 |
— | ||
| replacement | |||||
|
22
|
22
08319-3108A-000 NUT |
08319-3108A-000 |
from US $1.67 |
||
|
23
|
23
61410-05250-000
Adjuster,chain
|
61410-05250-000 |
— | ||
|
24
|
24
61421-26502-000 ADJUSTER,CHAINPlate |
61421-26502-000 |
from US $3.42 |
||
|
25
|
25
64712-05251-000
Guide washer
|
64712-05251-000 |
— | ||
| replacement | |||||
|
25
|
25
64712-36A10-000 WASHER,CHAIN ADJUSTER,RWasher, rh |
64712-36A10-000 |
from US $2.39 |
||
|
26
|
26
08319-31088-000
Nut
|
08319-31088-000 |
— | ||
| replacement | |||||
|
26
|
26
08319-3108A-000 NUT |
08319-3108A-000 |
from US $1.67 |
||
|
27
|
27
65100-20560-000
Tire, rear (3.50*18)
Tire, rear (3.50*18); Irc |
65100-20560-000 |
— | ||
|
28
|
28
65200-33030-000
Tube, inner
|
65200-33030-000 |
— | ||
| replacement | |||||
|
28
|
28
65200-44AA0-000 TUBE ASSY,INNERTube assy, wheel inner |
65200-44AA0-000 |
US $61.32 |
||
|
29
|
29
55261-11010-000
PROTECTOR,INNER TUBE
Protector, inner tube; |
55261-11010-000 |
— | ||
| replacement | |||||
|
29
|
29
55261-26F10-000 PROTECTOR,INNER TUBEProtector, inner tube; |
55261-26F10-000 |
from US $4.58 |
||
|
30
|
30
65311-20530-000
Rim, wheel (1.85*18 al) gold
Rim, wheel (1.85*18 al) gold; |
65311-20530-000 |
— | ||
|
31
|
31
65320-20510-000
Spoke assy, rear
|
65320-20510-000 |
— | ||
|
32
|
32
65270-14300-000 STOPPER,BEADStopper, bead; |
65270-14300-000 |
US $60.52 |
||
|
33
|
33
08310-12088-000
Nut
|
08310-12088-000 |
— | ||
| replacement | |||||
|
33
|
33
08310-00087-000 NUT |
08310-00087-000 |
from US $0.76 |
||
|
34
|
34
08322-11088-000
Washer
|
08322-11088-000 |
— | ||
| replacement | |||||
|
34
|
34
08322-01087-000 WASHERLock washer |
08322-01087-000 |
from US $0.76 |
||