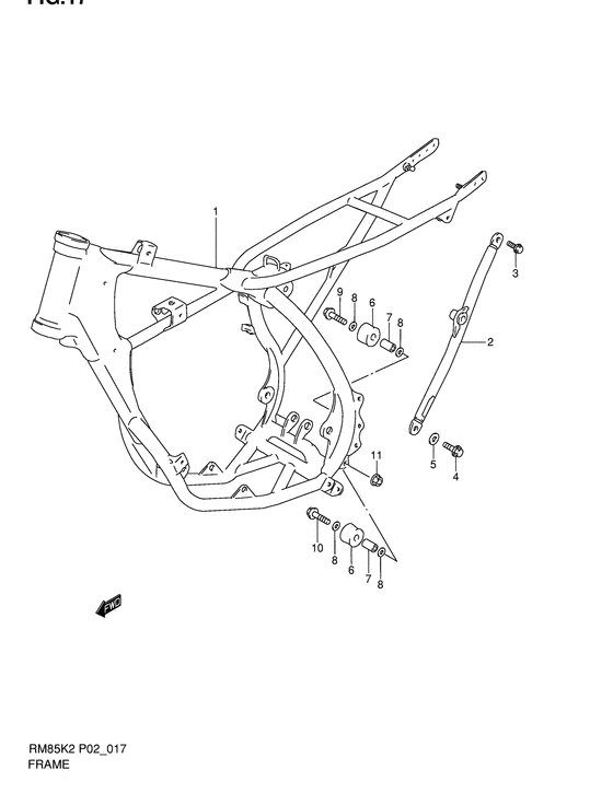
Frame Diagram Suzuki RM85
- Year
- 2002
- Model code
- RM85K2(P2) K2
- Engine Capacity
- 85
- Model
- RM85
Difficulties in parts search?
Difficulties in parts search?
| Description | OEM Part # | Price | |||
|---|---|---|---|---|---|
|
1
|
1
41100-03B80-17U
Frame (gray)
Frame (gray); |
41100-03B80-17U |
— | ||
| replacements | |||||
|
1
|
1
41100-03BA1-YU8
FRAME(GRAY)
Frame (gray); |
41100-03BA1-YU8 |
— | ||
|
1
|
1
42310-03B10-000 STANDFrame (gray); |
42310-03B10-000 |
from US $46.37 |
||
|
2
|
2
41670-02B30-17U
TUBE,FRAME SIDE,L(GRAY)
Tube, frame side lh (gray); |
41670-02B30-17U |
— | ||
|
3
|
3
09100-08274-000 BOLT(8X22)Bolt (8x22) Bolt, upper; |
09100-08274-000 |
from US $5.17 |
||
|
4
|
4
09100-08284-000 BOLT(8X16)Bolt, lower; |
09100-08284-000 |
from US $1.28 |
||
|
5
|
5
09160-08121-000
Washer, lower
|
09160-08121-000 |
— | ||
| replacement | |||||
|
5
|
5
09160-08120-000 WASHER(8.5X18X2) |
09160-08120-000 |
from US $3.47 |
||
|
6
|
6
43911-35B00-000 ROLLER,CHAIN CONTROLRoller, chain control |
43911-35B00-000 |
from US $11.92 |
||
|
7
|
7
09180-08214-000 SPACER(8.6X12.2X25.5) |
09180-08214-000 |
from US $7.06 |
||
|
8
|
8
09181-08167-000 SHIM(8X16X1)Washer, gear shaft Washer; |
09181-08167-000 |
from US $3.09 |
||
|
9
|
9
09103-08178-000 BOLT(8X38)Bolt, upper; |
09103-08178-000 |
from US $7.51 |
||
|
10
|
10
09103-08170-000
Bolt
Bolt, lower; |
09103-08170-000 |
— | ||
| replacement | |||||
|
10
|
10
09103-08339-000 BOLT(8X55)Bolt, lower; |
09103-08339-000 |
from US $1.82 |
||
|
11
|
11
08319-31087-000 NUTNut, lower; |
08319-31087-000 |
from US $1.67 |
||