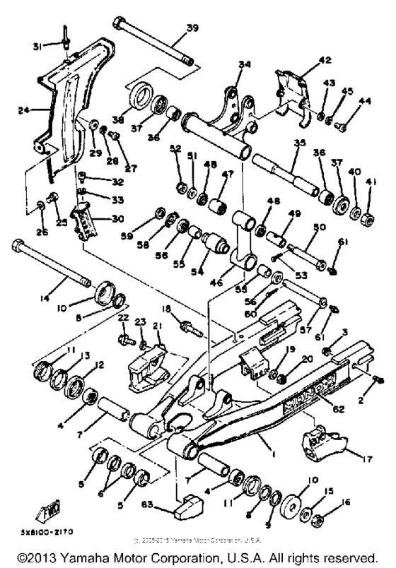
Swing arm Diagram Yamaha IT
- Year
- 1982
- Sales region
- USA
- Engine Capacity
- 175
- Model
- IT175
Difficulties in parts search?
Difficulties in parts search?
| Description | OEM Part # | Price | |||
|---|---|---|---|---|---|
|
1
|
1
5X8-22110-00-35
Rear Arm
|
5X8-22110-00-35 |
— | ||
|
2
|
2
901-09085-99-00
Bolt
|
901-09085-99-00 |
— | ||
|
3
|
3
95701-08500-00 Nut, Flange (95702-08500-00) |
95701-08500-00 |
from US $1.07 |
||
| replacements | |||||
|
3
|
3
95704-08500-00 Nut, Flange |
95704-08500-00 |
from US $1.07 |
||
|
3
|
3
90179-08491-00 Nut(55X) |
90179-08491-00 |
from US $1.28 |
||
|
4
|
4
93317-22208-00 Bearing, Cylinder.#17 |
93317-22208-00 |
from US $24.09 |
||
|
5
|
5
90386-22097-00 Bush, Spec''l Nylon |
90386-22097-00 |
US $20.56 |
||
|
6
|
6
93109-22018-00
Oil Seal, Sdo-Type
|
93109-22018-00 |
— | ||
|
7
|
7
90380-16077-00 Bush, Solid |
90380-16077-00 |
from US $45.88 |
||
|
8
|
8
90201-22680-00
Washer, Plate
|
90201-22680-00 |
— | ||
|
9
|
9
240-22127-00-00 Shim (0.3T)Shim,rear arm (26-34-0.1) 0.3T U.N. |
240-22127-00-00 |
from US $8.78 |
||
|
10
|
10
2K6-22128-01-00 Cover, Thrust 1 |
2K6-22128-01-00 |
from US $29.19 |
||
|
11
|
11
93108-35004-00 Oil Seal (35-41-8)35-41-8 |
93108-35004-00 |
from US $7.37 |
||
|
12
|
12
5X6-22151-10-00 Seal, Guard |
5X6-22151-10-00 |
from US $23.94 |
||
|
13
|
13
90387-440G3-00 Collar |
90387-440G3-00 |
from US $4.30 |
||
|
14
|
14
5X4-22141-01-00
Shaft, Pivot
|
5X4-22141-01-00 |
— | ||
|
15
|
15
902-01160-F6-00 Washer, Plate |
902-01160-F6-00 |
from US $7.37 |
||
|
16
|
16
901-70161-11-00
Nut
|
901-70161-11-00 |
— | ||
|
17
|
17
5X4-22199-00-00 Support, Chain |
5X4-22199-00-00 |
from US $6.62 |
||
|
18
|
18
958-11080-45-00
Bolt, Flange
|
958-11080-45-00 |
— | ||
| replacements | |||||
|
18
|
18
95814-08045-00 Bolt, Flange |
95814-08045-00 |
from US $2.83 |
||
|
18
|
18
95817-08045-00 Bolt, Flange(Jn5) |
95817-08045-00 |
from US $1.07 |
||
|
19
|
19
929-01086-00-00
Washer
|
929-01086-00-00 |
— | ||
| replacement | |||||
|
19
|
19
92990-08600-00 Washer, Plate |
92990-08600-00 |
from US $1.34 |
||
|
20
|
20
95611-08100-00 Nut (2H1) |
95611-08100-00 |
from US $3.26 |
||
| replacement | |||||
|
20
|
20
95617-08100-00 Nut, U |
95617-08100-00 |
from US $3.26 |
||
|
21
|
21
5X6-22147-01-00 Protector, Chain |
5X6-22147-01-00 |
from US $20.83 |
||
|
22
|
22
95811-06020-00 Bolt, Flange |
95811-06020-00 |
from US $1.13 |
||
| replacement | |||||
|
22
|
22
95817-06020-00 Bolt, Flange |
95817-06020-00 |
from US $1.13 |
||
|
23
|
23
90201-06067-00 Washer, Plate |
90201-06067-00 |
from US $1.28 |
||
| replacement | |||||
|
23
|
23
90201-06380-00 Washer Plain |
90201-06380-00 |
from US $0.86 |
||
|
24
|
24
929-95061-00-00 Washer, Spring |
929-95061-00-00 |
from US $0.99 |
||
|
24
|
24
985-11060-25-00
Screw Pan Head
|
985-11060-25-00 |
— | ||
| replacement | |||||
|
24
|
24
98517-06025-00 Screw, Pan Head |
98517-06025-00 |
from US $1.42 |
||
|
24
|
24
903-87065-J6-00
Collar
|
903-87065-J6-00 |
— | ||
| replacement | |||||
|
24
|
24
903-87061-59-00 Collar |
903-87061-59-00 |
from US $1.56 |
||
|
24
|
24
999-99014-13-00
Case, Chain
|
999-99014-13-00 |
— | ||
|
24
|
24
5X8-W2231-01-00
Case, Chain
|
5X8-W2231-01-00 |
— | ||
| replacement | |||||
|
24
|
24
999-99999-99-00
Not Available
|
999-99999-99-00 |
— | ||
|
25
|
25
985-03060-14-00
Screw, Pan Head
|
985-03060-14-00 |
— | ||
| replacement | |||||
|
25
|
25
98507-06014-00 Screw, Pan Head |
98507-06014-00 |
from US $1.07 |
||
|
26
|
26
929-95061-00-00 Washer, Spring |
929-95061-00-00 |
from US $0.99 |
||
|
27
|
27
98580-06020-00 Screw, Pan Head |
98580-06020-00 |
from US $1.07 |
||
|
28
|
28
929-95061-00-00 Washer, Spring |
929-95061-00-00 |
from US $0.99 |
||
|
29
|
29
90201-063J2-00 Washer, Plate(36Y) |
90201-063J2-00 |
from US $3.12 |
||
|
30
|
30
5X8-22321-00-00
Stay, Chain Case 1
|
5X8-22321-00-00 |
— | ||
|
31
|
31
90267-40075-00 Rivet, Blind |
90267-40075-00 |
from US $1.42 |
||
| replacement | |||||
|
31
|
31
902-67400-80-00
Rivet, Blind (5H0)
|
902-67400-80-00 |
— | ||
|
32
|
32
985-80060-12-00
Screw, Pan Head
|
985-80060-12-00 |
— | ||
| replacement | |||||
|
32
|
32
97885-06012-00 Screw, Pan Head |
97885-06012-00 |
from US $1.56 |
||
|
33
|
33
929-95061-00-00 Washer, Spring |
929-95061-00-00 |
from US $0.99 |
||
|
34
|
34
5X3-2217A-00-00
Arm, Relay
|
5X3-2217A-00-00 |
— | ||
|
35
|
35
903-87163-F6-00
Collar
|
903-87163-F6-00 |
— | ||
|
36
|
36
93317-22208-00 Bearing, Cylinder.#17 |
93317-22208-00 |
from US $24.09 |
||
|
37
|
37
322-22128-01-00 Cover, Thrust 1 |
322-22128-01-00 |
from US $23.66 |
||
|
38
|
38
1W1-22151-00-00
Seal, Guard
|
1W1-22151-00-00 |
— | ||
|
39
|
39
5X4-22141-01-00
Shaft, Pivot
|
5X4-22141-01-00 |
— | ||
|
40
|
40
902-01160-F6-00 Washer, Plate |
902-01160-F6-00 |
from US $7.37 |
||
|
41
|
41
901-70161-11-00
Nut
|
901-70161-11-00 |
— | ||
|
42
|
42
5X3-21652-00-00
Protector
|
5X3-21652-00-00 |
— | ||
|
43
|
43
92990-05200-00 Washer, Plain |
92990-05200-00 |
from US $1.34 |
||
|
44
|
44
98580-05012-00 Screw, Pan Head |
98580-05012-00 |
from US $1.34 |
||
|
45
|
45
92990-05100-00 Washer, Spring |
92990-05100-00 |
from US $1.21 |
||
|
46
|
46
5X3-2217F-00-00
Rod, Connecting 1
|
5X3-2217F-00-00 |
— | ||
|
47
|
47
933-15220-46-00 Bearing, Cylinder #15#15 |
933-15220-46-00 |
from US $39.24 |
||
|
48
|
48
931-09200-29-00
Oil Seal
|
931-09200-29-00 |
— | ||
| replacement | |||||
|
48
|
48
93109-20076-00 Oil Seal |
93109-20076-00 |
from US $1.98 |
||
|
49
|
49
90380-14095-00
Bush, Solid
|
90380-14095-00 |
— | ||
|
50
|
50
901-09126-46-00
Bolt
|
901-09126-46-00 |
— | ||
|
51
|
51
90201-120E6-00 Washer, Plate |
90201-120E6-00 |
from US $2.55 |
||
| replacement | |||||
|
51
|
51
90201-12027-00 Washer, Plate |
90201-12027-00 |
from US $2.32 |
||
|
52
|
52
901-85121-19-00 Nut, Self Locking (23X) |
901-85121-19-00 |
from US $7.79 |
||
|
53
|
53
914-01250-20-00
Pin. Cotter
|
914-01250-20-00 |
— | ||
| replacement | |||||
|
53
|
53
91490-25020-00 Pin. Cotter |
91490-25020-00 |
from US $1.34 |
||
|
54
|
54
5X6-22123-00-00
Bush 1
|
5X6-22123-00-00 |
— | ||
|
55
|
55
903-84161-56-00
Bush, Bimetal Form
|
903-84161-56-00 |
— | ||
|
56
|
56
5X6-2217H-00-00
Cover, Dust
|
5X6-2217H-00-00 |
— | ||
|
57
|
57
902-49161-53-00
Pin, Spec''l Shape
|
902-49161-53-00 |
— | ||
|
58
|
58
902-15161-98-00
Washer, Lock
|
902-15161-98-00 |
— | ||
|
59
|
59
902-01162-43-00 Washer, Plate |
902-01162-43-00 |
from US $1.84 |
||
| replacement | |||||
|
59
|
59
90201-17682-00 Washer, Plate |
90201-17682-00 |
from US $1.84 |
||
|
60
|
60
91401-40040-00 Pin,cotter |
91401-40040-00 |
from US $3.54 |
||
| replacement | |||||
|
60
|
60
91490-40045-00 Pin. Cotter |
91490-40045-00 |
from US $2.66 |
||
|
61
|
61
93700-06M03-00 Nipple, Grease |
93700-06M03-00 |
from US $2.66 |
||
|
62
|
62
5X6-2218A-00-00
Emblem, Rear Arm
|
5X6-2218A-00-00 |
— | ||
|
63
|
63
5X4-2214F-00-00
Damper 1
|
5X4-2214F-00-00 |
— | ||