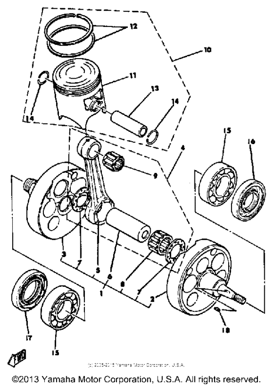
Crankshaft & Piston Diagram Yamaha IT
- Year
- 1983
- Sales region
- USA
- Engine Capacity
- 250
- Model
- IT250
Difficulties in parts search?
Difficulties in parts search?
| Description | OEM Part # | Price | |||
|---|---|---|---|---|---|
|
1
|
1
25Y-11400-00-00
Crankshaft Assembly
|
25Y-11400-00-00 |
— | ||
|
2
|
2
38W-11412-00-00
Crank 1
|
38W-11412-00-00 |
— | ||
|
3
|
3
25Y-11422-00-00
Crank 2
|
25Y-11422-00-00 |
— | ||
|
4
|
4
24Y-11650-01-00 Connecting Rod Assembly |
24Y-11650-01-00 |
US $250.09 |
||
|
5
|
5
24Y-11651-01-00
Rod, Connecting
|
24Y-11651-01-00 |
— | ||
|
6
|
6
2X4-11681-00-00 Pin, Crank 1 |
2X4-11681-00-00 |
from US $73.36 |
||
|
7
|
7
90209-25085-00 Washer, (90209-25220)90209-25220 |
90209-25085-00 |
from US $11.62 |
||
|
8
|
8
933-10425-N4-00
Bearing, Cylindrical
|
933-10425-N4-00 |
— | ||
| replacement | |||||
|
8
|
8
93310-425P2-00 Bearing |
93310-425P2-00 |
from US $23.48 |
||
|
9
|
9
93310-418E9-00 Bearing |
93310-418E9-00 |
from US $14.22 |
||
|
11
|
11
25Y-11630-00-00
Piston Kit Std (Std)
|
25Y-11630-00-00 |
— | ||
|
11
|
11
25Y-11631-00-96
Piston Std
|
25Y-11631-00-96 |
— | ||
| replacement | |||||
|
11
|
11
38W-11630-01-00
PISTON 20/S .50
|
38W-11630-01-00 |
— | ||
|
12
|
12
25Y-11601-00-00
Piston Ringset Std
|
25Y-11601-00-00 |
— | ||
|
13
|
13
214-11633-00-00 Pin, Piston |
214-11633-00-00 |
from US $17.87 |
||
|
14
|
14
934-50190-52-00 Circlip |
934-50190-52-00 |
from US $1.66 |
||
|
15
|
15
933-06206-27-00 Bearing (5X5) |
933-06206-27-00 |
from US $30.76 |
||
|
16
|
16
93103-30150-00 Oil Seal (38W)38W |
93103-30150-00 |
from US $18.42 |
||
|
17
|
17
93103-40091-00 Oil Seal |
93103-40091-00 |
from US $21.54 |
||
|
18
|
18
90280-03017-00 Key, Woodruff |
90280-03017-00 |
from US $1.70 |
||
|
18
|
18
25Y-11630-10-00
Piston Kit 1St (1St O/s)
1ST 1ST O/S ALTERNATE PARTS |
25Y-11630-10-00 |
— | ||
|
18
|
18
25Y-11630-20-00
Piston Kit 2Nd (2Nd O/s)
2ND 2ND O/S ALTERNATE PARTS |
25Y-11630-20-00 |
— | ||
|
18
|
18
25Y-11630-30-00
Piston Kit 3Rd
3RD ALTERNATE PARTS |
25Y-11630-30-00 |
— | ||
|
18
|
18
25Y-11630-40-00
Piston Kit 4Th
4TH ALTERNATE PARTS |
25Y-11630-40-00 |
— | ||
|
18
|
18
25Y-11635-00-00
Piston 1 O/s 0.25 (1St O/s 0.25
O/S 0.25 1ST O/S 0.25 ALTERNATE PARTS |
25Y-11635-00-00 |
— | ||
| replacement | |||||
|
18
|
18
38W-11630-11-00
STATOR ASSY
O/S 0.25 1ST O/S 0.25 ALTERNATE PARTS |
38W-11630-11-00 |
— | ||
|
18
|
18
25Y-11636-00-00
Piston 2 O/s 0.50 (2Nd O/s 0.50
O/S 0.50 2ND O/S 0.50 ALTERNATE PARTS |
25Y-11636-00-00 |
— | ||
| replacement | |||||
|
18
|
18
38W-11630-21-00
COIL,CHARGE
O/S 0.50 2ND O/S 0.50 ALTERNATE PARTS |
38W-11630-21-00 |
— | ||
|
18
|
18
25Y-11637-00-00
Piston 3 O/s 0.75 (3Rd O/s 0.75
O/S 0.75 3RD O/S 0.75 ALTERNATE PARTS |
25Y-11637-00-00 |
— | ||
|
18
|
18
25Y-11638-00-00
Piston 4 O/s 1.00 (4Th O/s 1.00
O/S 1.00 4TH O/S 1.00 ALTERNATE PARTS |
25Y-11638-00-00 |
— | ||
|
18
|
18
25Y-11601-10-00
Piston Ringset 1St (1St O/s)
1ST 1ST O/S ALTERNATE PARTS |
25Y-11601-10-00 |
— | ||
|
18
|
18
25Y-11601-20-00
Piston Ringset 2Nd (2Nd O/s)
2ND 2ND O/S ALTERNATE PARTS |
25Y-11601-20-00 |
— | ||
|
18
|
18
25Y-11601-30-00
Piston Ringset 3Rd (3Rd O/s)
3RD 3RD O/S ALTERNATE PARTS |
25Y-11601-30-00 |
— | ||
|
18
|
18
25Y-11601-40-00
Piston Ringset 4Th (4Th O/s)
4TH 4TH O/S ALTERNATE PARTS |
25Y-11601-40-00 |
— | ||