Carburetor Diagram Yamaha RD
- Year
- 1976
- Sales region
- USA
- Engine Capacity
- 400
- Model
- RD400
Difficulties in parts search?
Difficulties in parts search?
| Description | OEM Part # | Price | |||
|---|---|---|---|---|---|
|
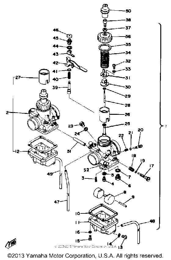
1
|
1
1A1-14101-00-00
Carburetor Assembly 1
|
1A1-14101-00-00 |
— | ||
|
2
|
2
1A1-14102-00-00
Carburetor Assembly 2
|
1A1-14102-00-00 |
— | ||
|
3
|
3
193-14142-25-A0 Jet, Pilot 2525 |
193-14142-25-A0 |
from US $11.88 |
||
|
4
|
4
137-14143-22-A0 Jet, Main #110Jet, main (110) #110 U.R. U.R. |
137-14143-22-A0 |
from US $10.37 |
||
|
4
|
4
137-14143-24-00 Jet, Main (#120)Jet, main (120) #120 #120 U.R. U.R. |
137-14143-24-00 |
from US $7.36 |
||
|
4
|
4
137-14143-23-A0 Jet, Main #115Jet, main (115) #115 U.R. U.R. STD |
137-14143-23-A0 |
from US $7.56 |
||
|
5
|
5
137-14153-00-00 Washer,main Jet |
137-14153-00-00 |
from US $2.98 |
||
|
6
|
6
23L-14107-25-00 Needle Valve Set |
23L-14107-25-00 |
from US $48.92 |
||
|
7
|
7
214-14195-00-00 Washer, Valve Seat |
214-14195-00-00 |
from US $2.66 |
||
|
8
|
8
1A0-14185-00-00
Float
|
1A0-14185-00-00 |
— | ||
|
9
|
9
127-14186-00-00 Pin, Float |
127-14186-00-00 |
from US $2.98 |
||
|
10
|
10
360-14184-01-00 Gasket, Float Chamber |
360-14184-01-00 |
from US $31.03 |
||
|
11
|
11
1A0-14181-14-00
Body, Float Chmbr 1
|
1A0-14181-14-00 |
— | ||
|
12
|
12
1A0-14183-00-00
Body, Float Chmbr 2
|
1A0-14183-00-00 |
— | ||
|
13
|
13
266-14191-00-00 Plug, Drain |
266-14191-00-00 |
US $8.50 |
||
|
14
|
14
266-14126-00-00
Gasket
|
266-14126-00-00 |
— | ||
|
15
|
15
985-03040-14-00
Screw, Pan Head
|
985-03040-14-00 |
— | ||
| replacement | |||||
|
15
|
15
98580-04014-00 Screw, Pan Head |
98580-04014-00 |
from US $1.42 |
||
|
16
|
16
929-01041-00-00
Washer, Spring
|
929-01041-00-00 |
— | ||
| replacement | |||||
|
16
|
16
92990-04100-00 Washer, Spring |
92990-04100-00 |
from US $1.21 |
||
|
17
|
17
493-14122-00-00
Screw, Throttle
|
493-14122-00-00 |
— | ||
|
18
|
18
493-14133-00-00 Spring, Throttle Stop |
493-14133-00-00 |
US $10.43 |
||
|
19
|
19
214-14147-00-00 O-Ring |
214-14147-00-00 |
from US $10.66 |
||
|
20
|
20
10W-14104-00-00 Air Screw Set |
10W-14104-00-00 |
from US $16.47 |
||
|
21
|
21
354-14147-00-00 O-Ring |
354-14147-00-00 |
from US $8.78 |
||
|
22
|
22
127-14134-00-00 Spring, Air Adj |
127-14134-00-00 |
from US $9.49 |
||
|
23
|
23
1A0-14991-00-00
Screw
|
1A0-14991-00-00 |
— | ||
|
24
|
24
256-14956-01-00 Washer |
256-14956-01-00 |
from US $3.26 |
||
|
25
|
25
360-14141-42-00
Nozzle, Main
|
360-14141-42-00 |
— | ||
|
26
|
26
1A0-14112-25-00
Valve, Throttle 1
|
1A0-14112-25-00 |
— | ||
|
27
|
27
1A0-14113-25-00
Valve, Throttle 2
|
1A0-14113-25-00 |
— | ||
|
28
|
28
522-14116-01-00
Needle
|
522-14116-01-00 |
— | ||
|
29
|
29
164-14137-00-00
Clip
|
164-14137-00-00 |
— | ||
| replacement | |||||
|
29
|
29
3FA-14137-00-00 Clip |
3FA-14137-00-00 |
from US $2.69 |
||
|
30
|
30
1A0-14243-00-00
Plate
|
1A0-14243-00-00 |
— | ||
|
31
|
31
1A0-14253-00-00
Spring
|
1A0-14253-00-00 |
— | ||
|
32
|
32
98580-03010-00 Screw Pan Head |
98580-03010-00 |
from US $1.98 |
||
|
33
|
33
92990-03100-00 Washer, Spring |
92990-03100-00 |
from US $1.21 |
||
|
34
|
34
360-14131-00-00
Spring, Throttle Valve
|
360-14131-00-00 |
— | ||
| replacement | |||||
|
34
|
34
999-99999-99-00
Not Available
|
999-99999-99-00 |
— | ||
|
35
|
35
246-14126-00-00 Gasket |
246-14126-00-00 |
from US $5.81 |
||
|
36
|
36
802-14158-00-00
Top, Mixing Chamber
|
802-14158-00-00 |
— | ||
|
37
|
37
802-14161-00-00 Nut, Cable Adjusting |
802-14161-00-00 |
from US $2 |
||
|
38
|
38
360-14124-20-00
Screw, Cable Adjusting
|
360-14124-20-00 |
— | ||
|
39
|
39
1A0-14171-00-00 Plunger, Starter |
1A0-14171-00-00 |
US $12.33 |
||
|
40
|
40
256-14135-00-00
Coil, Spring
|
256-14135-00-00 |
— | ||
|
41
|
41
93220-09001-00 O-Ring |
93220-09001-00 |
from US $6.28 |
||
|
42
|
42
1A0-14175-00-00
Lever, Starter 1
|
1A0-14175-00-00 |
— | ||
|
43
|
43
170-14178-00-00
Plate, Starter Lever
|
170-14178-00-00 |
— | ||
|
44
|
44
132-14179-00-00
Washer, Starter Lvr
|
132-14179-00-00 |
— | ||
|
44
|
44
1A0-14179-00-00
Washer, Starter Lever
|
1A0-14179-00-00 |
— | ||
|
45
|
45
500-14174-00-00
Cap, Plunger
|
500-14174-00-00 |
— | ||
|
46
|
46
802-14173-00-00
Cover, Plunger Cap
|
802-14173-00-00 |
— | ||
|
47
|
47
1A0-14197-00-00
Hose
|
1A0-14197-00-00 |
— | ||
| replacement | |||||
|
47
|
47
88R-14987-00-00
Hose
|
88R-14987-00-00 |
— | ||
|
47
|
47
510-14197-00-00
Pipe (43214-19700-00)
43214-19700-00 |
510-14197-00-00 |
— | ||
| replacement | |||||
|
47
|
47
999-99999-99-00
Not Available
43214-19700-00 |
999-99999-99-00 |
— | ||
|
48
|
48
278-14197-00-00 Pipe, Air Vent |
278-14197-00-00 |
from US $12.20 |
||
| replacement | |||||
|
48
|
48
3XV-14348-20-00 Pipe 1 |
3XV-14348-20-00 |
from US $21.10 |
||
|
48
|
48
47X-14196-00-00 Hose (L700) |
47X-14196-00-00 |
US $4.96 |
||
| replacement | |||||
|
48
|
48
904-4505M-07-00 Hose (L700) |
904-4505M-07-00 |
from US $4.34 |
||
|
49
|
49
47X-14196-00-00 Hose (L700) |
47X-14196-00-00 |
US $4.96 |
||
| replacement | |||||
|
49
|
49
904-4505M-07-00 Hose (L700) |
904-4505M-07-00 |
from US $4.34 |
||
|
50
|
50
1A0-14169-00-00
Cap
|
1A0-14169-00-00 |
— | ||
|
51
|
51
90445-09056-00 Hose (L420) |
90445-09056-00 |
from US $6.52 |
||
| replacement | |||||
|
51
|
51
904-45092-K1-00 Hose (L420) |
904-45092-K1-00 |
from US $4.96 |
||
|
52
|
52
1A1-14000-99-00
Nozzle
|
1A1-14000-99-00 |
— | ||