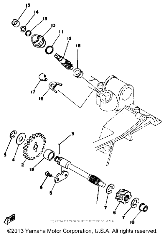
Tachometer gear Diagram Yamaha RD
- Year
- 1976
- Sales region
- USA
- Engine Capacity
- 400
- Model
- RD400
Difficulties in parts search?
Difficulties in parts search?
| Description | OEM Part # | Price | |||
|---|---|---|---|---|---|
|
1
|
1
278-17861-00-00
Axle, Drive Gear
|
278-17861-00-00 |
— | ||
| replacement | |||||
|
1
|
1
999-99999-99-00
Not Available
|
999-99999-99-00 |
— | ||
|
2
|
2
278-17851-00-00
Gear, Primary (20T)
20T |
278-17851-00-00 |
— | ||
|
3
|
3
93603-22028-00 Pin, Dowel |
93603-22028-00 |
from US $1.66 |
||
|
4
|
4
90201-105J4-00 Washer, Plate(52H) |
90201-105J4-00 |
from US $2.55 |
||
|
5
|
5
99001-08600-00 Circlip |
99001-08600-00 |
from US $1.42 |
||
|
6
|
6
278-17831-00-00
Gear, Drive
|
278-17831-00-00 |
— | ||
|
7
|
7
99006-10600-00 Circlip |
99006-10600-00 |
from US $1.34 |
||
|
8
|
8
278-17812-00-00
Stopper
|
278-17812-00-00 |
— | ||
|
9
|
9
98701-05012-00 Screw, Countersunk |
98701-05012-00 |
from US $1.26 |
||
| replacement | |||||
|
9
|
9
98707-05012-00 Screw, Countersunk |
98707-05012-00 |
from US $1.98 |
||
|
10
|
10
353-17810-00-00
Housing Assembly, Tach (214-178
214-178 |
353-17810-00-00 |
— | ||
|
11
|
11
93210-13016-00 O-Ring |
93210-13016-00 |
from US $1.98 |
||
|
12
|
12
214-17841-01-00
Gear, Driven
|
214-17841-01-00 |
— | ||
|
13
|
13
93210-07100-00 O-Ring |
93210-07100-00 |
from US $1.34 |
||
|
14
|
14
214-17847-00-00
Shim (7.5-10.8-0.4)
7.5-10.8-0.4 |
214-17847-00-00 |
— | ||
| replacement | |||||
|
14
|
14
999-99999-99-00
Not Available
7.5-10.8-0.4 |
999-99999-99-00 |
— | ||
|
15
|
15
903-83100-05-00
Bush, Formed (214-17815-00)
214-17815-00 |
903-83100-05-00 |
— | ||
| replacement | |||||
|
15
|
15
999-99999-99-00
Not Available
214-17815-00 |
999-99999-99-00 |
— | ||
|
16
|
16
5U7-17812-00-00
Stopper
|
5U7-17812-00-00 |
— | ||
|
17
|
17
970-11060-10-00
Bolt
|
970-11060-10-00 |
— | ||
| replacement | |||||
|
17
|
17
97017-06010-00 Bolt |
97017-06010-00 |
from US $1.34 |
||
|
18
|
18
90381-08002-00 Bush, Solid |
90381-08002-00 |
from US $2.66 |
||
|
19
|
19
90380-14040-00
Bush, Solid
|
90380-14040-00 |
— | ||