Generator Diagram Yamaha RT100
- Year
- 1995
- Colour
- Purplish White Solid 1 (PW S1; 0206)
- Model code
- 3UL6
- Sales region
- Canada (999)
- Engine Capacity
- 100
- Model
- RT100
Difficulties in parts search?
Parts list
Difficulties in parts search?
| Description | OEM Part # | Price | |||
|---|---|---|---|---|---|
|
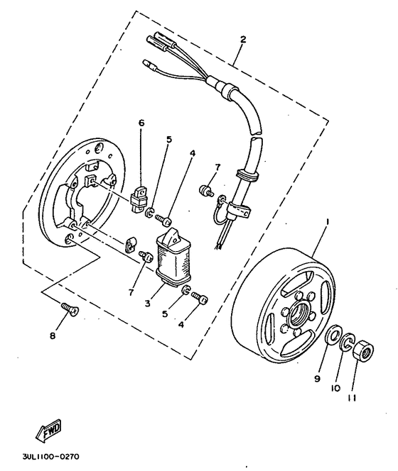
01
|
01
3M2-85550-20-00
Rotor Assembly
|
3M2-85550-20-00 |
— | ||
|
02
|
02
3M2-85510-21-00
Stator Assembly
|
3M2-85510-21-00 |
— | ||
|
03
|
03
3M2-85512-20-00
Coil, Source
|
3M2-85512-20-00 |
— | ||
|
04
|
04
985-03040-14-00
Screw, Pan Head
|
985-03040-14-00 |
— | ||
| replacement | |||||
|
04
|
04
98580-04014-00 Screw, Pan Head |
98580-04014-00 |
from US $1.42 |
||
|
05
|
05
929-01041-00-00
Washer, Spring
|
929-01041-00-00 |
— | ||
| replacement | |||||
|
05
|
05
92990-04100-00 Washer, Spring |
92990-04100-00 |
from US $1.21 |
||
|
06
|
06
3M2-85580-20-00
Coil, Pulser
|
3M2-85580-20-00 |
— | ||
|
07
|
07
110-81345-21-00 Screw, Pan Head |
110-81345-21-00 |
US $1.56 |
||
| replacement | |||||
|
07
|
07
98517-04006-00 Screw, Pan Head |
98517-04006-00 |
from US $1.28 |
||
|
08
|
08
98707-06012-00 Screw, Flat Head |
98707-06012-00 |
from US $2.09 |
||
|
09
|
09
90201-12535-00 Washer, Plate |
90201-12535-00 |
from US $2.27 |
||
|
10
|
10
92907-12100-00 Washer, Spring |
92907-12100-00 |
from US $1.50 |
||
|
11
|
11
90170-12175-00 Nut |
90170-12175-00 |
from US $2.55 |
||