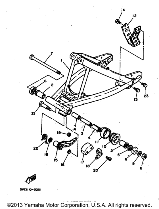
Rear arm & suspension Diagram Yamaha RT180
- Year
- 1995
- Sales region
- USA
- Engine Capacity
- 180
- Model
- RT180
Difficulties in parts search?
Difficulties in parts search?
| Description | OEM Part # | Price | |||
|---|---|---|---|---|---|
|
1
|
1
3VC-F2110-00-35
Rear Arm Comp
|
3VC-F2110-00-35 |
— | ||
|
2
|
2
90386-18028-00 Bush |
90386-18028-00 |
from US $8.28 |
||
|
3
|
3
42L-F2124-00-00 Bush 2 |
42L-F2124-00-00 |
US $9.67 |
||
|
4
|
4
903-80121-20-09
Bush, Solid
|
903-80121-20-09 |
— | ||
| replacement | |||||
|
4
|
4
903-80121-20-00
Bush, Solid
|
903-80121-20-00 |
— | ||
|
5
|
5
401-22127-00-00 ShimUN |
401-22127-00-00 |
from US $3.12 |
||
|
6
|
6
401-22128-01-00 Cover, Thrust 1 |
401-22128-01-00 |
from US $8.28 |
||
|
7
|
7
2N4-22141-00-00 Shaft, Pivot |
2N4-22141-00-00 |
from US $28.76 |
||
|
8
|
8
901-85128-01-09 Nut, Self-Locking |
901-85128-01-09 |
US $5.29 |
||
| replacement | |||||
|
8
|
8
95717-12300-00 Nut, Flange |
95717-12300-00 |
from US $2.66 |
||
|
9
|
9
92907-12100-00 Washer, Spring |
92907-12100-00 |
from US $1.50 |
||
|
10
|
10
2A6-22151-00-00 Seal, Guard |
2A6-22151-00-00 |
from US $10.37 |
||
|
11
|
11
2A6-22152-00-00 Seal, Guard |
2A6-22152-00-00 |
from US $3.32 |
||
|
12
|
12
2A6-22318-00-00 Guard, Chain |
2A6-22318-00-00 |
from US $23.66 |
||
|
13
|
13
975-02064-20-09
Bolt, With Washer
|
975-02064-20-09 |
— | ||
|
14
|
14
975-02084-12-09 Bolt, With Washer |
975-02084-12-09 |
US $1.73 |
||
| replacement | |||||
|
14
|
14
975-06085-12-00 Bolt, With Washer |
975-06085-12-00 |
US $0.59 |
||
|
15
|
15
2A6-22179-00-00 Arm, Tensioner |
2A6-22179-00-00 |
from US $32.06 |
||
| replacement | |||||
|
15
|
15
2A6-22179-01-00 Arm, Tensioner |
2A6-22179-01-00 |
from US $41.63 |
||
|
16
|
16
93104-14044-00 Oil Seal |
93104-14044-00 |
from US $5.67 |
||
| replacement | |||||
|
16
|
16
93109-14021-00 Oil Seal |
93109-14021-00 |
from US $5.67 |
||
|
17
|
17
ACC-11130-00-25
Tensioner (2N0-22178-00-00)
2N0-22178-00-00 |
ACC-11130-00-25 |
— | ||
|
18
|
18
1W1-22187-00-00 Guide, Chain |
1W1-22187-00-00 |
from US $10.73 |
||
|
19
|
19
95380-05600-00 Nut |
95380-05600-00 |
from US $1.42 |
||
|
20
|
20
98507-05035-00 Screw, Pan Head |
98507-05035-00 |
from US $1.42 |
||
|
21
|
21
90109-10483-00 Bolt (90109-10533-00)90109-10533-00 |
90109-10483-00 |
from US $11.21 |
||
|
22
|
22
90508-35350-00 Spring, Torsion |
90508-35350-00 |
from US $8.22 |
||
|
23
|
23
975-02052-16-09
Bolt, With Washer
|
975-02052-16-09 |
— | ||