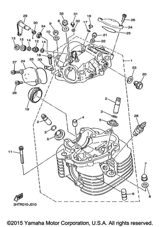
Cylinder head Diagram Yamaha SR400
- Year
- 2016
- Sales region
- USA
- Базовая модель
- SR400GB
- Engine Capacity
- 400
- Model
- SR400
Difficulties in parts search?
Difficulties in parts search?
| Description | OEM Part # | Price | |||
|---|---|---|---|---|---|
|
1
|
1
3HT-11101-R9-00 Cylinder Head Assy |
3HT-11101-R9-00 |
from US $1,381.39 |
||
|
2
|
2
4X7-11133-10-00 Guide, In./ex. Valve |
4X7-11133-10-00 |
from US $39.51 |
||
|
3
|
3
93440-14086-00 Circlip |
93440-14086-00 |
from US $1.70 |
||
|
4
|
4
99530-14016-00 Pin, Dowel |
99530-14016-00 |
from US $1.56 |
||
|
5
|
5
4X7-12116-00-00 Seat, Valve Spring |
4X7-12116-00-00 |
from US $5.81 |
||
|
6
|
6
1JK-11127-00-00 Absorber 3 |
1JK-11127-00-00 |
from US $3.26 |
||
| replacement | |||||
|
6
|
6
583-11127-00-00 Absorber 3 |
583-11127-00-00 |
from US $3.26 |
||
|
7
|
7
901-76100-05-00 Nut, Crown |
901-76100-05-00 |
from US $2.55 |
||
|
8
|
8
90201-10124-00 Washer, Plate |
90201-10124-00 |
from US $1.70 |
||
|
9
|
9
95302-08600-00 Nut, Hexagon |
95302-08600-00 |
from US $1.42 |
||
| replacements | |||||
|
9
|
9
997-80086-00-00 Nut, Hex |
997-80086-00-00 |
from US $1.59 |
||
|
9
|
9
953-33086-00-00 Nut |
953-33086-00-00 |
from US $1.42 |
||
|
10
|
10
902-01080-81-00 Washer, Plate |
902-01080-81-00 |
from US $1.70 |
||
|
11
|
11
91312-06055-00 Bolt |
91312-06055-00 |
from US $1.50 |
||
| replacement | |||||
|
11
|
11
901-1006X-75-00
Bolt, Hexagon Socket Head(M01)
|
901-1006X-75-00 |
— | ||
|
12
|
12
1E6-17841-00-00 Gear, Driven |
1E6-17841-00-00 |
from US $31.59 |
||
|
13
|
13
93101-08132-00 Oil Seal |
93101-08132-00 |
from US $4.82 |
||
| replacement | |||||
|
13
|
13
93102-08307-00 Oil Seal (30X) |
93102-08307-00 |
from US $4.30 |
||
|
14
|
14
90201-08587-00 Washer, Plate |
90201-08587-00 |
from US $1.70 |
||
| replacement | |||||
|
14
|
14
90201-08085-00 Washer, Plate |
90201-08085-00 |
from US $1.34 |
||
|
15
|
15
1E6-17843-00-00 Bush, Drvn Gr Outer |
1E6-17843-00-00 |
from US $10.66 |
||
|
16
|
16
901-09062-76-00 Bolt |
901-09062-76-00 |
from US $2.16 |
||
|
17
|
17
904-30060-14-00 Gasket (Copper washer) |
904-30060-14-00 |
from US $1.28 |
||
|
18
|
18
91314-06025-00 Bolt, Hexagon Socket Head |
91314-06025-00 |
from US $1.56 |
||
|
19
|
19
2J2-11197-00-00 Plug, Blind |
2J2-11197-00-00 |
from US $73.78 |
||
|
20
|
20
903-40140-38-00 Plug, Straight Scrw |
903-40140-38-00 |
from US $4.68 |
||
|
21
|
21
95804-08012-00 Bolt, Flange |
95804-08012-00 |
from US $0.97 |
||
| replacement | |||||
|
21
|
21
95824-08012-00 Bolt, Flange |
95824-08012-00 |
from US $0.94 |
||
|
22
|
22
904-30081-19-00
Gasket
|
904-30081-19-00 |
— | ||
| replacement | |||||
|
22
|
22
90201-08087-00 Washer, Plate 3411117500 |
90201-08087-00 |
from US $1.28 |
||
|
23
|
23
904-30140-43-00 Gasket |
904-30140-43-00 |
from US $1.13 |
||
|
24
|
24
2J2-11186-00-00 Cover, Cylinder.head 2 |
2J2-11186-00-00 |
from US $17.84 |
||
|
25
|
25
93210-49296-00 O-Ring |
93210-49296-00 |
from US $6.66 |
||
|
26
|
26
91314-06018-00 Bolt, Socket |
91314-06018-00 |
from US $1.56 |
||
|
27
|
27
90110-06247-00 Bolt, Hexagon Socket Head |
90110-06247-00 |
from US $1.42 |
||
| replacement | |||||
|
27
|
27
91314-06016-00 Bolt, Hexagon Socket Head |
91314-06016-00 |
from US $1.42 |
||
|
28
|
28
94701-00234-00 Bpr6Es Ngk Splug 4Plug, spark (ngk bpr6es) |
94701-00234-00 |
US $8.62 |
||
| replacement | |||||
|
28
|
28
BPR-6ES00-00-00 element |
BPR-6ES00-00-00 |
US $20.08 |
||
|
29
|
29
583-12288-01-00 Cam, Decompression |
583-12288-01-00 |
from US $23.47 |
||
|
30
|
30
90508-16303-00 Spring, Torsion |
90508-16303-00 |
from US $1.84 |
||
|
31
|
31
901-09062-76-00 Bolt |
901-09062-76-00 |
from US $2.16 |
||
|
32
|
32
904-30060-14-00 Gasket (Copper washer) |
904-30060-14-00 |
from US $1.28 |
||
|
33
|
33
583-12283-00-00 Bracket, Dcomp |
583-12283-00-00 |
from US $7.34 |
||
|
34
|
34
93104-12054-00 Oil Seal, So-Type |
93104-12054-00 |
from US $7.65 |
||
|
35
|
35
90179-10279-00 Nut |
90179-10279-00 |
from US $1.28 |
||