Valve Diagram Yamaha TTR90 TT-R90
- Year
- 2003
- Sales region
- USA
- Engine Capacity
- 900
- Model
- TTR90
Difficulties in parts search?
Difficulties in parts search?
| Description | OEM Part # | Price | |||
|---|---|---|---|---|---|
|
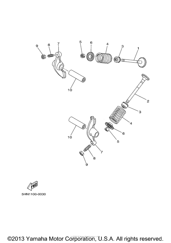
1
|
1
4GL-12111-11-00 Valve, Intake |
4GL-12111-11-00 |
from US $30.89 |
||
|
2
|
2
4GL-12121-01-00 Valve, Exhaust |
4GL-12121-01-00 |
from US $53.33 |
||
|
3
|
3
4SV-12119-00-00 Seal, Valve Stem |
4SV-12119-00-00 |
from US $3.68 |
||
|
4
|
4
5DV-12114-01-00 Spring, Valve Outer |
5DV-12114-01-00 |
from US $5.81 |
||
|
5
|
5
1WG-12118-00-00 Valve Spring Retainer Lock |
1WG-12118-00-00 |
from US $1.84 |
||
|
6
|
6
3UH-12117-00-00 Retainer, Valve Spring |
3UH-12117-00-00 |
from US $7.37 |
||
|
7
|
7
22F-12151-00-00 Arm, Valve Rocker |
22F-12151-00-00 |
from US $24.17 |
||
| replacement | |||||
|
7
|
7
22F-12151-10-00 Arm, Valve Rocker |
22F-12151-10-00 |
from US $34.47 |
||
|
8
|
8
22F-12159-00-00 Screw, Valve Adjusting |
22F-12159-00-00 |
from US $4.39 |
||
|
9
|
9
90170-05302-00 Nut |
90170-05302-00 |
from US $1.34 |
||
|
10
|
10
22F-12156-00-00 Shaft, Rocker 2 |
22F-12156-00-00 |
from US $4.64 |
||