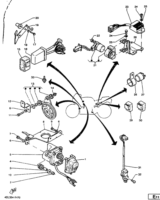
Electrical 2 Diagram Yamaha TZR125
- Year
- 1992
- Colour
- White (WW; 0036)
- Model code
- 4DL2
- Sales region
- Italy (999)
- Engine Capacity
- 125
- Model
- TZR125
Difficulties in parts search?
Difficulties in parts search?
| Description | OEM Part # | Price | |||
|---|---|---|---|---|---|
|
01
|
01
34X-85825-00-00 Cover, Wire |
34X-85825-00-00 |
from US $18.59 |
||
| replacement | |||||
|
01
|
01
34X-85825-01-00 Cover, Wire |
34X-85825-01-00 |
US $18.59 |
||
|
02
|
02
95712-06300-00
New Genuine Part
|
95712-06300-00 |
— | ||
| replacement | |||||
|
02
|
02
957-12063-00-BL
Nut, Flange
|
957-12063-00-BL |
— | ||
|
03
|
03
90387-06299-00 Collar |
90387-06299-00 |
from US $1.70 |
||
| replacements | |||||
|
03
|
03
903-87075-98-00 Collar (1T2) |
903-87075-98-00 |
from US $1.70 |
||
|
03
|
03
90387-06553-00 Collar (1M1) |
90387-06553-00 |
from US $1.98 |
||
|
04
|
04
90480-14023-00 Grommet 839774310000 |
90480-14023-00 |
from US $1.56 |
||
|
05
|
05
4DL-85820-70-00
Servo Motor Assy
|
4DL-85820-70-00 |
— | ||
|
06
|
06
92902-06600-00 Washer, Plate |
92902-06600-00 |
US $1.07 |
||
| replacement | |||||
|
06
|
06
929-90066-00-00 Washer, Plain (646) |
929-90066-00-00 |
from US $1.07 |
||
|
07
|
07
90101-06030-00 Bolt |
90101-06030-00 |
from US $10.48 |
||
| replacement | |||||
|
07
|
07
90101-06278-00 Bolt |
90101-06278-00 |
from US $1.54 |
||
|
08
|
08
4DL-H5824-00-00
Bracket, Cable
|
4DL-H5824-00-00 |
— | ||
| replacement | |||||
|
08
|
08
999-99999-99-00
Not Available
|
999-99999-99-00 |
— | ||
|
09
|
09
97001-06020-00 Bolt(78G) |
97001-06020-00 |
from US $1.07 |
||
| replacement | |||||
|
09
|
09
970-17060-20-00 Bolt |
970-17060-20-00 |
from US $1.07 |
||
|
10
|
10
929-02062-00-00
Washer, Plain
|
929-02062-00-00 |
— | ||
| replacement | |||||
|
10
|
10
92990-06200-00 Washer, Plain |
92990-06200-00 |
from US $1.07 |
||
|
11
|
11
90101-06022-00
Bolt
|
90101-06022-00 |
— | ||
| replacement | |||||
|
11
|
11
901-01060-22-BL
Bolt
|
901-01060-22-BL |
— | ||
|
12
|
12
4DL-H3378-00-00
Stay, Horn
|
4DL-H3378-00-00 |
— | ||
|
13
|
13
3SH-H3371-00-00
Horn
|
3SH-H3371-00-00 |
— | ||
| replacement | |||||
|
13
|
13
4SU-H3371-00-00
Horn
|
4SU-H3371-00-00 |
— | ||
|
14
|
14
95702-06100-00 Nut, Flange |
95702-06100-00 |
from US $1.13 |
||
| replacement | |||||
|
14
|
14
95780-06500-00 Nut, Flange |
95780-06500-00 |
from US $1.13 |
||
|
15
|
15
3MB-85546-00-00 Band |
3MB-85546-00-00 |
from US $8.36 |
||
|
16
|
16
4DL-85540-00-00
C.d.i. Unit Assy
|
4DL-85540-00-00 |
— | ||
|
17
|
17
97001-06025-00 Bolt(53L) |
97001-06025-00 |
from US $1.42 |
||
| replacement | |||||
|
17
|
17
970-17060-25-00 Bolt |
970-17060-25-00 |
from US $1.34 |
||
|
18
|
18
92902-06600-00 Washer, Plate |
92902-06600-00 |
US $1.07 |
||
| replacement | |||||
|
18
|
18
929-90066-00-00 Washer, Plain (646) |
929-90066-00-00 |
from US $1.07 |
||
|
19
|
19
4DL-H5542-01-00
Bracket
|
4DL-H5542-01-00 |
— | ||
|
20
|
20
90179-06524-00 Nut |
90179-06524-00 |
from US $3.40 |
||
|
21
|
21
3AY-81940-00-00
Starter Relay Assy (Ms5D-611)
|
3AY-81940-00-00 |
— | ||
| replacement | |||||
|
21
|
21
4KD-81940-00-00 Starter Relay Assy (Ms5D-611) |
4KD-81940-00-00 |
from US $97.54 |
||
|
22
|
22
957-02065-00-00
Nut, Flange
|
957-02065-00-00 |
— | ||
| replacement | |||||
|
22
|
22
95780-06500-00 Nut, Flange |
95780-06500-00 |
from US $1.13 |
||
|
23
|
23
3BN-81960-01-00 Rectifier & Regulator Assy |
3BN-81960-01-00 |
US $235.22 |
||
|
24
|
24
97382-06014-00
Bolt
|
97382-06014-00 |
— | ||
|
25
|
25
92902-06600-00 Washer, Plate |
92902-06600-00 |
US $1.07 |
||
| replacement | |||||
|
25
|
25
929-90066-00-00 Washer, Plain (646) |
929-90066-00-00 |
from US $1.07 |
||
|
26
|
26
4DL-H1948-10-00
Bracket
|
4DL-H1948-10-00 |
— | ||
|
27
|
27
4DL-H3351-00-00
Relay, Flasher
|
4DL-H3351-00-00 |
— | ||
| replacement | |||||
|
27
|
27
4DL-H3353-00-00
Damper, Flasher Relay
|
4DL-H3353-00-00 |
— | ||
|
28
|
28
4DL-H3350-00-00
Flasher Relay Assy
|
4DL-H3350-00-00 |
— | ||
|
29
|
29
29U-81950-91-00 Relay Assy |
29U-81950-91-00 |
from US $38.41 |
||
| replacement | |||||
|
29
|
29
29U-81950-93-00 Relay Assy (Aca12115-1) |
29U-81950-93-00 |
from US $34.06 |
||
|
30
|
30
1RL-81950-91-00 Relay Assy (1Rl-92) |
1RL-81950-91-00 |
from US $57.75 |
||
| replacements | |||||
|
30
|
30
12R-81950-01-00 Relay Assy (12R-01) |
12R-81950-01-00 |
from US $57.75 |
||
|
30
|
30
12R-81950-02-00 RELAY ASSY |
12R-81950-02-00 |
from US $50.92 |
||
|
31
|
31
3MD-82566-00-00 Switch, Side Stand |
3MD-82566-00-00 |
from US $60.34 |
||
| replacements | |||||
|
31
|
31
3LD-82566-50-00 Switch, Side Stand |
3LD-82566-50-00 |
from US $66.18 |
||
|
31
|
31
3LD-82566-51-00 Switch, Side Stand |
3LD-82566-51-00 |
US $56.36 |
||
|
32
|
32
901-57050-79-00
Screw, Pan Head
|
901-57050-79-00 |
— | ||
| replacement | |||||
|
32
|
32
985-07050-14-00 Screw, Pan Head |
985-07050-14-00 |
from US $1.34 |
||
|
33
|
33
11H-83591-00-00 Thermo Unit |
11H-83591-00-00 |
from US $90.36 |
||