Rear arm & suspension Diagram Yamaha XVS650 V-Star Custom with Flames
- Year
- 2005
- Colour
- Deep Purplish Blue Metallic W/Flames
- Model code
- 3B61
- Sales region
- USA
- Базовая модель
- XVS65T-F
- Engine Capacity
- 650
- Model
- XVS650 (V-Star Custom)
Difficulties in parts search?
Difficulties in parts search?
| Description | OEM Part # | Price | |||
|---|---|---|---|---|---|
|
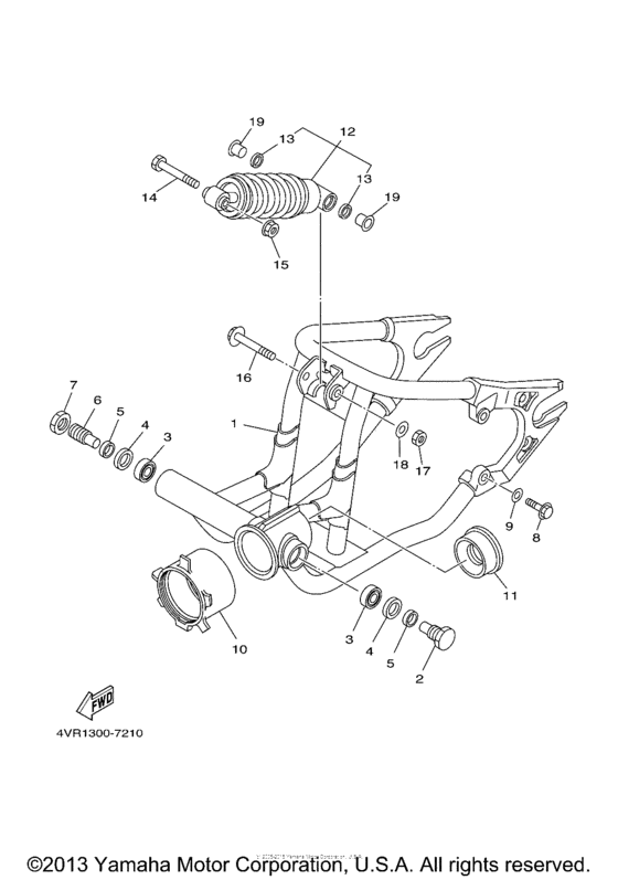
1
|
1
4VR-22110-01-00 Rear Arm Comp |
4VR-22110-01-00 |
from US $786.72 |
||
|
2
|
2
4KM-22141-00-00 Shaft, Pivot |
4KM-22141-00-00 |
from US $25.36 |
||
| replacement | |||||
|
2
|
2
4H7-22141-00-00 Shaft, Pivot |
4H7-22141-00-00 |
from US $25.36 |
||
|
3
|
3
93332-00010-00 Bearing |
93332-00010-00 |
from US $19.69 |
||
|
4
|
4
93102-25017-00 Oil Seal |
93102-25017-00 |
from US $2.98 |
||
|
5
|
5
90387-17543-00 Collar |
90387-17543-00 |
from US $4.53 |
||
| replacement | |||||
|
5
|
5
90387-17011-00 Collar |
90387-17011-00 |
from US $4.53 |
||
|
6
|
6
1J7-22141-00-00 Shaft, Pivot |
1J7-22141-00-00 |
from US $21.96 |
||
| replacement | |||||
|
6
|
6
15B-22141-00-00 Shaft, Pivot |
15B-22141-00-00 |
from US $21.96 |
||
|
7
|
7
1J7-22143-00-00 Nut |
1J7-22143-00-00 |
from US $9.49 |
||
|
8
|
8
90105-101A9-00 Bolt, Flange |
90105-101A9-00 |
from US $4.53 |
||
| replacement | |||||
|
8
|
8
958-14100-40-00 Bolt, Flange |
958-14100-40-00 |
from US $2.69 |
||
|
9
|
9
90201-112U0-00 Washer, Plate |
90201-112U0-00 |
from US $3.40 |
||
|
10
|
10
4TR-22189-00-00 Boot, Rubber |
4TR-22189-00-00 |
from US $25.93 |
||
|
11
|
11
4VR-22184-00-00 Bush |
4VR-22184-00-00 |
from US $11.76 |
||
|
12
|
12
5FB-22210-00-00 Shock Absorber Assy, Rear |
5FB-22210-00-00 |
from US $546.48 |
||
|
13
|
13
931-09180-20-00 Oil Seal |
931-09180-20-00 |
from US $9.35 |
||
|
14
|
14
90109-125F1-00 Bolt |
90109-125F1-00 |
from US $7.93 |
||
|
15
|
15
956-07122-00-00 Nut, Self-Locking |
956-07122-00-00 |
from US $7.69 |
||
|
16
|
16
90109-125F1-00 Bolt |
90109-125F1-00 |
from US $7.93 |
||
|
17
|
17
95607-12100-00 Nut, U |
95607-12100-00 |
from US $3.12 |
||
| replacement | |||||
|
17
|
17
95617-12100-00 Nut, U |
95617-12100-00 |
from US $3.12 |
||
|
18
|
18
90201-124G9-00 Washer, Plate |
90201-124G9-00 |
from US $5.38 |
||
|
19
|
19
903-87123-X6-00 Collar |
903-87123-X6-00 |
from US $13.74 |
||