Electrical 1 Diagram Yamaha YZF-R6/ YZF600 R6
- Year
- 2002
- Colour
- Deep Purplish Blue Metallic C (DPBMC; 0564)
- Model code
- 5MTH
- Sales region
- Europe (010)
- Базовая модель
- YZF-R6 YZF-R6P
- Engine Capacity
- 600
- Color Variant
- A
- Model
- YZF-R6
Difficulties in parts search?
Difficulties in parts search?
| Description | OEM Part # | Price | |||
|---|---|---|---|---|---|
|
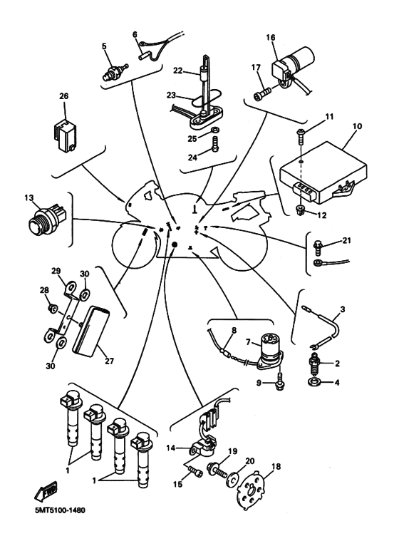
1
|
1
5EB-82310-00-00 Ignition Coil Assy |
5EB-82310-00-00 |
from US $196.19 |
||
|
2
|
2
3GB-82540-01-00 Neutral Switch Assy |
3GB-82540-01-00 |
from US $18.42 |
||
|
3
|
3
5MT-82541-00-00 Wire, Lead |
5MT-82541-00-00 |
from US $8.66 |
||
|
4
|
4
90430-10148-00 Gasket |
90430-10148-00 |
from US $1.56 |
||
|
5
|
5
11H-83591-00-00 Thermo Unit |
11H-83591-00-00 |
from US $90.36 |
||
|
6
|
6
5EB-82541-21-00
Wire, Lead
|
5EB-82541-21-00 |
— | ||
|
7
|
7
5EB-85720-00-00 Oil Level Gauge Assy |
5EB-85720-00-00 |
from US $153.46 |
||
|
8
|
8
5EB-82509-00-00 Wire, Sub Lead |
5EB-82509-00-00 |
US $10.26 |
||
|
9
|
9
950-27060-14-00 Bolt, Flange |
950-27060-14-00 |
from US $1.42 |
||
| replacement | |||||
|
9
|
9
950-22060-14-00 Bolt, Flange |
950-22060-14-00 |
from US $1.34 |
||
|
10
|
10
5MT-85540-30-00 C.d.i. Unit Assy |
5MT-85540-30-00 |
from US $845.01 |
||
| replacement | |||||
|
10
|
10
5MT-85540-10-00 C.d.i. Unit Assy |
5MT-85540-10-00 |
from US $845.01 |
||
|
11
|
11
97707-60020-00 Screw, Tapping |
97707-60020-00 |
from US $0.52 |
||
|
12
|
12
90338-08226-00 Plug |
90338-08226-00 |
from US $1.70 |
||
|
13
|
13
5EB-82560-00-00 Thermo Switch Assy |
5EB-82560-00-00 |
from US $32.74 |
||
|
14
|
14
5MT-81670-01-00
Pick-Up Assy
|
5MT-81670-01-00 |
— | ||
|
15
|
15
91317-06012-00 Bolt |
91317-06012-00 |
from US $1.07 |
||
|
16
|
16
5EB-83755-00-00 Sensor, Speed |
5EB-83755-00-00 |
from US $151.98 |
||
| replacements | |||||
|
16
|
16
5EB-83755-01-00 Sensor, Speed |
5EB-83755-01-00 |
from US $151.98 |
||
|
16
|
16
5EB-83755-02-00 |
5EB-83755-02-00 |
US $168.16 |
||
|
17
|
17
91317-06016-00 Bolt |
91317-06016-00 |
from US $1.04 |
||
|
18
|
18
5EB-81673-00-00 Rotor |
5EB-81673-00-00 |
US $32.63 |
||
|
19
|
19
90105-08386-00 Bolt, Flange |
90105-08386-00 |
from US $3.40 |
||
| replacements | |||||
|
19
|
19
901-85081-69-00 Nut, Self-Locking |
901-85081-69-00 |
from US $2.13 |
||
|
19
|
19
90105-08113-00 Bolt, Flange |
90105-08113-00 |
from US $3.40 |
||
|
20
|
20
90201-08753-00 Washer, Plate |
90201-08753-00 |
from US $1.98 |
||
| replacement | |||||
|
20
|
20
90201-081R9-00 Washer, Plate |
90201-081R9-00 |
from US $1.98 |
||
|
21
|
21
950-27060-14-00 Bolt, Flange |
950-27060-14-00 |
from US $1.42 |
||
| replacement | |||||
|
21
|
21
950-22060-14-00 Bolt, Flange |
950-22060-14-00 |
from US $1.34 |
||
|
22
|
22
1UF-85752-03-00
Sender Unit Assy, Fuel Meter
|
1UF-85752-03-00 |
— | ||
| replacement | |||||
|
22
|
22
1UF-85752-10-00
Sender Unit Assy, Fuel Meter
|
1UF-85752-10-00 |
— | ||
|
23
|
23
42X-85753-00-00 Gasket, Sender Unit |
42X-85753-00-00 |
from US $3.32 |
||
|
24
|
24
90149-06008-00 Screw |
90149-06008-00 |
from US $1.70 |
||
|
25
|
25
902-02051-93-00
Washer, Plate(3Gm)
|
902-02051-93-00 |
— | ||
| replacement | |||||
|
25
|
25
902-02051-87-00 Washer, Plate |
902-02051-87-00 |
from US $1.28 |
||
|
26
|
26
5JJ-81950-10-00 Relay Assy (G8Hn-1C4T-Dj-Y51) |
5JJ-81950-10-00 |
from US $21.82 |
||
| replacement | |||||
|
26
|
26
5JJ-81950-11-00 Relay Assy |
5JJ-81950-11-00 |
from US $21.82 |
||
|
27
|
27
11H-85110-01-00 Reflector Assy |
11H-85110-01-00 |
from US $11.92 |
||
|
28
|
28
95707-05500-00 Nut, Flange |
95707-05500-00 |
from US $1.07 |
||
|
29
|
29
5BN-85122-00-00 Bracket, Reflector 2 |
5BN-85122-00-00 |
from US $11.76 |
||
|
30
|
30
90201-08759-00 Washer, Plate |
90201-08759-00 |
from US $1.70 |
||