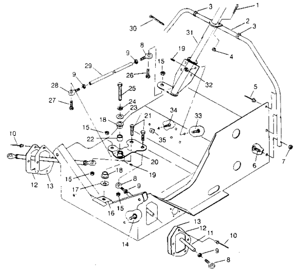
Steering assembly (WIDETRAK LX 0952064 and EUROPEAN WIDETRAK LX E952064) Diagram Polaris Widetrak LX
- Model code
- 0952064
- Engine Capacity
- 488
- Year
- 1995
- Sales region
- General
- Stroke (2-stroke or 4-stroke)
- 2 stroke
Difficulties in parts search?
Difficulties in parts search?
| Description | OEM Part # | Price | |||
|---|---|---|---|---|---|
|
1
|
1
7512239
Bolt
10; |
7512239 |
— | ||
| replacement | |||||
|
1
|
1
7517377 Screw10; |
7517377 |
US $2.98 |
||
|
2
|
2
1011819-067
Hoop,steering,blk.
|
1011819-067 |
— | ||
|
3
|
3
7080278 Clip10; |
7080278 |
US $3.26 |
||
|
4
|
4
7542124 Nut10; |
7542124 |
US $1.89 |
||
|
5
|
5
7661637 Rivet,interlock,z(50) *50; |
7661637 |
US $0.79 |
||
|
6
|
6
7512275 Bolt-carriage10; |
7512275 |
US $2.45 |
||
|
7
|
7
7542103 Nut,flexloc10; |
7542103 |
US $9.19 |
||
|
8
|
8
7060125
Rod end rh
|
7060125 |
— | ||
| replacement | |||||
|
8
|
8
7060165 Rod end, rh, |
7060165 |
US $47.67 |
||
|
8
|
8
7060124
Rod end,lh
|
7060124 |
— | ||
| replacement | |||||
|
8
|
8
7060164 Rod end, lh. |
7060164 |
US $55.34 |
||
|
9
|
9
7542424 Nut,lh (10) |
7542424 |
US $0.79 |
||
|
9
|
9
7542401 Nut,hex,rh(10)10; |
7542401 |
US $0.79 |
||
|
10
|
10
7621323 Pop rivet(50)50; |
7621323 |
US $0.79 |
||
|
11
|
11
5020636-067
Tierod
|
5020636-067 |
— | ||
|
12
|
12
5222942-067 Plate,bootseal,blk, |
5222942-067 |
US $7.09 |
||
|
13
|
13
5410761 Boot,tierod |
5410761 |
US $15.49 |
||
|
14
|
14
4020139 Clip,rosebud10; |
4020139 |
US $3.26 |
||
|
15
|
15
7542403 Nut lock(10)10; |
7542403 |
US $3.75 |
||
|
16
|
16
5130889 Block, ctr,strg, |
5130889 |
US $173.32 |
||
|
17
|
17
7555735 Washer,wave10; |
7555735 |
US $5.69 |
||
|
18
|
18
3563907 Bushing |
3563907 |
US $5.69 |
||
|
19
|
19
7080220
Fitting-lube.
10; |
7080220 |
— | ||
| replacement | |||||
|
19
|
19
7080561 Fitting,lub/ven10; |
7080561 |
US $3.94 |
||
|
20
|
20
1822217 Strg,asm,ctr, |
1822217 |
US $56.14 |
||
|
21
|
21
7515528 Bolt10; |
7515528 |
US $7.68 |
||
|
22
|
22
5010322
Bushing
|
5010322 |
— | ||
|
23
|
23
7555721 Washer(10)10; |
7555721 |
US $5.25 |
||
|
24
|
24
7553201 Washer,split lock10; |
7553201 |
US $2.45 |
||
|
25
|
25
7512681
Bolt(10)
10; |
7512681 |
— | ||
|
26
|
26
7512410
Bolt
10; |
7512410 |
— | ||
| replacement | |||||
|
26
|
26
7515540 Bolt10; |
7515540 |
US $3.26 |
||
|
27
|
27
7512404 Bolt10; |
7512404 |
US $6.56 |
||
|
29
|
29
5333372
Rod,drag link
|
5333372 |
— | ||
|
30
|
30
7080272 Strap, blk |
7080272 |
US $3.64 |
||
|
32
|
32
7542324 Nut,nylok(10)10; |
7542324 |
US $26.30 |
||
|
33
|
33
7512394
Bolt
10; |
7512394 |
— | ||
| replacement | |||||
|
33
|
33
7512377 Bolt,carriage10; |
7512377 |
US $5.25 |
||
|
34
|
34
7512263 Bolt-carriage10; |
7512263 |
US $2.45 |
||
|
35
|
35
7670021 Nut, speed10; |
7670021 |
US $2.45 |
||