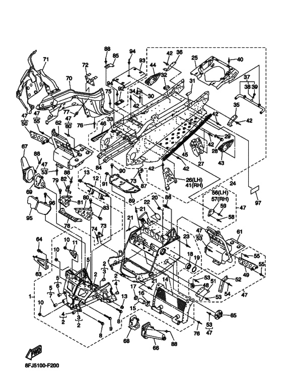
Frame 2 Diagram Yamaha RS10/RS90/RST90/RSG90 RS Vector ER

Model code
8FJ5
Engine Capacity
1000
Year
2007
Sales region
Europe (020)
Colour
Yamaha Black (YB; 0033)
Color Variant
B
Power
120 hp
Model
RS Vector ER

Difficulties in parts search?

Parts list
Frame 2

Difficulties in parts search?

Frame 2

Nothing

Frame 2 Diagram Yamaha RS10/RS90/RST90/RSG90 RS Vector ER Yamaha Black (YB; 0033) Europe (020) 13156124-762773