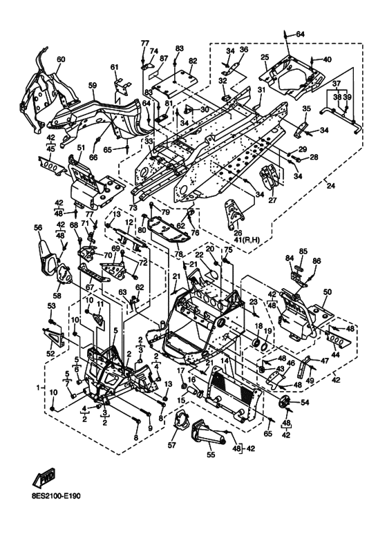
Frame 1 Diagram Yamaha RS10/RS90/RST90/RSG90 RS Nytro

Model code
8GF1
Engine Capacity
1000
Year
2006
Sales region
Europe (020)
Colour
Yamaha Black (YB; 0033)
Color Variant
A
Power
120 hp
Model
RS Nytro

Difficulties in parts search?

Parts list
Frame 1

Difficulties in parts search?

Frame 1

Nothing

Frame 1 Diagram Yamaha RS10/RS90/RST90/RSG90 RS Nytro Yamaha Black (YB; 0033) Europe (020) 13156472-762781