Water pump Diagram Yamaha SR10/ SRV10 SR Viper R-TX SE

Model code
8JW4
Engine Capacity
1049
Year
2016
Sales region
USA
Model
SR Viper R-TX SE

Difficulties in parts search?

Parts list
Water pump

Difficulties in parts search?

Water pump
Description OEM Part # Price
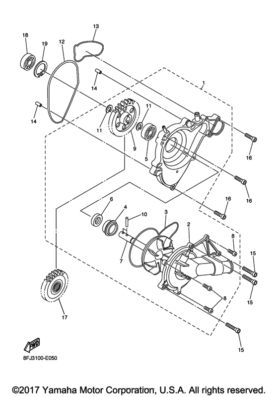
1
1

8ES-12420-02-00

Water Pump Assy

8ES-12420-02-00

from US $161.65

2
2

8ES-12422-00-00

Cover, Housing

8ES-12422-00-00

from US $37.03

3
3

8ES-12427-00-00

Gasket, Housing Cover 1

8ES-12427-00-00

from US $2.69

4
4

8ES-12438-00-00

Seal, Mechanical

8ES-12438-00-00

from US $24.65

5
5
933-06000-06-00
Bearing

933-06000-06-00

replacement
5
5

933-06000-04-00

Bearing

933-06000-04-00

from US $11.92

6
6

93102-10207-00

Oil Seal

93102-10207-00

from US $3.64

7
7

8ES-12450-01-00

Impeller Shaft Assy

8ES-12450-01-00

from US $14.88

8
8

98502-06016-00

Screw, Pan Head(3Js)

98502-06016-00

US $2.55

replacement
8
8

98580-06016-00

Screw Pan Head

98580-06016-00

from US $2.55

9
9

8ES-12459-01-00

Gear, Impeller Shaft

8ES-12459-01-00

from US $30.60

10
10

93604-16092-00

Pin, Dowel

93604-16092-00

from US $1.56

11
11

99002-08600-00

Circlip

99002-08600-00

from US $1.42

replacement
11
11

99001-08600-00

Circlip

99001-08600-00

from US $1.42

12
12

8ES-12435-00-00

Gasket

8ES-12435-00-00

from US $3.54

13
13

8ES-12434-00-00

Gasket

8ES-12434-00-00

from US $1.84

14
14

99530-08012-00

Pin, Dowel

99530-08012-00

from US $1.07

15
15

91312-06040-00

Bolt

91312-06040-00

from US $1.50

replacement
15
15
901-1006X-76-00
Bolt, Hexagon Socket Head(M01)

901-1006X-76-00

16
16
913-12060-25-00
Bolt

913-12060-25-00

replacement
16
16

913-17060-25-00

Bolt

913-17060-25-00

from US $1.07

17
17

8ES-12436-00-00

Gear, Drive

8ES-12436-00-00

from US $23.24

18
18
933-06000-06-00
Bearing

933-06000-06-00

replacement
18
18

933-06000-04-00

Bearing

933-06000-04-00

from US $11.92

19
19

93420-26077-00

Circlip

93420-26077-00

from US $1.70

Water pump Diagram Yamaha SR10/ SRV10 SR Viper R-TX SE USA 15314970-829473