Honda CIVIC Car & Auto Parts
- Year
- 1994
- Model code
- CIVIC COUPE
- Sales region
- General
- Engine
- D16Z
- transmission
- 5MT
- Number of doors
- 2
- grade
- ESI
- area code
- KG
- left-hand drive
- +
- sunroof
- +
Difficulties in parts search?
-
Transmission housing
-
Mainshaft
-
Countershaft
-
Air cleaner
-
Exhaust pipe
-
Fuel tank
-
Fuel pipe
'94
-
Radiator
-
Radiator hose
-
Battery
LH
-
Wire harness
LH
-
Headlight
-
Taillight
-
Interior light
-
Combination switch
LH
-
Switch
LH
-
Combination meter
COMPONENTS
-
Control unit
ENGINE ROOM; LH
-
Control unit
CABIN; LH
-
Front windshield wiper
LH
-
Windshield washer
-
Radio antenna/speaker
LH
-
Auto radio
-
Heater control
-
Heater blower
LH
-
Heater unit
LH
-
Water valve
-
Tire/wheel disk
-
Rear brake
-
Driveshaft
-
Front brake
-
Pedal
LH
-
Clutch master cylinder
LH
-
Brake master cylinder/ master power
-
Brake line
LH
-
Parking brake
-
Knuckle
-
Front stabilizer/ front lower arm
-
Front shock absorber
-
Rear stabilizer/ rear lower arm
-
Rear shock absorber
-
Steering wheel
-
Steering column
-
P.s. gear box
LH
-
P.s. gear box
PORTUGAL
-
P.s. gear box components
LH
-
P.s. gear box components
PORTUGAL
-
P.s. line
LH
-
P.s. line
PORTUGAL
-
Shift lever
-
Floor mat
-
Grommet
-
Instrument panel
LH
-
Instrument panel garnish
LH
-
Console
-
Roof lining
-
Sliding roof
FRAME
-
Sliding roof
MOTOR
-
Pillar garnish
-
Front door lining
-
Side lining
-
Trunk garnish
-
Front seat
-
Front seat components
-
Rear seat
-
Seatbelt
-
Emblem
-
Side protector
-
Mirror
-
Tools/jack
-
Bumper
-
Engine mounts
MT
-
Body structure components
FRONT BULKHEAD
-
Body structure components
INNER PANEL
-
Body structure components
OUTER PANEL
-
Front fenders
-
Hood
-
Front windshield
-
Rear windshield
-
Door window
-
Door locks
-
Door panels
-
Trunk lid
-
Air conditioner kit
-
Air conditioner
COMPRESSOR; SANDEN
-
Air conditioner
COMPRESSOR; HADSYS
-
Air conditioner
CONDENSER
-
Air conditioner
UNIT; LH
-
Air conditioner
HOSES/PIPES; LH
-
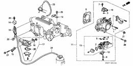
Throttle body
-
Intake manifold
-
Exhaust manifold
VTEC
-
High tension cord/ spark plug
-
Distributor
TEC
-
Engine wire harness/clamp
-
Alternator
DENSO
-
Starter motor
MITSUBA; MT
-
Breather chamber
-
Cylinder head cover
-
Cylinder head
VTEC
-
Camshaft/timing belt
-
Valve/rocker arm
VTEC
-
Oil pump/oil strainer
-
Cylinder block/oil pan
-
Water pump
-
Water hose
VTEC
-
Piston/crankshaft
-
Clutch/torque converter
-
P.s. pump
-
Gasket kit/ transmission assy.
-
Clutch housing
-
Clutch release
-
Shift rod/shift holder
-
Shift fork