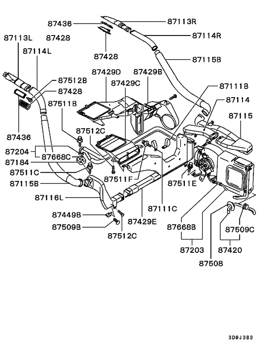
Rr a/c unit, duct(dual:a) (REAR A/C UNIT,DUCT..LPG) Diagram Mitsubishi DEBONAIR

Year
1994 - 1999
Sales region
Japan
Note
CONTEGA(SOHC),4FA/T
transmission
4FA/T
grade
CONTEGA

Difficulties in parts search?

Parts list
Rr a/c unit, duct(dual:a)

Difficulties in parts search?

Rr a/c unit, duct(dual:a)
Description OEM Part # Price
87511B
87511B

MF243628

BOLT, CONNROD

Washer assembled,6x25

MF243628

US $0.55

87511C
87511C

MF243655

BOLT, ROCKER COVER

Washer assembled,8x30

MF243655

from US $1.46

87511E
87511E

MF247255

BOLT, FUEL LINE

Washer assembled,8x30

MF247255

US $2.66

87511F
87511F

MS240125

BOLT, FUEL TANK

Washer assembled,8x20

MS240125

from US $1.05

87512B
87512B

MF453017

SCREW

Tapping,4x12

MF453017

from US $1.46

87512C
87512C

MF453033

SCREW, TAPPING, 5x16

Tapping,5x16

MF453033

from US $1.66

Rr a/c unit, duct(dual:a) (REAR A/C UNIT,DUCT..LPG) Diagram Mitsubishi DEBONAIR Japan 7942115-631310