Injector & throttle body (ALL (ASSEMBLY)) Diagram Mitsubishi MIRAGE
- Year
- 1998 - 2000
- Sales region
- Japan
- Note
- EVO-5 GSR(98M)/EVO-6 GSR(99,00M),5M/T
- drive
- 4WD
- grade
- EVO-5 GSR
- body
- SEDAN
Difficulties in parts search?
Difficulties in parts search?
| Description | OEM Part # | Price | |||
|---|---|---|---|---|---|
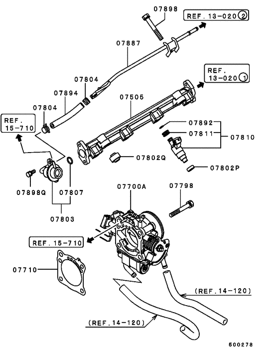
|
07505
|
07505
MD320748 PIPE, FUEL DELIVERY |
MD320748 |
US $173.16 |
||
|
07700A
|
07700A
MD348476 Throttle Body AssyAc60-565 |
MD348476 |
US $1,255.07 |
||
|
07710
|
07710
MD180361 GASKET, THROTTLE BODY |
MD180361 |
from US $3.39 |
||
|
07798
|
07798
MF241264 BOLT, ENG FR CASEWasher assembled,8x55 |
MF241264 |
from US $1.54 |
||
|
07802P
|
07802P
MD087060 INSULATOR, FUEL INJECTOR |
MD087060 |
from US $1.54 |
||
|
07802Q
|
07802Q
MD095402 INSULATOR, FUEL DELIVERY PIPE |
MD095402 |
from US $1.38 |
||
|
07803
|
07803
MD320749 REGULATOR, MPI DELIVERY PIPE PRESSURE |
MD320749 |
US $131.33 |
||
|
07804
|
07804
MS660236 CLIPD=11 |
MS660236 |
from US $1.44 |
||
|
07807
|
07807
MD604696 O-RING, FUEL REGULATOR7.8 |
MD604696 |
US $6.43 |
||
|
07810
|
07810
MD348478
INJECTOR KIT, FUEL
|
MD348478 |
— | ||
|
07811
|
07811
MD614805 SHEET, FUEL INJECTOR |
MD614805 |
from US $3.72 |
||
|
07887
|
07887
MD323529
PIPE, FUEL INJECTOR RETURN
|
MD323529 |
— | ||
|
07892
|
07892
MD614813
O-RING, FUEL INJECTOR
|
MD614813 |
— | ||
| replacement | |||||
|
07892
|
07892
1465A188 O-RING, FUEL INJECTOR7.6 |
1465A188 |
from US $2.75 |
||
|
07894
|
07894
MS642596 HOSE, FUEL TANK6x2000 |
MS642596 |
from US $37.97 |
||
|
07898
|
07898
MF240064 BOLT, OIL FILTERWasher assembled,8x55 |
MF240064 |
US $4.51 |
||
|
07898Q
|
07898Q
MF241223 BOLT, ROCKER COVERWasher assembled,6x12 |
MF241223 |
from US $1.05 |
||
|
13 020
|
Fuel line & vapor gas control
13 020
|
||||
|
14 120
|
Water pipe & thermostat
14 120
|
||||
|
14 120
|
Water pipe & thermostat
14 120
|
||||
|
15 710
|
Emission control
15 710
|
||||
|
15 710
|
Emission control
15 710
|
||||