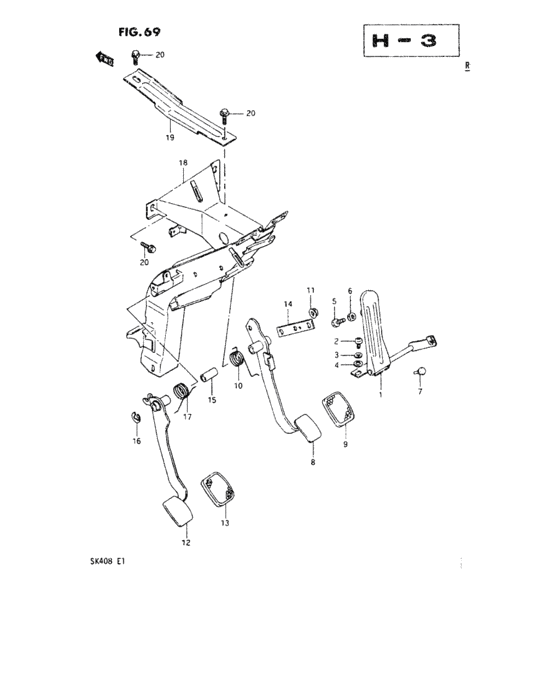
Pedal and pedal bracket (LHD) Diagram Suzuki CARRY/SUPER CARRY

Year
-
Sales region
Africa
grade
STD

Difficulties in parts search?

Parts list
Pedal and pedal bracket

Difficulties in parts search?

Pedal and pedal bracket
Description OEM Part # Price
1
1
49410-85200-000
Pedal, accelerator

49410-85200-000

replacement
1
1
49410-85201-000
PEDAL,ACCELERATOR

49410-85201-000

2
2
02112-06126-000
Screw 6x12

02112-06126-000

replacements
2
2

02112-0612B-000

SCREW

Screw, oil guide plate

02112-0612B-000

from US $0.76

2
2

02112-0612A-000

SCREW

02112-0612A-000

from US $0.76

3
3
08321-21066-000
Lock washer

08321-21066-000

replacement
3
3

08321-0106A-000

WASHER,LOCK

08321-0106A-000

from US $0.76

4
4
08322-21066-000
Washer

08322-21066-000

replacement
4
4

08322-0106B-000

WASHER

08322-0106B-000

from US $0.76

5
5
09100-06133-000
Bolt

09100-06133-000

replacement
5
5

09100-06150-000

BOLT(6X31)

Bolt, adjuster

09100-06150-000

from US $3.15

6
6
08310-11066-000
Nut

08310-11066-000

replacements
6
6

08310-0006B-000

NUT

Nut gear shift link rod

08310-0006B-000

from US $0.76

6
6

08310-0006A-000

NUT

08310-0006A-000

from US $0.76

7
7

09321-06008-000

CUSHION

Cap, fuel tank upper rear

09321-06008-000

from US $1.22

8
8
49610-85000-000
Pedal, brake

TYPE 1

49610-85000-000

8
8
49610-85001-000
Pedal, brake

TYPE 2

49610-85001-000

9
9
49751-79001-000
Pad, pedal

49751-79001-000

replacement
9
9

49751-58J00-000

PAD,PEDAL

49751-58J00-000

from US $2.59

10
10

09448-30004-000

SPRING

09448-30004-000

US $28.70

US $28.70

11
11
08316-26106-000
Nut

08316-26106-000

replacement
11
11

08316-2010B-000

NUT

08316-2010B-000

from US $0.76

12
12
49810-85000-000
Pedal comp,clutch

49810-85000-000

13
13
49751-79001-000
Pad, pedal

49751-79001-000

replacement
13
13

49751-58J00-000

PAD,PEDAL

49751-58J00-000

from US $2.59

14
14

49722-79101-000

PLATE,PEDAL SHAFT

49722-79101-000

US $2.83

15
15

09180-10056-000

SPACER(10.1X13X47.5)

09180-10056-000

US $17.70

16
16
08332-11106-000
E ring

08332-11106-000

replacement
16
16

08332-1110A-000

E RING

08332-1110A-000

from US $0.96

17
17
09448-29002-000
スプリング

09448-29002-000

replacement
17
17

09448-29004-000

SPRING

09448-29004-000

from US $2.12

18
18
49710-85220-000
Bracket, pedal

49710-85220-000

18
18
49710-85610-000
Bracket, pedal

Finland,Norway,Switzerland,Belgium,Holland,Morocco,Israel,New Caledonia

49710-85610-000

19
19
49741-85000-000
Stay, pedal bracket

49741-85000-000

20
20
01517-08126-000
Bolt, front

01517-08126-000

replacements
20
20

01550-0812B-000

Bolt

Plug, drain

01550-0812B-000

from US $0.96

20
20

01550-0812A-000

BOLT

01550-0812A-000

from US $0.91

Pedal and pedal bracket (LHD) Diagram Suzuki CARRY/SUPER CARRY Africa 3818776-328853