Suzuki CARRY/SUPER CARRY Car & Auto Parts
- Year
- -
- Sales region
- Africa
- grade
- STD
Difficulties in parts search?
-
Engine gasket set
ENGINE GASKET SET
-
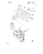
Carburetor
CARBURETOR
-
Breather hose
BREATHER HOSE
-
Air cleaner
T/K:N/SUB CLEANER
-
Air cleaner
T/K:W/SUB CLEANER
-
Air cleaner
V:N/SUB CLEANER
-
Air cleaner
V:W/SUB CLEANER
-
Control cable
CONTROL CABLE
-
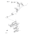
Muffler
T/K
-
Muffler
V
-
Fuel Pump
T/K
-
Fuel Pump
V
-
Cylinder head
CYLINDER HEAD
-
Oil pump
OIL PUMP
-
Water pump
WATER PUMP
-
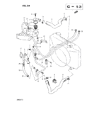
Radiator
RADIATOR
-
Water hose
WATER HOSE
-
Emission control
EMISSION CONTROL
-
Label
LABEL
-
Cylinder
CYLINDER
-
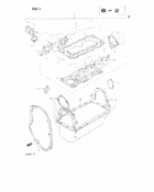
Oil pan
OIL PAN
-
Engine mounting
ENGINE MOUNTING
-
Crankshaft
CRANKSHAFT
-
Cam shaft
CAM SHAFT
-
Timing belt
TIMING BELT
-
Intake manifold and carburetor
INTAKE MANIFOLD AND CARBURETOR
-
Clutch
CLUTCH
-
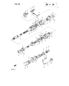
Transmission
TRANSMISSION
-
Transmission case
TRANSMISSION CASE
-
Gear shift fork
GEAR SHIFT FORK
-
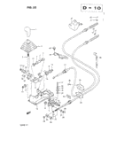
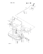
Gear shift control
-
Gear shift control
-
Propeller shaft
PROPELLER SHAFT
-
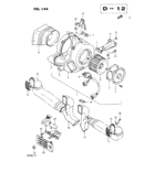
Differential gear
DIFFERENTIAL GEAR
-
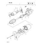
Starting motor
-
Starting motor
-
Starting motor
Finland,Norway,China
-
Generator
GENERATOR
-
Distributor
DISTRIBUTOR
-
Battery
T/K
-
Battery
V
-
Speedometer
T/K
-
Speedometer
V
-
Headlamp
HEADLAMP
-
Front lamp
FRONT LAMP
-
Room lamp
ROOM LAMP
-
Rear lamp
T/K
-
Rear lamp
V
-
Wiring harness
T/K
-
Wiring harness
V
-
Wiring harness
LHD
-
Wiring harness
RHD
-
Switch
SWITCH
-
Lock set
LOCK SET
-
Radio
RADIO
-
Front window wiper and washer
FRONT WINDOW WIPER AND WASHER
-
Head lamp cleaner
Finland
-
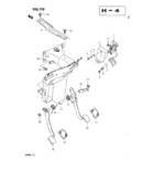
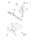
Front suspension
FRONT SUSPENSION
-
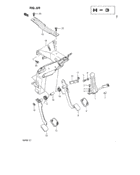
Front suspension frame
FRONT SUSPENSION FRAME
-
Front stabilizer
FRONT STABILIZER
-
Front stabilizer
PANEL VAN
-
Front axle
FRONT AXLE
-
Rear suspension
REAR SUSPENSION
-
Rear axle
REAR AXLE
-
Road wheel and tire
ROAD WHEEL AND TIRE
-
Steering wheel
TYPE 1
-
Steering wheel
TYPE 2
-
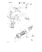
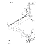
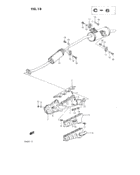
Steering shaft
STEERING SHAFT
-
Steering gear
LHD
-
Steering gear
RHD
-
Steering link
STEERING LINK
-
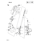
Pedal and pedal bracket
LHD
-
Pedal and pedal bracket
RHD
-
Brake master cylinder
BRAKE MASTER CYLINDER
-
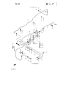
Brake piping
BRAKE PIPING
-
Brake piping
,Finland,Norway,Switzerland,Belgium,5,Israel
-
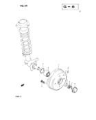
Front wheel brake
FRONT WHEEL BRAKE
-
Rear wheel brake
TYPE 1
-
Rear wheel brake
TYPE 2
-
Parking brake
PARKING BRAKE
-
Instrument panel
INSTRUMENT PANEL
-
Intrerior trim
V
-
Heater
HEATER
-
Ventilator
VENTILATOR
-
Front window
FRONT WINDOW
-
Front door panel
FRONT DOOR PANEL
-
Front door lock
FRONT DOOR LOCK
-
Front door glass
FRONT DOOR GLASS
-
Rear door panel
V
-
Rear door panel
PANEL VAN
-
Rear door lock
V
-
Rear door lock
PANEL VAN
-
Side window
V
-
Back door panel
V
-
Back door panel
PANEL VAN
-
Back door glass
V
-
Back door lock
V
-
Back door lock
PANEL VAN
-
Time carrier
T/K
-
Tire carrier
V
-
Fuel tank
T/K
-
Fuel tank
V
-
Tool
TOOL
-
Front seat
T/K
-
Front seat
K:,,Finland,Belgium,5,Israel
-
Front seat
K:Switzerland
-
Front seat
V
-
Front seat
V:,
-
Front seat
V:Chile
-
Front seat
V:Finland,Norway,Switzerland,Belgium,Holland,Israel,Iceland
-
Front seat
V:Saudi Arabia,United Arab Emirates
-
Rear seat
LOW FLOOR:BENCH TYPE
-
Rear seat
LOW FLOOR:BENCH TYPE ,Switzerland,Holland
-
Rear seat
FLAT FLOOR:BENCH TYPE
-
Rear seat
LOW FLOOR:SEPARATE TYPE
-
Rear seat
LOW FLOOR:SEPARATE TYPE Saudi Arabia
-
Rear seat
FLAT FLOOR:SEPARATE TYPE
-
Rear seat
FLAT FLOOR:SEPARATE TYPE Saudi Arabia
-
Third seat
LOW FLOOR
-
Third seat
FLAT FLOOR
-
Seat belt
SEAT BELT
-
Seat belt
,Finland,Norway,Switzerland,Belgium,5,Greece,Israel
-
Air conditioner
LHD
-
Air conditioner
RHD
-
Scroll assy
LHD:N/HEATER
-
Scroll assy
RHD:N/HEATER
-
Evaporator
LHD
-
Evaporator
RHD
-
Lamp and lead wire
PANEL VAN
-
Cab back panel
PANEL VAN
-
Body panel
PANEL VAN
-
Partition door
PANEL VAN
-
Fuel pipe
PANEL VAN
-
Front panel
FRONT PANEL
-
Front floor
T/K
-
Front floor
V
-
Side body panel
T/K
-
Side body panel
V
-
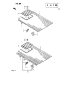
Deck floor member
T/K
-
Deck floor
T/K
-
Rear floor
V:FLAT FLOOR
-
Rear floor
V:LOW FLOOR
-
Battery box
T/K
-
Battery box
V
-
Deck gate
T
-
Deck gate
K
-
Roof panel
T/K
-
Roof panel
V:STD ROOF
-
Roof panel
V:HIGH ROOF
-
Front grille
FRONT GRILLE
-
Front bumper
FRONT BUMPER
-
Rear bumber
V
-
Floor mat and carpet
T/K,V:STD ROOF
-
Floor mat and carpet
V:HIGH ROOF
-
Mud flap
MUD FLAP