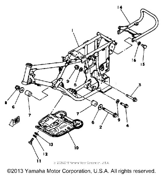
Frame Diagram Yamaha TRI-MOTO Tri-Moto 175
- Model code
- YT175J
- Engine Capacity
- 175
- Year
- 1982
- Sales region
- USA
- Stroke (2-stroke or 4-stroke)
- 2 stroke
- 2WD/4WD/AWD
- 2WD
- Model
- Tri-Moto 175
Difficulties in parts search?
Difficulties in parts search?
| Description | OEM Part # | Price | |||
|---|---|---|---|---|---|
|
1
|
1
5V7-21110-00-33
Frame
|
5V7-21110-00-33 |
— | ||
|
2
|
2
90105-08206-00
Bolt, Washer Based
|
90105-08206-00 |
— | ||
| replacement | |||||
|
2
|
2
999-99999-99-00
Not Available
|
999-99999-99-00 |
— | ||
|
3
|
3
90105-08123-00 Bolt, Flange |
90105-08123-00 |
from US $4.11 |
||
| replacement | |||||
|
3
|
3
95817-08100-00 Bolt, Flange |
95817-08100-00 |
from US $4.11 |
||
|
4
|
4
90105-10037-00 Bolt, Flange |
90105-10037-00 |
from US $6.52 |
||
|
5
|
5
92990-08200-00 Washer, Plain |
92990-08200-00 |
from US $1.07 |
||
|
6
|
6
90201-08784-00 Washer, Plate |
90201-08784-00 |
from US $1.70 |
||
|
7
|
7
328-15316-00-00
Damper, Engine Mount 1 (328-153)
328-153 |
328-15316-00-00 |
— | ||
| replacement | |||||
|
7
|
7
90388-08003-00 Damper328-153 |
90388-08003-00 |
from US $19.87 |
||
|
8
|
8
901-85080-89-00
Nut, Self-Locking
|
901-85080-89-00 |
— | ||
| replacement | |||||
|
8
|
8
95617-08100-00 Nut, U |
95617-08100-00 |
from US $3.26 |
||
|
9
|
9
92990-10100-00 Ybs67-10 Washer, Spring |
92990-10100-00 |
from US $1.34 |
||
|
10
|
10
5V6-21471-00-33
Protector, Engine
|
5V6-21471-00-33 |
— | ||
|
11
|
11
973-13060-16-00
Bolt, Hexagon
|
973-13060-16-00 |
— | ||
| replacements | |||||
|
11
|
11
97095-06016-00 Bolt |
97095-06016-00 |
from US $1.28 |
||
|
11
|
11
97D95-06016-00 Bolt, Hexagon Deep Recess |
97D95-06016-00 |
from US $1.28 |
||
|
12
|
12
929-95061-00-00 Washer, Spring |
929-95061-00-00 |
from US $0.99 |
||
|
13
|
13
929-01066-00-00
Washer
|
929-01066-00-00 |
— | ||
| replacements | |||||
|
13
|
13
929-90066-00-00 Washer, Plain (646) |
929-90066-00-00 |
from US $1.07 |
||
|
13
|
13
90201-061A5-00 Washer, Plate (4H7) |
90201-061A5-00 |
from US $1.84 |
||
|
13
|
13
92907-06600-00 Washer, Plate |
92907-06600-00 |
from US $1.04 |
||
|
14
|
14
5V6-28421-11-00
Bumper, Rear 1
|
5V6-28421-11-00 |
— | ||
|
15
|
15
97313-08018-00 Bolt, Hex |
97313-08018-00 |
from US $6.37 |
||
| replacement | |||||
|
15
|
15
901-01086-91-00 Bolt(Ja9) |
901-01086-91-00 |
from US $7.37 |
||
|
16
|
16
92990-08100-00 Ybs67-8 Washer, Spring |
92990-08100-00 |
from US $1.34 |
||