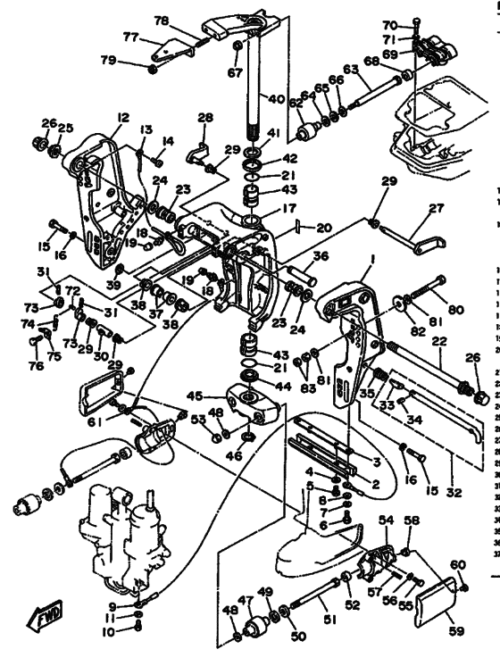
Bracket 2 Diagram Yamaha 70 ET(D/M)OL
- Year
- 1993
- Model
- 70B
- Model code
- 6H3
- Year
- 1993
- Stroke (2-stroke or 4-stroke)
- 2 stroke
- Power
- 70
- Sales region
- Europe (999)
- Colour
- Metallic Marine Blue (MMB; 00EJ)
Difficulties in parts search?
Difficulties in parts search?
| Description | OEM Part # | Price | |||
|---|---|---|---|---|---|
|
1
|
1
6H1-43111-00-EJ Bracket, Clamp 1UR |
6H1-43111-00-EJ |
US $529.13 |
||
| replacement | |||||
|
1
|
1
6H1-43111-01-EJ
Bracket, Clamp
UR |
6H1-43111-01-EJ |
— | ||
|
1
|
1
688-43111-12-EJ
Bracket, Clamp
UR |
688-43111-12-EJ |
— | ||
| replacement | |||||
|
1
|
1
999-99999-99-00
Not Available
UR |
999-99999-99-00 |
— | ||
|
2
|
2
6H1-45251-02-00 Anode |
6H1-45251-02-00 |
US $22.24 |
||
| replacement | |||||
|
2
|
2
6H1-45251-03-00 Anode |
6H1-45251-03-00 |
from US $22.24 |
||
|
3
|
3
6H1-44526-00-00 Plate |
6H1-44526-00-00 |
from US $12.18 |
||
| replacement | |||||
|
3
|
3
6EK-44536-00-00 Plate 2 |
6EK-44536-00-00 |
from US $12.18 |
||
|
4
|
4
90201-06M31-00 Washer, Plate |
90201-06M31-00 |
from US $1.70 |
||
|
5
|
5
973-95060-12-00
Bolt
|
973-95060-12-00 |
— | ||
| replacement | |||||
|
5
|
5
970-80060-12-00 Bolt |
970-80060-12-00 |
from US $1.98 |
||
|
6
|
6
973-95060-16-00
Bolt, Hex
|
973-95060-16-00 |
— | ||
| replacements | |||||
|
6
|
6
97095-06016-00 Bolt |
97095-06016-00 |
from US $1.28 |
||
|
6
|
6
97D95-06016-00 Bolt, Hexagon Deep Recess |
97D95-06016-00 |
from US $1.28 |
||
|
7
|
7
929-95061-00-00 Washer, Spring |
929-95061-00-00 |
from US $0.99 |
||
|
8
|
8
929-90066-00-00 Washer, Plain (646) |
929-90066-00-00 |
from US $1.07 |
||
|
9
|
9
6H1-82148-00-00 Wire, Lead 4 |
6H1-82148-00-00 |
US $10.63 |
||
| replacement | |||||
|
9
|
9
6T4-82117-00-00 Wire, Lead |
6T4-82117-00-00 |
from US $9.92 |
||
|
10
|
10
97395-06010-00 Bolt |
97395-06010-00 |
from US $1.15 |
||
| replacement | |||||
|
10
|
10
97085-06010-00 Bolt |
97085-06010-00 |
from US $1.28 |
||
|
11
|
11
929-90066-00-00 Washer, Plain (646) |
929-90066-00-00 |
from US $1.07 |
||
|
12
|
12
6H1-43112-00-EJ
Bracket, Clamp 2
UR |
6H1-43112-00-EJ |
— | ||
| replacement | |||||
|
12
|
12
999-99999-99-00
Not Available
UR |
999-99999-99-00 |
— | ||
|
12
|
12
688-43112-12-EJ
Bracket, Clamp
UR |
688-43112-12-EJ |
— | ||
|
13
|
13
6E5-82148-00-00 Wire, Lead 4 |
6E5-82148-00-00 |
from US $5.64 |
||
|
14
|
14
92580-06012-00 Screw |
92580-06012-00 |
US $1.56 |
||
| replacement | |||||
|
14
|
14
97885-06012-00 Screw, Pan Head |
97885-06012-00 |
from US $1.56 |
||
|
15
|
15
97395-10045-00 Bolt |
97395-10045-00 |
US $7.51 |
||
| replacements | |||||
|
15
|
15
970-75100-45-00 Bolt(64D) |
970-75100-45-00 |
from US $8.64 |
||
|
15
|
15
97095-10045-00 Bolt |
97095-10045-00 |
from US $5.30 |
||
|
16
|
16
92990-10100-00 Ybs67-10 Washer, Spring |
92990-10100-00 |
from US $1.34 |
||
|
17
|
17
6H1-43311-01-EJ
Bracket, Swivel 1
|
6H1-43311-01-EJ |
— | ||
|
18
|
18
93700-06M03-00 Nipple, Grease |
93700-06M03-00 |
from US $2.66 |
||
|
19
|
19
663-45119-00-00 Cap, Grease Nipple |
663-45119-00-00 |
US $3.68 |
||
|
20
|
20
688-43691-01-00
Indicator, Tilt
|
688-43691-01-00 |
— | ||
| replacement | |||||
|
20
|
20
999-99999-99-00
Not Available
|
999-99999-99-00 |
— | ||
|
21
|
21
93210-29M94-00 O-Ring |
93210-29M94-00 |
from US $2 |
||
|
22
|
22
688-43131-03-00 Bolt, Clamp Bracket |
688-43131-03-00 |
from US $106.38 |
||
|
23
|
23
90386-22M15-00 Bush |
90386-22M15-00 |
from US $4.96 |
||
|
24
|
24
90201-22M67-00 Washer, Plate |
90201-22M67-00 |
from US $1.34 |
||
|
25
|
25
901-85220-43-00
Nut, Self-Locking
|
901-85220-43-00 |
— | ||
| replacement | |||||
|
25
|
25
90185-22007-00 Nut, Self-Locking |
90185-22007-00 |
from US $23.16 |
||
|
26
|
26
6G5-43145-00-00 Cap, Clamp Bracket |
6G5-43145-00-00 |
US $7.23 |
||
| replacement | |||||
|
26
|
26
6G5-43145-01-00 Cap, Clamp Bracket |
6G5-43145-01-00 |
from US $6.62 |
||
|
27
|
27
6H1-43181-01-00 Lever, Tilt Stop 1 |
6H1-43181-01-00 |
from US $57.47 |
||
|
28
|
28
6H1-43185-01-00 Lever, Tilt Stop 2 |
6H1-43185-01-00 |
from US $48.77 |
||
|
29
|
29
90386-10M16-00 Bush |
90386-10M16-00 |
from US $2 |
||
|
30
|
30
90387-10M02-00 Collar |
90387-10M02-00 |
from US $4.11 |
||
|
31
|
31
91690-30020-00 Pin, Spring |
91690-30020-00 |
from US $1.34 |
||
|
32
|
32
688-43160-01-00 Tilt Rod Assy |
688-43160-01-00 |
from US $25.80 |
||
|
33
|
33
688-43165-00-00 Plate, Tilt Lock |
688-43165-00-00 |
from US $7.23 |
||
|
34
|
34
91690-30012-00 Pin, Spring |
91690-30012-00 |
from US $2.69 |
||
|
35
|
35
90502-16M02-00 Spring, Conical |
90502-16M02-00 |
from US $2 |
||
|
36
|
36
6E5-43126-02-00 Pin, Upper Shock Mount |
6E5-43126-02-00 |
from US $23.94 |
||
|
37
|
37
90386-18M63-00 Bush |
90386-18M63-00 |
from US $3.64 |
||
|
38
|
38
90386-18M35-00 Bush |
90386-18M35-00 |
from US $10.58 |
||
|
39
|
39
93410-18M02-00 Circlip |
93410-18M02-00 |
US $3.12 |
||
| replacement | |||||
|
39
|
39
93410-18M05-00 Circlip (6F2) |
93410-18M05-00 |
from US $2.98 |
||
|
40
|
40
6H3-42510-12-EJ
Steering Bracket Assy
|
6H3-42510-12-EJ |
— | ||
| replacement | |||||
|
40
|
40
6H3-42510-13-EJ
Steering Bracket Assy
|
6H3-42510-13-EJ |
— | ||
|
41
|
41
90201-30M00-00 Washer, Plate |
90201-30M00-00 |
from US $4.64 |
||
|
42
|
42
90386-30M78-00 Bush |
90386-30M78-00 |
from US $2.66 |
||
|
43
|
43
90386-30M77-00 Bush |
90386-30M77-00 |
from US $9.92 |
||
|
44
|
44
90386-30M60-00 Bush |
90386-30M60-00 |
from US $2.66 |
||
|
45
|
45
6H3-44551-00-EJ
Housing, Lower Mount Rubber 1
|
6H3-44551-00-EJ |
— | ||
| replacement | |||||
|
45
|
45
6H3-44551-01-EJ
Hsg Lower M0Unt
|
6H3-44551-01-EJ |
— | ||
|
46
|
46
93410-28M06-00 Circlip |
93410-28M06-00 |
from US $7.23 |
||
|
47
|
47
687-44555-00-94 Mount Damper, Lower Side |
687-44555-00-94 |
US $73.22 |
||
| replacement | |||||
|
47
|
47
687-44555-00-00 Mount Damper, Lower Side |
687-44555-00-00 |
from US $72.42 |
||
|
48
|
48
90201-12M16-00 Washer, Plate |
90201-12M16-00 |
from US $2.32 |
||
|
49
|
49
90202-25M04-00 Washer, Plate |
90202-25M04-00 |
from US $2.66 |
||
|
50
|
50
90201-25M04-00
Washer, Plate
|
90201-25M04-00 |
— | ||
|
51
|
51
90109-13M19-00
Bolt
|
90109-13M19-00 |
— | ||
|
52
|
52
663-44575-00-00 Damper, Lower Mount Rubber |
663-44575-00-00 |
US $10.48 |
||
| replacement | |||||
|
52
|
52
663-44575-01-00 Damper, lower mount rubber |
663-44575-01-00 |
from US $10.48 |
||
|
53
|
53
95380-12800-00 Nut, Crown |
95380-12800-00 |
from US $3.64 |
||
|
54
|
54
6H3-44552-01-94 Housing, Lower Mount Rubber 2 |
6H3-44552-01-94 |
US $70.19 |
||
| replacement | |||||
|
54
|
54
6H3-44552-03-00 Housing, Lower Mount Rubber |
6H3-44552-03-00 |
from US $49.82 |
||
|
55
|
55
97395-08025-00 Bolt |
97395-08025-00 |
from US $4.53 |
||
| replacements | |||||
|
55
|
55
98980-08025-00 Screw, Bind (98902-08025-00) |
98980-08025-00 |
from US $5.24 |
||
|
55
|
55
97095-08025-00 Bolt |
97095-08025-00 |
from US $2.98 |
||
|
56
|
56
92990-08100-00 Ybs67-8 Washer, Spring |
92990-08100-00 |
from US $1.34 |
||
|
57
|
57
90501-14326-00
Spring, Compression
|
90501-14326-00 |
— | ||
|
58
|
58
90179-06066-00 Nut |
90179-06066-00 |
from US $4.96 |
||
|
59
|
59
6H3-44553-00-EJ
Cover, Lower Mount
|
6H3-44553-00-EJ |
— | ||
| replacement | |||||
|
59
|
59
6H3-44553-01-EJ
Cover, Lower Mount
|
6H3-44553-01-EJ |
— | ||
|
60
|
60
92390-06015-00 Screw, Cylinder Head (664) |
92390-06015-00 |
US $2.55 |
||
| replacement | |||||
|
60
|
60
98580-06016-00 Screw Pan Head |
98580-06016-00 |
from US $2.55 |
||
|
61
|
61
688-82127-02-00 Wire, Lead 2 |
688-82127-02-00 |
from US $25.64 |
||
|
62
|
62
688-44514-00-94 Mount Damper, Upper Side |
688-44514-00-94 |
US $60.93 |
||
| replacement | |||||
|
62
|
62
688-44514-00-00 Mount Damper, Upper Side |
688-44514-00-00 |
from US $60.18 |
||
|
63
|
63
90101-10M49-00 Bolt |
90101-10M49-00 |
from US $19.26 |
||
| replacement | |||||
|
63
|
63
90101-10041-00 Bolt |
90101-10041-00 |
from US $17.86 |
||
|
64
|
64
90201-20M21-00 Washer, Plate |
90201-20M21-00 |
from US $3.64 |
||
|
65
|
65
90202-20M06-00 Washer, Plate |
90202-20M06-00 |
from US $2.66 |
||
|
66
|
66
90201-11M22-00 Washer, Plate |
90201-11M22-00 |
from US $3.98 |
||
|
67
|
67
901-85100-51-00
Nut, Self-Locking
|
901-85100-51-00 |
— | ||
| replacement | |||||
|
67
|
67
90185-10027-00 Nut, Self-Locking |
90185-10027-00 |
from US $1.42 |
||
|
68
|
68
663-44575-00-00 Damper, Lower Mount Rubber |
663-44575-00-00 |
US $10.48 |
||
| replacement | |||||
|
68
|
68
663-44575-01-00 Damper, lower mount rubber |
663-44575-01-00 |
from US $10.48 |
||
|
69
|
69
688-44511-00-94 Cover, Upper Mount |
688-44511-00-94 |
US $40.62 |
||
| replacement | |||||
|
69
|
69
688-44511-00-00 Cover, Upper Mount |
688-44511-00-00 |
from US $40.62 |
||
|
70
|
70
97090-08035-00 Bolt |
97090-08035-00 |
from US $5.53 |
||
| replacements | |||||
|
70
|
70
97070-08035-00 Bolt |
97070-08035-00 |
from US $2.59 |
||
|
70
|
70
97095-08035-00 Bolt |
97095-08035-00 |
from US $5.30 |
||
|
71
|
71
92990-08100-00 Ybs67-8 Washer, Spring |
92990-08100-00 |
from US $1.34 |
||
|
72
|
72
90249-06M19-00 Pin |
90249-06M19-00 |
from US $3.40 |
||
|
73
|
73
6G5-43148-00-00 Collar, Distance |
6G5-43148-00-00 |
from US $2.98 |
||
|
74
|
74
90506-14M24-00 Spring, Tension |
90506-14M24-00 |
from US $3.68 |
||
|
75
|
75
6G5-43144-00-00 Hook, Spring |
6G5-43144-00-00 |
from US $3.26 |
||
|
76
|
76
97395-06010-00 Bolt |
97395-06010-00 |
from US $1.15 |
||
| replacement | |||||
|
76
|
76
97085-06010-00 Bolt |
97085-06010-00 |
from US $1.28 |
||
|
77
|
77
6H3-48511-51-EJ Hook, Steering |
6H3-48511-51-EJ |
US $46.70 |
||
| replacement | |||||
|
77
|
77
6H3-48511-52-00 Hook, Steering |
6H3-48511-52-00 |
from US $40.39 |
||
|
78
|
78
90116-10175-00 Bolt, Stud |
90116-10175-00 |
from US $5.38 |
||
| replacements | |||||
|
78
|
78
901-16100-62-00 Bolt, Stud |
901-16100-62-00 |
from US $5.38 |
||
|
78
|
78
90116-10063-00 Bolt, Stud |
90116-10063-00 |
from US $5.64 |
||
|
79
|
79
901-85100-51-00
Nut, Self-Locking
|
901-85100-51-00 |
— | ||
| replacement | |||||
|
79
|
79
90185-10027-00 Nut, Self-Locking |
90185-10027-00 |
from US $1.42 |
||
|
80
|
80
90101-12M65-00 Bolt |
90101-12M65-00 |
US $18.99 |
||
|
81
|
81
92995-12200-00 Washer |
92995-12200-00 |
from US $2.09 |
||
| replacement | |||||
|
81
|
81
929-90122-00-00 Washer, Plain |
929-90122-00-00 |
from US $1.34 |
||
|
82
|
82
90201-12426-00 Washe, Plate(663) |
90201-12426-00 |
from US $3.24 |
||
|
83
|
83
95380-12600-00 Nut |
95380-12600-00 |
from US $4.96 |
||