Electrical 3 Diagram Yamaha F90 ETL/X
- Year
- 2007
- Model
- F90B
- Model code
- 6D8
- Year
- 2007
- Stroke (2-stroke or 4-stroke)
- 4 stroke
- Power
- 90
- Sales region
- Europe (140)
- Colour
- Dark Bluish Gray Metallic 2 (DBNM2; 004D)
Difficulties in parts search?
Difficulties in parts search?
| Description | OEM Part # | Price | |||
|---|---|---|---|---|---|
|
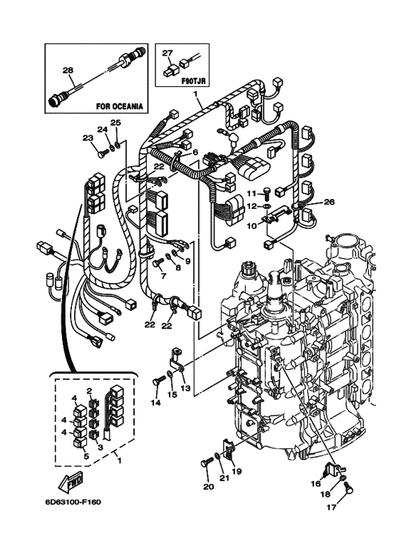
1
|
1
6D8-82590-30-00 Wire Harness Assy |
6D8-82590-30-00 |
US $784.08 |
||
| replacements | |||||
|
1
|
1
6D8-82590-32-00 WIRE HARNESS ASSY |
6D8-82590-32-00 |
US $529.08 |
||
|
1
|
1
6D8-82590-34-00 Wire Harness Assy |
6D8-82590-34-00 |
US $1,073.87 |
||
|
2
|
2
67F-82151-00-00
Fuse (20A-Bl)
20A |
67F-82151-00-00 |
— | ||
| replacement | |||||
|
2
|
2
5JJ-82151-20-00 Fuse (20A-Bl)20A |
5JJ-82151-20-00 |
from US $3.54 |
||
|
3
|
3
67F-82151-10-00
Fuse (30A-Bl)
30A |
67F-82151-10-00 |
— | ||
| replacement | |||||
|
3
|
3
5JJ-82151-60-00 Fuse (30A-Bl)30A |
5JJ-82151-60-00 |
from US $2.83 |
||
|
4
|
4
67F-8215B-10-00 Cap (Yellow) |
67F-8215B-10-00 |
from US $10.20 |
||
|
5
|
5
67F-8215B-20-00 Cap (Green) |
67F-8215B-20-00 |
from US $10.20 |
||
|
6
|
6
90464-76001-00 Clamp |
90464-76001-00 |
from US $3.83 |
||
|
7
|
7
97095-06016-00 Bolt |
97095-06016-00 |
from US $1.28 |
||
| replacement | |||||
|
7
|
7
97D95-06016-00 Bolt, Hexagon Deep Recess |
97D95-06016-00 |
from US $1.28 |
||
|
8
|
8
929-95061-00-00 Washer, Spring |
929-95061-00-00 |
from US $0.99 |
||
|
9
|
9
929-95066-00-00
Washer, Plate
|
929-95066-00-00 |
— | ||
| replacement | |||||
|
9
|
9
929-90066-00-00 Washer, Plain (646) |
929-90066-00-00 |
from US $1.07 |
||
|
10
|
10
6D8-82588-00-00 Plate |
6D8-82588-00-00 |
from US $8.50 |
||
| replacement | |||||
|
10
|
10
6D8-82588-01-00 Plate |
6D8-82588-01-00 |
from US $8.50 |
||
|
11
|
11
97095-06012-00 Bolt |
97095-06012-00 |
from US $1.98 |
||
| replacement | |||||
|
11
|
11
970-80060-12-00 Bolt |
970-80060-12-00 |
from US $1.98 |
||
|
12
|
12
929-95066-00-00
Washer, Plate
|
929-95066-00-00 |
— | ||
| replacement | |||||
|
12
|
12
929-90066-00-00 Washer, Plain (646) |
929-90066-00-00 |
from US $1.07 |
||
|
13
|
13
6D8-82581-00-00 Stay, Cord Clamp |
6D8-82581-00-00 |
US $16.86 |
||
| replacement | |||||
|
13
|
13
6D8-82581-01-00 Stay, Cord Clamp |
6D8-82581-01-00 |
from US $10.94 |
||
|
14
|
14
97095-06014-00 Bolt |
97095-06014-00 |
US $1.56 |
||
| replacement | |||||
|
14
|
14
97D95-06014-00 Bolt, Hexagon Deep R |
97D95-06014-00 |
from US $1.07 |
||
|
15
|
15
929-95066-00-00
Washer, Plate
|
929-95066-00-00 |
— | ||
| replacement | |||||
|
15
|
15
929-90066-00-00 Washer, Plain (646) |
929-90066-00-00 |
from US $1.07 |
||
|
16
|
16
6D8-82389-00-00 Plate 2 |
6D8-82389-00-00 |
from US $3.97 |
||
| replacement | |||||
|
16
|
16
6D8-82389-01-00 Plate 2 |
6D8-82389-01-00 |
from US $3.97 |
||
|
17
|
17
97095-06012-00 Bolt |
97095-06012-00 |
from US $1.98 |
||
| replacement | |||||
|
17
|
17
970-80060-12-00 Bolt |
970-80060-12-00 |
from US $1.98 |
||
|
18
|
18
929-95066-00-00
Washer, Plate
|
929-95066-00-00 |
— | ||
| replacement | |||||
|
18
|
18
929-90066-00-00 Washer, Plain (646) |
929-90066-00-00 |
from US $1.07 |
||
|
19
|
19
6D8-82398-00-00 Plate 3 |
6D8-82398-00-00 |
from US $4.68 |
||
| replacement | |||||
|
19
|
19
6D8-82398-01-00 Plate 3 |
6D8-82398-01-00 |
from US $4.68 |
||
|
20
|
20
97095-06012-00 Bolt |
97095-06012-00 |
from US $1.98 |
||
| replacement | |||||
|
20
|
20
970-80060-12-00 Bolt |
970-80060-12-00 |
from US $1.98 |
||
|
21
|
21
929-95066-00-00
Washer, Plate
|
929-95066-00-00 |
— | ||
| replacement | |||||
|
21
|
21
929-90066-00-00 Washer, Plain (646) |
929-90066-00-00 |
from US $1.07 |
||
|
22
|
22
90465-13M18-00 Clamp |
90465-13M18-00 |
from US $1.35 |
||
| replacements | |||||
|
22
|
22
90465-13M39-00 Clamp(6E8) |
90465-13M39-00 |
from US $1.34 |
||
|
22
|
22
90465-13M30-00 Clamp |
90465-13M30-00 |
from US $1.98 |
||
|
23
|
23
97095-06016-00 Bolt |
97095-06016-00 |
from US $1.28 |
||
| replacement | |||||
|
23
|
23
97D95-06016-00 Bolt, Hexagon Deep Recess |
97D95-06016-00 |
from US $1.28 |
||
|
24
|
24
929-95061-00-00 Washer, Spring |
929-95061-00-00 |
from US $0.99 |
||
|
25
|
25
929-95066-00-00
Washer, Plate
|
929-95066-00-00 |
— | ||
| replacement | |||||
|
25
|
25
929-90066-00-00 Washer, Plain (646) |
929-90066-00-00 |
from US $1.07 |
||
|
26
|
26
90465-13M11-00 Clamp |
90465-13M11-00 |
from US $1.70 |
||
| replacement | |||||
|
26
|
26
80L-26397-00-00 Band |
80L-26397-00-00 |
from US $1.21 |
||
|
27
|
27
68V-82582-10-00 Cover, Wire HarnessF90TJR |
68V-82582-10-00 |
from US $10.48 |
||