Honda CIVIC Car & Auto Parts
- Year
- 1997
- Model code
- CIVIC
- Sales region
- General
- Engine
- 20T2R12N
- transmission
- 5MT
- Number of doors
- 5
- grade
- 2.0ITD
- area code
- KE
- right-hand drive
- +
- sunroof
- +
- power window
- +
Difficulties in parts search?
-
Clutch
DIESEL
-
Mainshaft
DIESEL
-
Countershaft
DIESEL
-
Air cleaner
DIESEL
-
Air flow sensor
DIESEL
-
Exhaust pipe
DIESEL
-
Fuel tank
DIESEL
-
Fuel pipe
DIESEL
-
Radiator
DIESEL
-
Radiator hose
DIESEL
-
Battery
DIESEL
-
Wire harness
DIESEL
-
Harness band/bracket
DIESEL
-
Headlight
'97-
-
Fog light
-
Taillight
-
Interior light
-
Combination switch
RH
-
Switch
RH
-
Combination meter components
-
Control unit
ENGINE ROOM; DIESEL
-
Control unit
CABIN; RH
-
Srs unit
RH; '96-
-
Front windshield wiper
RH
-
Rear wiper
-
Windshield washer
DIESEL
-
Radio antenna/speaker
-
Heater control
-
Heater blower
RH; DIESEL
-
Heater unit
RH
-
Water valve
-
Tire/wheel disk
-
Rear brake
DRUM
-
Driveshaft
-
Front brake
-
Pedal
RH
-
Clutch master cylinder
DIESEL
-
Brake master cylinder
DIESEL
-
Brake lines
RH
-
Parking brake
-
Knuckle
-
Front stabilizer/ front lower arm
-
Front shock absorber
-
Rear stabilizer/ rear lower arm
-
Rear shock absorber
-
Steering column
-
P.s. gear box
RH
-
P.s. line
RH; DIESEL
-
Shift lever
DIESEL
-
Floor mat
-
Grommet
-
Instrument panel
RH
-
Instrument panel garnish
RH
-
Console
-
Roof lining
RH
-
Sliding roof
'97-
-
Roof slide component
'97-
-
Pillar garnish
RH
-
Front door lining
RH
-
Rear door lining
-
Side lining
-
Front seat
L.; '96-
-
Front seat
R.; '96-
-
Front seat components
R.; HEIGHT ADJUSTER
-
Front seat components
L.; MANUAL SLIDE
-
Rear seat
ARMREST
-
Seatbelts
-
Emblems
-
Molding
-
Protector
-
Mirror
-
Tools/jack
-
Front grille
'97-
-
Bumper
'97-
-
Engine mounts
DIESEL
-
Front bulkhead
-
Inner panels
-
Outer panels
-
Front fenders
-
Hood
'97-
-
Front windshield
-
Rear windshield
-
Front door windows
-
Front door locks
-
Front door panels
-
Rear door windows
-
Rear door locks
-
Rear door panels
-
Tailgate
-
Air conditioner
COOLING UNIT; RH
-
Air conditioner
COMPRESSOR; SOHC
-
Engine wire harness
DIESEL
-
Alternator
DIESEL
-
Starter motor
DIESEL
-
Cylinder head
DIESEL
-
Water pump
DIESEL
-
P.s. pump
DIESEL
-
Fuel injector pump
DIESEL; 1
-
Fuel injector
DIESEL
-
Manifold
DIESEL; 1
-
Turbocharger
DIESEL; 1
-
Sensor
DIESEL; 1
-
Heater plug
DIESEL
-
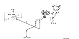
Egr valve pipe
DIESEL; 1
-
Camshaft cover
DIESEL
-
Engine assy./ acoustic cover
DIESEL
-
Timing belt cover
DIESEL
-
Fuel injector pump drive cover
DIESEL
-
Timing belt
DIESEL
-
Oil pump
DIESEL
-
Oil cooler
DIESEL
-
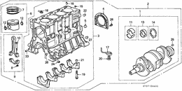
Cylinder block/piston
DIESEL
-
Oil pan
DIESEL
-
Gasket kit
DIESEL
-
Clutch release
DIESEL
-
Shift fork
DIESEL
-
Shift rod/shift holder
DIESEL
-
Clutch case
DIESEL
-
Speed sensor
DIESEL
-
Transmission case
DIESEL
-
Adaptor
DIESEL
-
Differential
DIESEL
-
Radio/cassette 303r
-
R/c 213r - amber d.
-
R/c 213r - amber d.
-
Radio/cassette 200r
-
Radio/cassette 150r
-
Radio/cassette 100r
-
Cd changer alpine
-
Cd changer pioneer
-
Rear speakers
-
Tweeters
-
Cd changer att 5,5 m
-
Cd changer attachmen
-
Cd changer protectio
-
Front lower skirt
-
Rear lower skirt
-
Side skirts
-
Spoiler with hmsl -
-
Spoiler with hmsl -
-
Spoiler with hmsl -
-
Spoiler with hmsl -
-
Spoiler with hmsl -
-
Spoiler with hmsl -
-
Spoiler with hmsl -
-
Spoiler with hmsl -
-
Spoiler with hmsl -
-
Spoiler with hmsl -
-
Spoiler with hmsl -
-
Spoiler with hmsl -
-
Spoiler with hmsl -l
-
Trunk spoiler with h
-
Trunk spoiler with h
-
Exh pipe finisher
-
Base carrier
-
Ski att for base car
-
Bicycle lift
-
Single bicycle base carrier attachment
-
Lock set for base ca
-
Lock set for base ca
-
Lock set for base ca
-
Lock set for base ca
-
Lock set for base ca
-
Trailer hitch fixed
-
Trailer harness7 pin
-
Trailer hitch detach
-
Front mudguards
-
Rear mudguards
-
Trunk floor mat
-
Trunk tray
-
Floor carpet eleganc
-
Floor carpet eleganc
-
Front seat covers
-
Rear seat covers
-
Rear seat covers
-
Booster seat
-
Infant seat
-
Toddler seat
-
Sunroof visor
-
Door visor
-
Rear sunshade
-
Pollen filter
-
Cassette holder
-
Armrest
-
Armrest
-
Leather steering whe
-
Leather sports steer
-
Front foglight kit
-
Alloy wheel 14x6
-
Alloy wheel 14x6
-
Alloy wheel 14x5,5
-
Alloy wheel14 x 5
-
Alloy 15x6 -motegi/nexus - civ5d/aero
-
Wheel nuts open type
-
Wheel nuts cap type
-
Locking wheel nuts o
-
Locking wheel nuts c
-
Locking wheel nuts c
-
Locking wheel nuts c
-
Panel wood-effect