Mitsubishi I<AI> Car & Auto Parts
- Year
- -
- Sales region
- EUR
- Note
- M(2WD/MPI/TURBO),4FA/T RHD
- drive
- 2WD
- transmission
- 4FA/T
- grade
- M
Difficulties in parts search?
-
Engine assy
-
Fuel tank
IN TANK FUEL PUMP
-
Fuel tank
FUEL TANK
-
Fuel tank
FUEL FILLER NECK
-
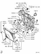
Radiator,hose & condenser tank
RADIATOR HOSE
-
Radiator,hose & condenser tank
COOLING MODULE
-
Radiator,hose & condenser tank
CONDENSER TANK,FAN & MOTOR
-
Air cleaner
-
Starter
ALL (ASSEMBLY)
-
Starter
ALL (INNER PARTS)
-
Auto transmission assy
-
Wheel,tire & cover
-
Rear susp
-
Steering wheel
-
Front bumper & support
-
Front garnish & moulding
-
I/panel & related parts
I/PANEL PAD,GLOVEBOX,ETC.
-
I/panel & related parts
AIR OUTLET,AIR BAG,BEZEL,ETC.
-
Front seat
RH..EXC COVER
-
Front seat
LH..EXC COVER
-
Front seat
LH..COVER,ETC.
-
Front seat
RH..COVER,ETC.
-
Headlamp
-
Heater unit & piping
DISASSEMBLED PARTS
-
Heater unit & piping
INSTALLING PARTS
-
Standard tool
JACK,AIR COMPRESSOR,ETC.
-
Standard tool
SEALANT KIT,TIRE
-
Short engine assy
-
Fuel line & vapor gas control
-
Steering column & cover
-
Parking brake control
-
Rear bumper & support
-
Side garnish & moulding
DRIP MOULDING,DOOR SASH TAPE
-
Side garnish & moulding
GARNISH,AIR DAM
-
Front exterior lamp
-
Front susp arm & member
-
Steering gear
-
Rear garnish & moulding
-
Console
-
Engine overhaul gasket kit
-
Liquid gasket
-
Rocker cover
-
Oil pump & oil filter
-
Water pump
ALL
-
Water pump
ALL (BELT FRONT VIEW)
-
Alternator & vacuum pump
-
A/t case
ALL (GEARSHIFT CONTROL & SENSOR)
-
A/t case
ALL (CONNECTING PARTS)
-
A/t case
-0803.2 ALL (T/M CASE)
-
Front susp strut & spring
-
Front wheel brake
-
Front door panel & glass
-
Ornament,mark & emblem
-
Rear seat
-0706.1
-
Rear seat
0706.1-
-
Rear exterior lamp
-
Cylinder head
-
Water pipe & thermostat
-
A/t tor-con & oil pump
-
Hood & lock
-
Cylinder block
-
A/t clutch
ALL (FRONT CLUTCH)
-
A/t clutch
ALL (REAR CLUTCH)
-
A/t clutch
ALL (END CLUTCH)
-
Front door window regulator
-
Cover,rear plate & oil pan
ALL (TIMING CHAIN CASE)
-
Cover,rear plate & oil pan
ALL (REAR PALTE & OIL PAN)
-
A/t brake
-
Front door locking
-
A/t gear & governor
-
Front axle hub & drum
-
Fender & front end cover
-
Mirror,grips & sunvisor
-
Room lamp
-
A/t valve body
-
Rear wheel brake
-
Front door trim & pull handle
-
Front end panel
-
A/t electronic control
-
A/t floor shift linkage
LEVER,ETC.
-
A/t floor shift linkage
CABLE,ETC.
-
Piston & crankshaft
ALL
-
Piston & crankshaft
ALL (TABLE FOR CHOOSING C/R BEARING)
-
Piston & crankshaft
ALL (TABLE FOR CHOOSING C/S BEARING)
-
Inlet manifold
ALL (MANIFOLD ETC)
-
Inlet manifold
ALL (BRACKET,CONNECTING PARTS)
-
Front deck & insulator
-
Rear door panel & glass
-
Outside rear view mirror
-
Heater control
-
Spark plug,cable & coil
-
Headlining
-
Windshield wiper & washer
-
Camshaft & valve
ALL (TIMING TRAIN)
-
Camshaft & valve
ALL (VALVE TRAIN)
-
Rear axle drive shaft
RH
-
Rear axle drive shaft
LH
-
Power brake booster
-
Windshield glass & moulding
-
Rear door window regulator
-
Interior trim
-
Rear door locking
-
Rear axle hub & drum
-
Roof & lid
-
Baggage room trim
-
Rear window wiper & washer
-0705.3
-
Rear window wiper & washer
0706.1-
-
Rear door trim & pull handle
-
Exhaust manifold
-
A/t oil cooler & tube
-
Brake line
FRONT
-
Brake line
REAR
-
Side structure
-
Floor mat
-
Meter,gauge & clock
-
Defroster nozzle & duct
-
Oil press switch or gauge unit
-
Fuel filler lid & lock
-
Silencer
-
Ventilation & duct
FRONT
-
Ventilation & duct
REAR
-
Side window glass & moulding
-
Floor
-
Turbocharger & supercharger
ALL (TURBOCHARGER)
-
Turbocharger & supercharger
ALL (INTER COOLER)
-
Electrical control
ALL (CONTROL UNIT ETC.)
-
Electrical control
ALL (CRANK ANGLE SENSOR ETC.)
-
Electrical control
ALL (OXYGEN SENSOR ETC.)
-
Rear end structure
-
Tailgate panel & glass
PANEL,GLASS,HINGE,ETC.
-
Tailgate panel & glass
LATCH,HANDLE,GARNISH,ETC.
-
Seat belt
-
Switch & cigar lighter
SWITCH..DOOR LAMP,COLUMN
-
Switch & cigar lighter
SWITCH..AROUND INSTRUMENT PANEL
-
A/c condenser, piping
COMPRESSOR
-
A/c condenser, piping
PIPING
-
A/c condenser, piping
CONDENSER
-
Tailgate trim
-
Engine mounting & support
-
Exhaust pipe & muffler
-
Radio & audio accessories
-
Speaker
-
/zapchasti-dlya-avtomobilej/mitsubishi/i-ai-4401/ha1w-10700/lrmfr-165075/n-a-1882932
-
Antenna & condenser
-
Horn & buzzer
-
Brake & clutch pedal
-
Loose panel
FRONT DECK,FLOOR,ATTACHMENT PARTS
-
Loose panel
UNDER COVER,ETC.
-
Loose panel
UNDER FLOOR ATTACHMENT PARTS
-
Relay,flasher & sensor
RELAY,ETC..BONNET ROOM,REAR FLOOR
-
Relay,flasher & sensor
ABS,EPS,AIR BAG CONTROL UNIT,ETC.
-
Relay,flasher & sensor
RELAY,ETC..AROUND INSTRUMENT PANEL
-
Relay,flasher & sensor
RELAY INSTALLATION TABLE
-
/zapchasti-dlya-avtomobilej/mitsubishi/i-ai-4401/ha1w-10700/lrmfr-165075/n-a-1882987
-
Battery cable & bracket
BATTERY,ETC.
-
Battery cable & bracket
CABLE,ETC.
-
Plugs,covers & shield
SPLASH SHIELD
-
Plugs,covers & shield
PLUG
-
Emission control
ALL (VACUUM HOSES SPECIFICATIONS)
-
Emission control
-0711.3
-
Emission control
0712.1-
-
Lock cylinder & key
-
Wiring & attaching parts
WIRING HARNESS..FLOOR,ROOF,TAILGATE
-
Wiring & attaching parts
WIRING HARNESS..DOOR
-
Wiring & attaching parts
BRACKET,ATTACHING PARTS,ETC.
-
Wiring & attaching parts
WIRING CLIP(1 OF 2)
-
Wiring & attaching parts
WIRING CLIP(2 OF 2)
-
Wiring & attaching parts
WIRING HARNESS..FRONT,ENGINE
-
Wiring & attaching parts
WIRING HARNESS..AROUND INSTRUMENT PANEL
-
Modulator
-
Anti-skid brake sensor
-
Engine control
-
Plate & label
LABEL..BONNET ROOM,CTR/PILLER,REAR FLOOR
-
Plate & label
LABEL..REAR SUSP TORSION,SHROUD FUN