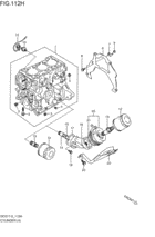
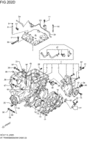
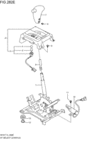
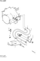
Suzuki CARRY/EVERY Car & Auto Parts

Year
1997 - 2011
Sales region
Japan
Engine
TURBO
supercharge
TEPI
drive
2WD
transmission
AT
grade
PG
number of the gears
3AT
body
P

Difficulties in parts search?

Model Options

Difficulties in parts search?

Suzuki CARRY/EVERY Car & Auto Japan 65660 Parts