Suzuki CARRY/SUPER CARRY Car & Auto Parts
- Year
- -
- Sales region
- Africa
- transmission
- 5MT
- grade
- DX
Difficulties in parts search?
-
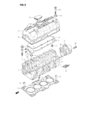
Engine gasket set
ENGINE GASKET SET
-
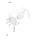
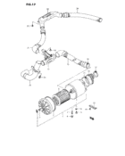
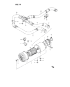
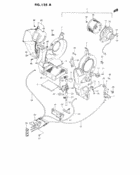
Intake manifold and carburetor
-
Intake manifold and carburetor
INTAKE MANIFOLD AND CARBURETOR
-
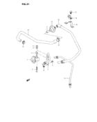
Carburetor
CARBURETOR
-
Carburetor
-
Breather hose
BREATHER HOSE
-
Air cleaner
T/K:N/SUB CLEANER
-
Air cleaner
T/K:W/SUB CLEANER
-
Air cleaner
V:N/SUB CLEANER,N/AIR VALVE
-
Air cleaner
V:N/SUB CLEANER,W/AIR VALVE
-
Air cleaner
V:W/SUB CLEANER
-
Control cable
CONTROL CABLE
-
Cylinder head
CYLINDER HEAD
-
Muffler
T/K
-
Muffler
V
-
Muffler
-
Fuel Pump
T/K
-
Fuel Pump
V
-
Oil pump
OIL PUMP
-
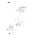
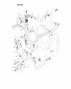
Water pump
WATER PUMP
-
Radiator
RADIATOR
-
Water hose
WATER HOSE
-
Emission control
EMISSION CONTROL
-
Emission control
Germany,Holland:W/CATALYZER
-
Emission control
Chile,Switzerland,Austria,Hong Kong:W/CATALYZER
-
Emission control
-
Cylinder
CYLINDER
-
Auxiliary air
Germany,Holland:W/CATALYZER
-
Label
LABEL
-
Oil pan
OIL PAN
-
Engine mounting
ENGINE MOUNTING
-
Crankshaft
CRANKSHAFT
-
Cam shaft
CAM SHAFT
-
Timing belt
TIMING BELT
-
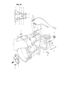
Clutch
CLUTCH
-
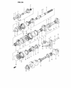
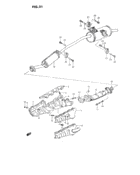
Transmission
5MT
-
Transmission case
TRANSMISSION CASE
-
Gear shift fork
5MT
-
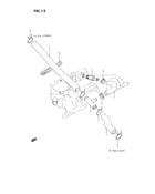
Gear shift control
GEAR SHIFT CONTROL
-
Propeller shaft
PROPELLER SHAFT
-
Differential gear
DIFFERENTIAL GEAR
-
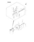
Starting motor
STARTING MOTOR
-
Starting motor
-
Generator
-
Generator
-
Distributor
DISTRIBUTOR
-
Distributor
Chile,Switzerland,Austria,Hungary AND Germany,Holland,Hong Kong:W/CATALYZER
-
Battery
T/K
-
Battery
V
-
Speedometer
T/K
-
Speedometer
V
-
Headlamp
TA
-
Headlamp
TX
-
Headlamp
V:
-
Headlamp
,2,Hungary
-
Front lamp
FRONT LAMP
-
Room lamp
ROOM LAMP
-
Rear lamp
T/K
-
Rear lamp
V
-
Wiring harness
T/K
-
Wiring harness
V
-
Wiring harness
LHD
-
Wiring harness
RHD
-
Switch
SWITCH
-
Switch
V:
-
Lock set
LOCK SET
-
Radio
RADIO
-
Front window wiper
FRONT WINDOW WIPER
-
Rear window wiper
REAR WINDOW WIPER
-
Head lamp cleaner
Finland
-
Front suspension
FRONT SUSPENSION
-
Front suspension frame
FRONT SUSPENSION FRAME
-
Front stabilizer
FRONT STABILIZER
-
Front axle
DRUM BRAKE TYPE
-
Front axle
DISC BRAKE TYPE
-
Rear suspension
REAR SUSPENSION
-
Rear axle
REAR AXLE
-
Road wheel and tire
ROAD WHEEL AND TIRE
-
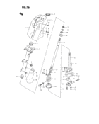
Steering wheel
STEERING WHEEL
-
Steering shaft
STEERING SHAFT
-
Steering gear
LHD
-
Steering gear
RHD
-
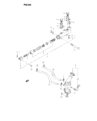
Steering link
STEERING LINK
-
Pedal and pedal bracket
LHD:
-
Pedal and pedal bracket
LHD:
-
Pedal and pedal bracket
RHD:
-
Pedal and pedal bracket
RHD:
-
Pedal and pedal bracket
,7,8
-
Pedal and pedal bracket
PEDAL AND PEDAL BRACKET
-
Pedal and pedal bracket
LHD:General,Philippines
-
Pedal and pedal bracket
-
Brake master cylinder
~DA21T-130984,~DA21V-141353
-
Brake master cylinder
-
Brake master cylinder
-
Brake master cylinder
-
Brake reservoir
RHD
-
Brake reservoir
LHD
-
Brake reservoir
-
Brake reservoir
BRAKE RESERVOIR
-
Brake piping
FRONT DRUM TYPE; ~DA21T-130984,~DA21V-141353
-
Brake piping
FRONT DISC TYPE; DA21T-130985~,DA21V-141501~
-
Brake piping
FRONT DISC TYPE
-
Brake piping
-
Front wheel brake
DRUM TYPE; ~DA21T-130984,~DA21V-141353
-
Front wheel brake
DISC TYPE; DA21T-130985~,DA21V-141501~
-
Front wheel brake
DISC TYPE
-
Front wheel brake
DISC TYPE
-
Rear wheel brake
~DA21T-131000,~DA21V-142202
-
Rear wheel brake
DA21T-131001~,DA21V-142203~
-
Rear wheel brake
-
Parking brake
PARKING BRAKE
-
Suspension bracket
SUSPENSION BRACKET
-
Deck floor member
T/K
-
Deck floor
T/K
-
Rear floor
V:FLAT FLOOR
-
Rear floor
V:LOW FLOOR
-
Seat under box
V:TX
-
Battery box
T/K
-
Battery box
V
-
Deck gate
T
-
Deck gate
K
-
Roof panel
T/K
-
Roof panel
V:STD ROOF
-
Roof panel
V:HIGH ROOF
-
Roof panel
V:SUN ROOF
-
Roof panel
V:
-
Sliding roof
V:SUN ROOF
-
Front grille
FRONT GRILLE
-
Front grille
V:
-
Front bumper
FRONT BUMPER
-
Rear bumper
V
-
Floor mat
T/K
-
Floor mat and carpet
V:LOW FLOOR
-
Floor mat and carpet
V:FLAT FLOOR
-
Mud flap
MUD FLAP
-
Instrument panel
LHD
-
Instrument panel
RHD
-
Instrument panel
-
Stripe tape and molding
STRIPE TAPE AND MOLDING
-
Emblem
EMBLEM
-
Interior trim
V
-
Heater
LHD
-
Heater
RHD
-
Ventilator
VENTILATOR
-
Ventilator
-
Front window
FRONT WINDOW
-
Front door panel
FRONT DOOR PANEL
-
Front door lock
FRONT DOOR LOCK
-
Front door glass
FRONT DOOR GLASS
-
Rear door panel
V
-
Rear door lock
V
-
Side window
V
-
Back door panel
V
-
Back door glass
V
-
Back door lock
V
-
Tire carrier
T/K
-
Tire carrier
V
-
Tool
TOOL
-
Fuel tank
T/K
-
Fuel tank
V
-
Front seat
T/K
-
Front seat
V:LHD:TA
-
Front seat
V:RHD:TA
-
Front seat
V:TX:LH SLIDE
-
Front seat
V:TX:RH SLIDE
-
Front seat
V:TX:R/L SLIDE
-
Rear seat
LOW FLOOR:BENCH TYPE
-
Rear seat
LOW FLOOR:BENCH TYPE,W/AUTO LOCK
-
Rear seat
FLAT FLOOR:BENCH TYPE
-
Rear seat
LOW FLOOR:SEPARATE TYPE
-
Rear seat
FLAT FLOOR:SEPARATE TYPE:W/4 PERSONS
-
Rear seat
FLAT FLOOR:SEPARATE TYPE:W/6 PERSONS
-
Rear seat
FLAT FLOOR:SEPARATE TYPE:Saudi Arabia
-
Third seat
LOW FLOOR
-
Third seat
FLAT FLOOR
-
Front seat belt
FRONT SEAT BELT
-
Rear seat belt
REAR SEAT BELT
-
Air conditioner
LHD
-
Air conditioner
RHD
-
Scroll assy
LHD:N/HEATER
-
Scroll assy
RHD:N/HEATER
-
Evaporator
LHD
-
Evaporator
RHD
-
Front panel
FRONT PANEL
-
Front floor
T/K
-
Front floor
V
-
Side body panel
T/K
-
Side body panel
V