Suzuki ALTO/A-STAR/CELERIO Car & Auto Parts
- Year
- 2009 - 2011
- Sales region
- Japan
- drive
- 2WD
- transmission
- MT
- grade
- SE
- abs
- ABS-N
Difficulties in parts search?
-
Cylinder head
2009-09-01~
-
Cylinder
2009-09-01~
-
engine gasket set
2009-09-01~
-
oil pan
2009-09-01~
-
engine mounting
2WD:MT; 2009-09-01~
-
cam chain
2009-09-01~
-
label
2009-09-01~
-
crankshaft
MT; 2009-09-01~
-
camshaft / valve
2009-09-01~
-
intake manifold
2009-09-01~
-
throttle body
MT,AT; 2009-09-01~
-
air cleaner
2009-09-01~
-
exhaust manifold
2009-09-01~
-
muffler
2009-09-01~
-
Fuel Pump
2009-09-01~
-
delivery pipe / fuel injector
2009-09-01~
-
Oil pump
2009-09-01~
-
water pump
2009-09-01~
-
radiator
DENSO; MT,AT; 2009-09-01~
-
radiator
DELPHI; MT,AT; 2009-09-01~
-
water hose
MT; 2009-09-01~
-
emission control
2009-09-01~
-
fuel tank
2009-09-01~
-
mt - clutch
MT; 2009-09-01~
-
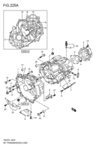
mt - transmission case
MT; 2009-09-01~
-
mt - transmission gear
MT; 2009-09-01~
-
mt - gearlever fork
MT; 2009-09-01~
-
フロントデファレンシャルギヤ
MT:2WD; 2009-09-01~
-
gearlever control
MT; 2009-09-01~
-
starting motor
MT,AT; 2009-09-01~
-
generator
2009-09-01~
-
battery
2009-09-01~
-
engine electrical
MT,AT; 2009-09-01~
-
electrical control
SE; 2009-09-01~
-
speed meter
2009-09-01~
-
head lamp
VP,SE,SF,SG,GS; 2009-09-01~
-
rear lamp / ル - ムランプ
2009-09-01~
-
エンジンブラケツト
MT; 2009-09-01~
-
wire ring harness
SE; 2009-09-01~
-
lock set
SE; 2009-09-01~
-
front wind windshield wiper
2009-09-01~
-
ウインドウオッシャ
2WD; 2009-09-01~
-
radio
SE; 2009-09-01~
-
front suspension
2009-09-01~
-
rear suspension
2WD; 2009-09-01~
-
road wheel / tire
VP,SE; 2009-09-01~
-
front wheel hub
2009-09-01~
-
front-drive shaft
2WD:MT; 2009-09-01~
-
front suspension frame
2WD; 2009-09-01~
-
rear axle
2WD:ABS-N; 2009-09-01~
-
steering wheel
2009-09-01~
-
steering column
VP,SE,SF,SG; 2009-09-01~
-
steering unit
2009-09-01~
-
pedal / pedal bracket
MT; 2009-09-01~
-
brakes master cylinder
ABS-N; 2009-09-01~
-
brakes piping
ABS-N; 2009-09-01~
-
rear wheel brakes
2009-09-01~
-
parking brakes
2009-09-01~
-
front wheel brakes
2009-09-01~
-
front hood
2009-09-01~
-
front fender
2009-09-01~
-
front body panel
2009-09-01~
-
floor panel
MT:2WD; 2009-09-01~
-
ル - フパネル
2009-09-01~
-
side body panel
2009-09-01~
-
cover / cap
2009-09-01~
-
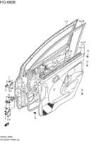
front door panel
SE; 2009-09-01~
-
rear door panel
VP,SE; 2009-09-01~
-
back door panel
2009-09-01~
-
front bumper
VP,SE; 2009-09-01~
-
rear bumper
VP,SE; 2009-09-01~
-
フューエルリッドオープナ
2009-09-01~
-
emblem
SE,SF,SG,SX,GS; 2009-09-01~
-
moulding
2009-09-01~
-
roof lining
2009-09-01~
-
installment panel
VP,SE; 2009-09-01~
-
ventilator
2009-09-01~
-
heater control
2009-09-01~
-
ヒ - タユニット
2009-09-01~
-
floor mat / carpet
SE,SF; 2009-09-01~
-
console box
MT; 2009-09-01~
-
i trim interior
SE,SF,SG,GS; 2009-09-01~
-
front door lock
SE; 2009-09-01~
-
rear door lock
SE; 2009-09-01~
-
back door lock
SE; 2009-09-01~
-
rear door regulator
VP,SE; 2009-09-01~
-
front door regulator
VP,SE; 2009-09-01~
-
windshield
2009-09-01~
-
mirror / sun visor
SE,SF; 2009-09-01~
-
seat belt
SE,SF,SG,GS; 2009-09-01~
-
front seat
SE,SF,SG,GS; 2009-09-01~
-
rear seat
SE,SF,SG; 2009-09-01~
-
tool
2009-09-01~
-
air-conditioner
ABS-N; 2009-09-01~
-
compressor
カルソニツク; 2009-09-01~
-
compressor
DENSO; 2009-09-01~