Honda PRELUDE Car & Auto Parts
- Year
- 1994
- Model code
- PRELUDE
- Sales region
- General
- Engine
- F22A
- transmission
- 4AT
- Number of doors
- 2
- grade
- SI
- area code
- KY
- left-hand drive
- +
Difficulties in parts search?
-
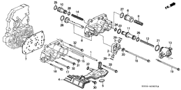
Torque converter case
-
Transmission case
-
R. side cover
-
Clutch
-
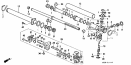
Mainshaft
-
Countershaft
-
Secondary shaft
-
Control lever
-
Main valve body
-
Regulator
-
Secondary body
-
Servo body
-
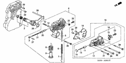
Differential
-
Air cleaner
-
Control device
2
-
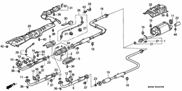
Exhaust pipe
-
Fuel tank
-
Fuel pipe
LH
-
Radiator
DENSO
-
Radiator hose
-
Battery
-
Wire harness
LH
-
Headlight
1
-
Front combination light
-
Taillight
1
-
Interior light
-
Combination switch
LH
-
Switch
LH
-
Speed sensor
1
-
Meter components
1
-
Meter sub display
LH
-
Meter visor
LH
-
Control unit
ENGINE ROOM; LH
-
Control unit
CABIN; LH
-
Abs unit
LH
-
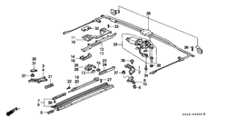
Front windshield wiper
LH
-
Windshield washer
-
Radio antenna/speaker
-
Auto radio
-
Heater control
MANUAL
-
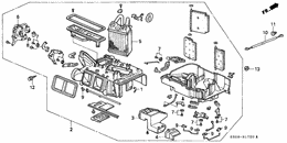
Heater blower
LH
-
Heater unit
LH
-
Water valve
-
Tire/wheel disk
-
Rear brake
-
Front driveshaft/ half shaft
-
Front brake
-
Pedal
LH
-
Auto cruise
LH
-
Clutch master cylinder
LH
-
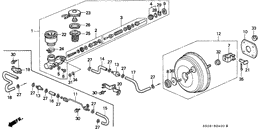
Brake master cylinder/ master power
-
Brake lines
LH
-
Parking brake
-
Knuckle
-
Front stabilizer/ front lower arm
-
Front shock absorber
-
Rear stabilizer/ rear lower arm
-
Rear shock absorber
-
Steering column
-
P.s. gear box
LH
-
P.s. gear box components
LH
-
P.s. lines
LH
-
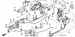
Select lever
LH
-
Floor mat
-
Grommet
-
Instrument panel
LH
-
Instrument panel garnish
LH
-
Console
2
-
Roof lining
-
Sliding roof
-
Roof slide components
-
Pillar garnish/ side lining
-
Front door lining
-
Rear tray/trunk lining
-
Front seat
-
Front seat components
2
-
Front seat components
1
-
Rear seat
-
Seatbelts
-
Emblems
-
Side protectors
-
Mirror
1
-
Tools/jack
-
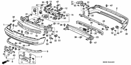
Bumpers
1
-
Engine mounts
-
Cross beam
-
Front bulkhead
-
Inner panels
-
Outer panels
-
Front fenders
-
Hood
-
Front windshield
-
Rear windshield
-
Door windows
-
Door locks
-
Door panels
-
Trunk lid
-
Air conditioner
HOSES/PIPES; LH
-
Air conditioner
COOLING UNIT; 1
-
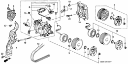
Air conditioner
COMPRESSOR; SANDEN
-
Air conditioner
COMPRESSOR; KEIHIN
-
Air conditioner
CONDENSER
-
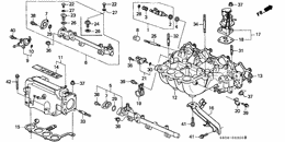
Throttle body
SOHC
-
Install pipe/tubing
2
-
Intake manifold
SOHC
-
Exhaust manifold
SOHC
-
High tension cord/plug
-
Distributor
TEC
-
Engine wire harness/clamp
-
Alternator
DENSO
-
Starter motor
MITSUBA
-
Breather tube
-
Cylinder head cover
SOHC/DOHC
-
Cylinder head
SOHC
-
Camshaft/timing belt
SOHC
-
Valve/rocker arm
SOHC
-
Oil pump
-
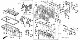
Cylinder block/oil pan
-
Water pump
-
Water hose
SOHC
-
Piston/crankshaft
-
Clutch/torque converter
-
Power steering pump
-
Gasket kit/engine assy./ transmission assy.