Honda 3.2TL Car & Auto Parts
- Year
- 1996
- Model code
- 3.2TL
- Sales region
- General
- Engine
- C32A
- transmission
- 4AT
- Number of doors
- 4
- grade
- 3.2TL
- area code
- KU
- right-hand drive
- +
- sunroof
- +
Difficulties in parts search?
-
Torque converter housing
V6
-
Transmission housing
V6
-
Rear cover
V6
-
Clutch
LOW-4TH,2ND; V6
-
Clutch
LOW-HOLD,3RD,RVS.; V6
-
Mainshaft
V6
-
Countershaft
V6
-
Control lever
V6
-
Oil level gauge/harness
V6
-
Oil pump body
V6
-
Regulator
V6
-
Accumulator body
V6
-
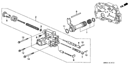
Main valve body
V6
-
Differential carrier
V6
-
Differential gear
V6
-
Secondary body
V6
-
Air cleaner
V6
-
Resonator chamber
V6
-
Control box
V6
-
Control device
V6
-
Purge control solenoid valve
V6
-
Exhaust pipe
V6
-
Fuel tank
-
Fuel pipe
V6
-
Radiator
DENSO; V6
-
Radiator hose
V6
-
Battery
V6
-
Wire harness
RH
-
Headlight
-
Front combination light
-
Taillight
-
Interior light
-
Combination switch
RH
-
Switch
RH
-
Meter components
V6
-
Control unit
ENGINE ROOM; V6
-
Control unit
CABIN; V6
-
Abs/tcs unit
V6
-
Srs unit
RH
-
Front windshield wiper
RH
-
Windshield washer
V6
-
Radio antenna/speaker
RH
-
Heater control
RH
-
Heater blower
RH
-
Heater unit
RH
-
Cooling unit
RH
-
Water valve
V6
-
Wheel disks
-
Rear brake
-
Driveshaft/half shaft
-
Front brake
V6
-
Pedal
V6
-
Auto cruise
V6
-
Brake master cylinder
V6; -'96
-
Abs modulator
-'96; V6
-
Brake lines
-'96; V6
-
Parking brake
-
Knuckle
V6
-
Front lower arm
V6
-
Front shock absorber
V6
-
Rear lower arm
-
Rear shock absorber
-
Steering wheel
-
Steering column
-
P.s. gear box
V6
-
P.s. gear box components
V6; 1
-
P.s. line
V6
-
Select lever
RH
-
Floor mat
-
Grommet
-
Instrument panel
RH
-
Instrument panel garnish
RH
-
Duct
RH
-
Console
-
Roof lining
RH
-
Sliding roof
-
Roof slide components
-
Pillar garnish
RH
-
Front door lining
RH
-
Rear door lining
-
Side lining
-
Front seat
2
-
Front seat components
1
-
Front seat components
4
-
Rear seat
2
-
Seatbelts
-
Emblems/caution labels
-
Molding
-
Protector
-
Mirror
-'96; RH
-
Mirror
'97-; RH
-
Tool/jack
-
Front grille
V6
-
Bumpers
V6
-
Engine mounts
V6
-
Cross beam
V6
-
Front bulkhead
V6
-
Inner panels
V6
-
Outer panels
-
Front fenders
V6
-
Hood
V6
-
Front windshield
-
Rear windshield
-'96
-
Front door windows
-
Front door locks
-
Front door panels
-
Rear door windows
-
Rear door locks
-
Rear door panels
-
Trunk lid
-
Compressor
V6
-
Condenser
V6
-
Hoses
V6
-
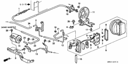
Throttle body
V6
-
Sensor
-
Install pipe/tubing
V6
-
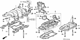
Intake manifold
V6
-
Fuel injector
V6
-
Engine harness cover
V6
-
Air suction pipe
V6
-
Exhaust manifold
V6
-
Egr valve
V6
-
High tension cord/plug
V6
-
Alternator bracket
V6
-
Alternator
V6
-
Engine wire harness
V6
-
Starter motor
DENSO
-
Breather tube
V6
-
Cylinder head cover
V6
-
Cylinder head
LEFT; V6
-
Cylinder head
RIGHT; V6
-
Camshaft/timing belt
V6
-
Timing belt cover
V6
-
Valve/rocker arm
LEFT; V6
-
Valve/rocker arm
RIGHT; V6
-
Oil pump
V6
-
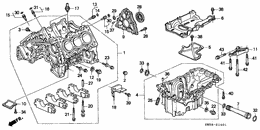
Cylinder block/oil pan
V6
-
Water pump/sensor
V6
-
Water hose
V6
-
Piston/crankshaft
V6
-
Torque converter
-
P.s. pump/speed sensor
V6
-
P.s. pump bracket
V6
-
Gasket kit
V6
-
Engine assy./ transmission assy.
V6